EasyManua.ls Logo

Prins VSI LPG - Diagram 37 LPG Wiring 080;72065

Prins VSI LPG
77 pages
Print Icon
To Next Page IconTo Next Page
To Next Page IconTo Next Page
To Previous Page IconTo Previous Page
To Previous Page IconTo Previous Page
Loading...
70
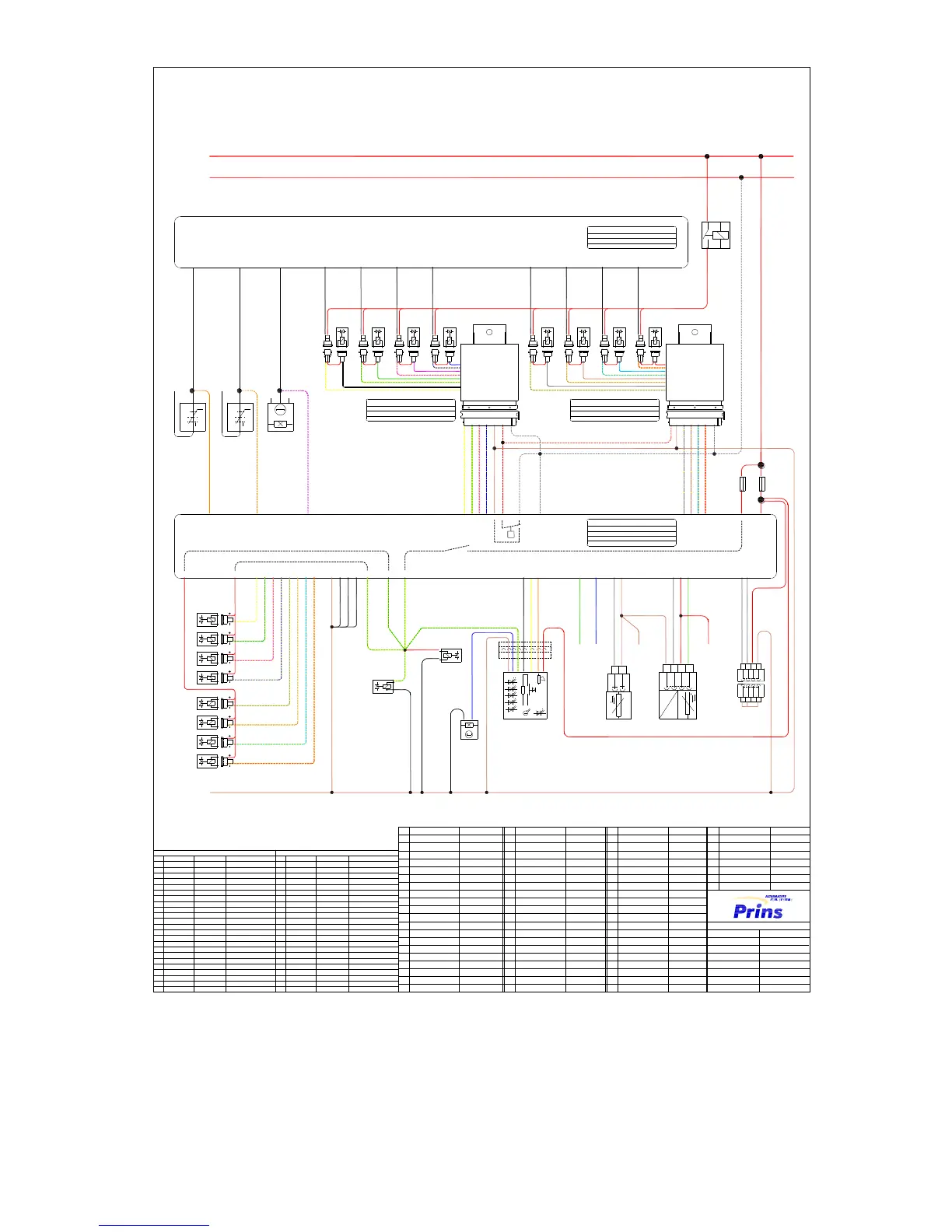
Diagram 37 LPG wiring 080/72065
diagnosis
connector
1 2 3 4
1 2 3 4
P
U
contra
connector
Petrol ECU
manufacturer : n.a.
version : n.a.
software : n.a.
tank
gauge
reducer
lock-off
valve
Filter unit
Psys / T-lpg sensor
Hall sensor
engine RPM
Oxygen
sensor 1
Bank 2
injection module
cylinder 1-2-3-4
+
-
1 2 3 4 5 6 7 8
Petrol injectors
26 27 1354
1 2 1 2 1 2 1 2 1 2 1 2 1 2 1 2
39 3837 36
Oxygen
sensor 1
Bank 1
6
89
1011
404546
35 7 53
25 51
2
1
tank
lock-off
valve
2
1
31 Battery ground
+ LPG
48 4912
30 battery +12V
15 ignition switch
080/72065 VSI wiring diagram 8 cylinder LPG (with connectors)
43 15 18 17 22 23
fuel switch
Engine
control
relay
ecu side inj 8
ecu side inj 7
red-yellow
light blue-yellow
G INJ B plus
G INJ OUT 6
G INJ OUT 5
+ LPG injectors
ecu side inj 6
ecu side inj 5
brown-yellow
grey-yellow
red
green-yellow
brown-yellow
grey-yellow
1
2
3
4
5
6
7
8
9
10
11
12
13
14
15
16
17
18
19
pin
ground
MAP
Psys
+5 Volt Psys
T-LPG lpg temp.
ignition +
pulse fuel switch
sealed
color
black
yellow
grey-white
black
grey
blue
light green
red
31
32
33
34
35
36
37
38
pin
+12 volt battery
ignition +
G INJ A plus
RS232 TxD
RS232 RxD
sealed
inj. mod. command
sealed
G INJ A ground
G INJ OUT 4
color
grey
red
red-white
pink-yellow
green-yellow
white-yellow
red
grey-white
black
blue-yellow
grey
23
24
25
26
27
28
29
30
20
21
22
sealed
sealed
G INJ OUT 3
G INJ OUT 2
G INJ OUT 1
+ LPG injectors
green-yellow
ecu side inj 4
ecu side inj 3
ecu side inj 2
pink-yellow
green-yellow
blue-yellow
pin
TPS throttle position
sealed
ECT sensor ground
ECT coolant temp.
sealed
beeper low switching
diagnose LED
color
brown
green
black
orange
42
43
44
45
46
47
48
49
39
40
41
ecu side inj 1
white-yellow
RPM engine speed purple-white
grey
lambda bank 1
orange
42
42
MAP sensor ground
Psys sensor ground
brown
brown
50
50
50
50
51
51
pin
color
51
52
reducer valve ground
main ground
tank valve ground
diagnose ground
+12 volt fuel switch
brown
brown
brown
brown
red
+12 volt battery
red
53
53
sealed
53
power fuel indication
power tank valve
power reducer valve
green-yellow
brown
red
green-yellow
54
INJ simulator ground
55
56
sealed
sealed
vsi wire vsi wire vsi wire vsi wire
+12 volt diagnose
red
ground
18
+5 Volt MAP red
50
switch ground
brown
G INJ OUT 8
G INJ OUT 7
red-yellow
light blue-yellow
lambda bank 2
orange-white
42
2 1
T-ect
sensor
A1
A2
A3
A4
A5
A6
B6
A7
A8
B1
B2
B3
B4
B5
B8
B7
vsi ecu
C6
C1
C2
C3
C4
C5
C8
C7
petrol injector
petrol injector
petrol injector
petrol injector
vsi ecm
white-yellow
pink-yellow
blue-yellow
white
green
pink
blue
grey-white
red-white
13 ingnition plus
26 inj. mod. command
min inj side 1
brown 54 inj. mod. ground
petrol ecu
petrol ecu
vsi ecu
vsi ecu
vsi ecu
vsi ecu
vsi ecu
petrol ecu
petrol ecu
39 ecu side 1
37 ecu side 3
36 ecu side 4
min inj side 2
min inj side 3
min inj side 4
green-yellow 38 ecu side 2
white-yellow
pink-yellow
blue-yellow
green-yellow
39 ecu side 1
37 ecu side 3
36 ecu side 4
38 ecu side 2
A1
A2
A3
A4
A5
A6
B6
A7
A8
B1
B2
B3
B4
B5
B8
B7
vsi ecu
C6
C1
C2
C3
C4
C5
C8
C7
petrol injector
petrol injector
petrol injector
petrol injector
vsi ecm
grey-yellow
lightblue-yellow
red-yellow
grey
brown
light blue
red
grey-white
red-white
13 ingnition plus
26 inj. mod. command
min inj side 5
brown 54 inj. mod. ground
petrol ecu
petrol ecu
vsi ecu
vsi ecu
vsi ecu
vsi ecu
vsi ecu
petrol ecu
petrol ecu
11 ecu side 5
9 ecu side 7
8 ecu side 8
min inj side 6
min inj side 7
min inj side 8
brown-yellow 10 ecu side 6
grey-yellow
lightblue-yellow
red-yellow
brown-yellow
11 ecu side 5
9 ecu side 7
8 ecu side 8
10 ecu side 6
injection module A injection module B
B2
B3
B4
B5
C2
C3
C4
C5
A2 A3 A4 A5
C8
B8 B1
B2
B3
B4
B5
C2
C3
C4
C5
B8
C8
A2 A3 A4 A5 B1
injection module
cylinder 5-6-7-8
Main
fuse
2 A
Injector
fuse
15 A
+ LPG injectors
VSI ECU
manufacturer : Prins
part number : 080/70003
software : S209 / S211
version : C / D
Injection module
manufacturer : Prins
part number : 091/71004
version : A
Injection module
manufacturer : Prins
part number : 091/71004
version : A
Prins Alternative Fuel Systems
Approved by / date
Designed by / date
Description :
Checked by / date
Project name :
1/1Sheet :
Revision by / date
Part nr :
8 cyl. with conn.
080/72065
T.S. 23-04-07
1
2
3
4
5
6
7
8
34 33 32 31 30 5 4 3 2
VSI injectors
main ground
+ LPG injectors
R.K. 26-10-07
-1 / J.T. 26-10-07
50 1 14 29
+ 5V
sensor
(optional)
MAP ground
sensor
(optional)
44 16
MAP
(optional)
TPS
(optional)

Table of Contents

Related product manuals