EasyManua.ls Logo

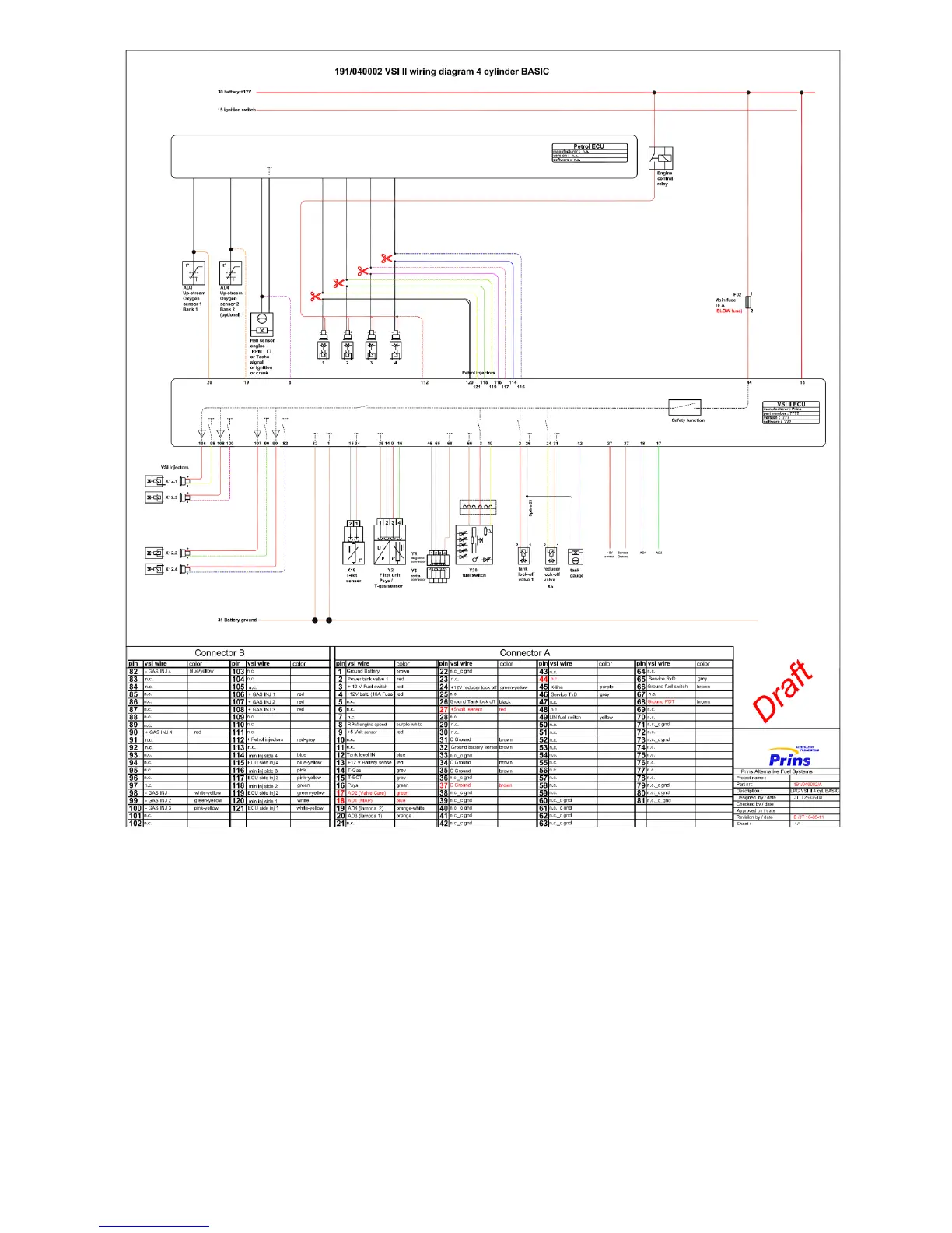
Prins VSI LPG - Diagram 39 VSI-2.0 Wiring 191;040002

Prins VSI LPG
77 pages
Print Icon
To Next Page IconTo Next Page
To Next Page IconTo Next Page
To Previous Page IconTo Previous Page
To Previous Page IconTo Previous Page
Loading...
72
Diagram 39 VSI-2.0 wiring 191/040002

Table of Contents

Related product manuals