EasyManua.ls Logo

Printronix SL5000 - Page 53

Printronix SL5000
394 pages
Print Icon
To Next Page IconTo Next Page
To Next Page IconTo Next Page
To Previous Page IconTo Previous Page
To Previous Page IconTo Previous Page
Loading...
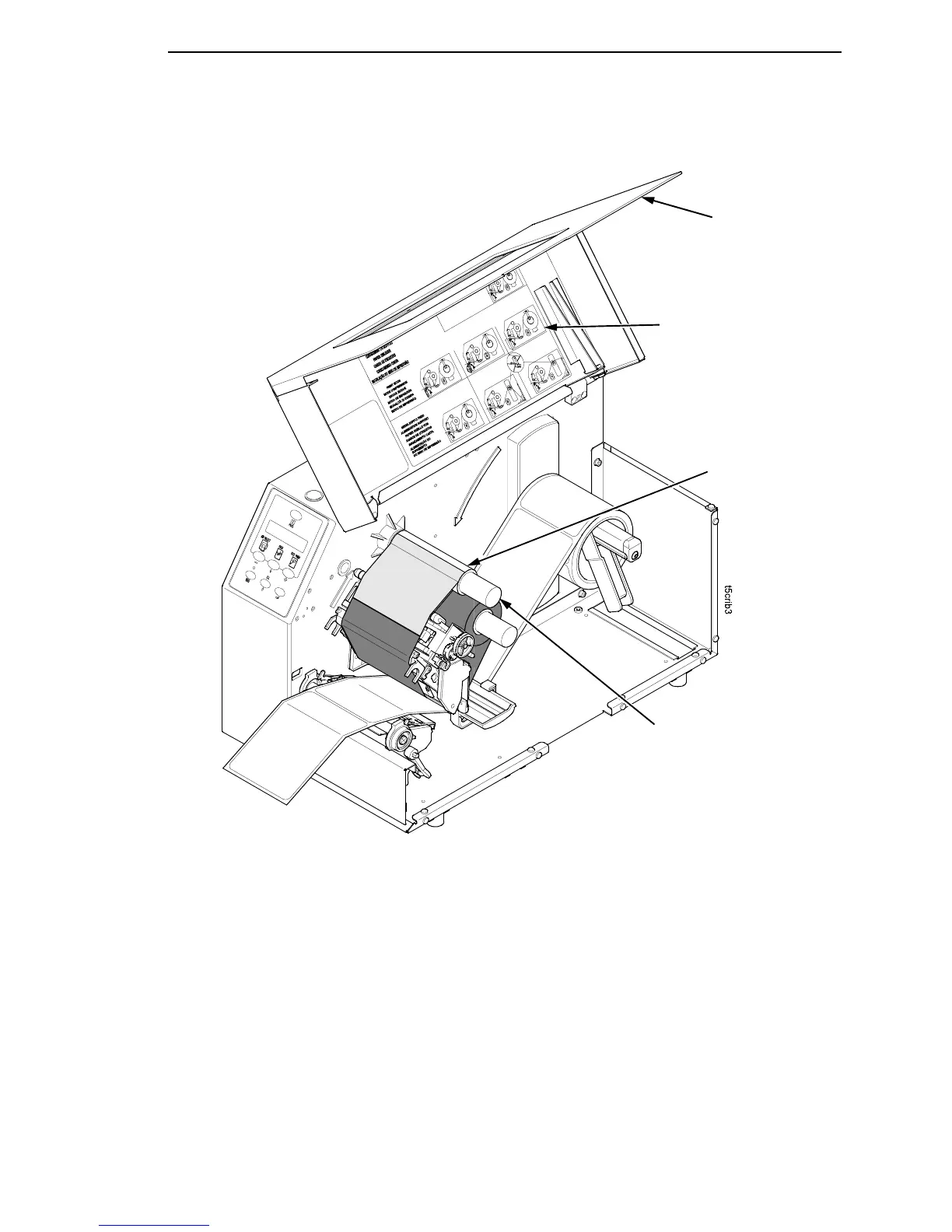
Loading Ribbon
53
IMPORTANT
Do not attach the ribbon to the ribbon take-up spindle without a
fiberboard take-up core installed.
5. Attach the ribbon to the ribbon take-up core on the ribbon take-up spindle
using the adhesive on the ribbon leader.
6. Manually rotate the spindle clockwise until the clear leader has passed
the printhead.
7. Close the pivoting deck and rotate the deck lock lever fully
counterclockwise.
8. Verify that Print Mode (in the QUICK SETUP menu) is set for Transfer.
See “QUICK SETUP” on page 106 for more information.
Ribbon
Take-up Spindle
Ribbon
Take-up Core
Media Cover
Media and Ribbon
Loading
Instructions

Table of Contents

Other manuals for Printronix SL5000

Related product manuals