EasyManua.ls Logo

Profichip VPC3+C - Package

Profichip VPC3+C
98 pages
Print Icon
To Next Page IconTo Next Page
To Next Page IconTo Next Page
To Previous Page IconTo Previous Page
To Previous Page IconTo Previous Page
Loading...
10 Operational Specifications
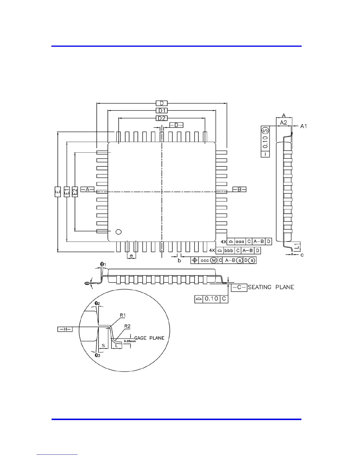
10.8 Package
Figure 10-21: Package Drawing
94 Revision 1.03
VPC3+C
User Manual
Copyright © profichip GmbH 2004-2006

Table of Contents