EasyManua.ls Logo

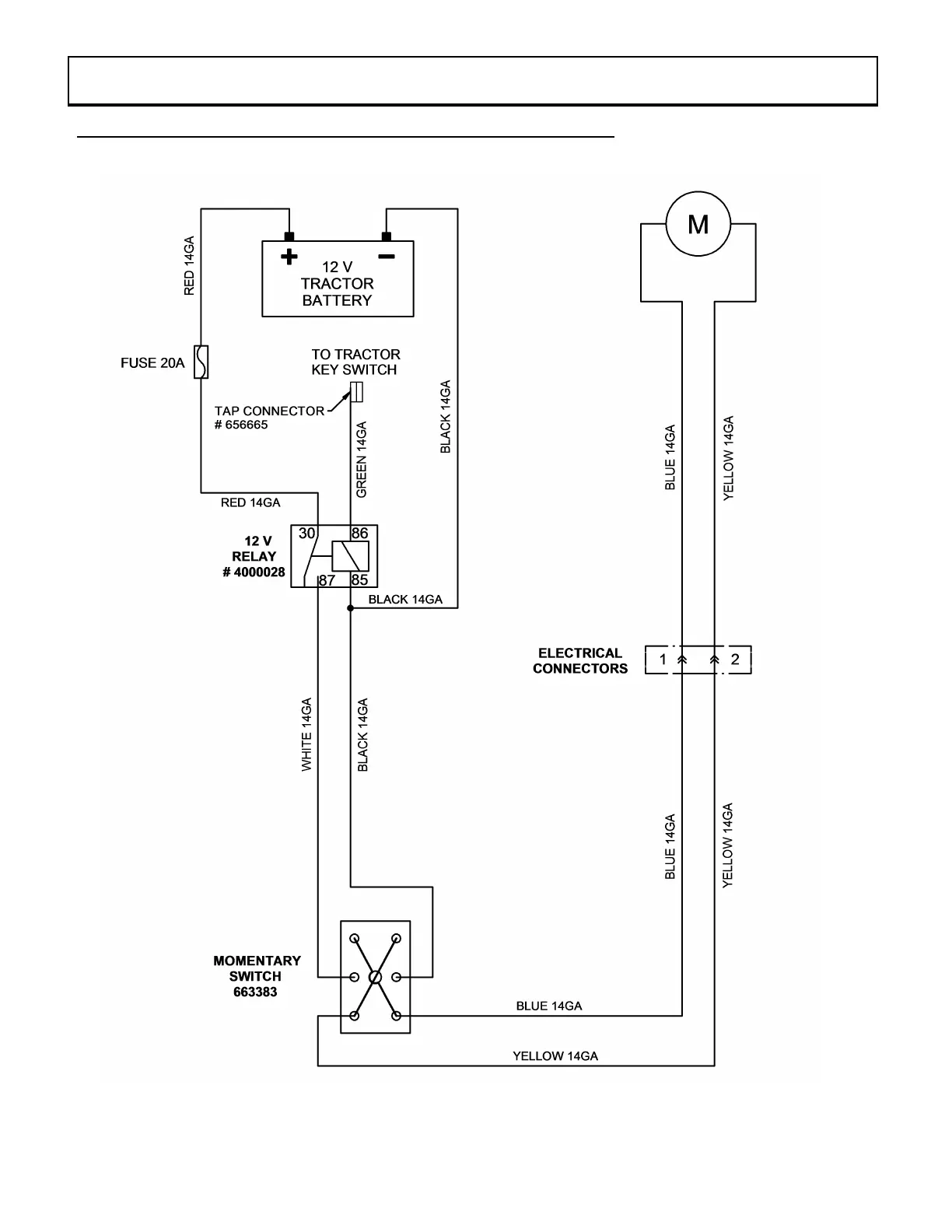
RadTech S1SB-54A - Electrical Diagram of the Chute Deflector

Default Icon
60 pages
Print Icon
To Next Page IconTo Next Page
To Next Page IconTo Next Page
To Previous Page IconTo Previous Page
To Previous Page IconTo Previous Page
Loading...
ASSEMBLY
OM 0495SB-A [18]
Electrical diagram of the snowblowers electrical deflector