EasyManua.ls Logo

Raymarine Evolution EV-2 - Drive Interface Unit Connection - Volvo Penta EVC; Power Connection - Volvo Penta EVC Interface

Raymarine Evolution EV-2
96 pages
Print Icon
To Next Page IconTo Next Page
To Next Page IconTo Next Page
To Previous Page IconTo Previous Page
To Previous Page IconTo Previous Page
Loading...
10
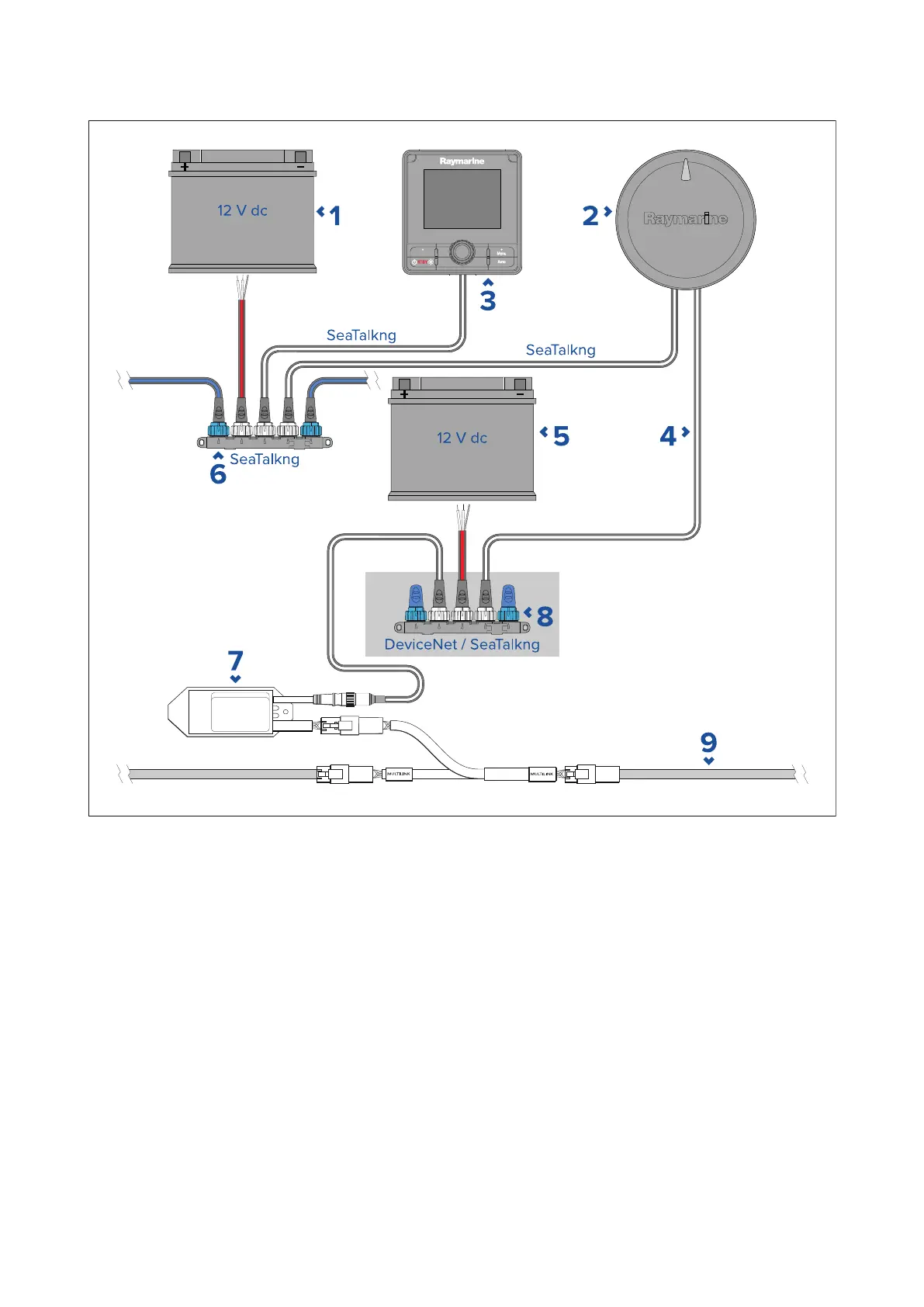
.2DriveinterfaceunitconnectionVolvoPentaEVC
TheEV-2connectstoaVolvoPentaEVCdriveinterfaceunitviaDeviceNetconnections.
1.12Vdcpowersupply(providingpowertoSea Talkng®.)
2.EV-2
3.Autopilotcontroller
4.DeviceNetadaptorcables(female)(assuppliedwithRaymarineDeviceNetcablekit.)
5.12Vdcpowersupply(providingpowertotheVolvoPentaEVCinterfaceunit.)
6.SeaTalkng®5–wayblock
7.VolvoPentaEVCdriveinterfaceunit(availableseparately.)
8.DedicatedSeaTalkng®backbone(providingpowertotheVolvoPentaEVCdriveinterface.)
9.EngineCANbus
PowerconnectionVolvoPentaEVCinterface
TheEVCinterfaceunitrequiresa12Vpowersource,whichmustbeprovidedtotheEVCunitvia
abattery.
Ifyourvesselhasa24Vsupplyasuitablevoltageconvertorisrequired.
Thepowersourcemustbeprotectedbya5Afuseoracircuitbreakerprovidingequivalent
protection.
TheEVCinterfaceunitmustbeconnectedtoa12VdcpowersourceviaadedicatedSeaTalkng®
backbone.
Driveinterfaceunitconnections55

Table of Contents

Related product manuals