EasyManua.ls Logo

Red Jacket CoreDEF Series - Page 24

Red Jacket CoreDEF Series
42 pages
Print Icon
To Next Page IconTo Next Page
To Next Page IconTo Next Page
To Previous Page IconTo Previous Page
To Previous Page IconTo Previous Page
Loading...
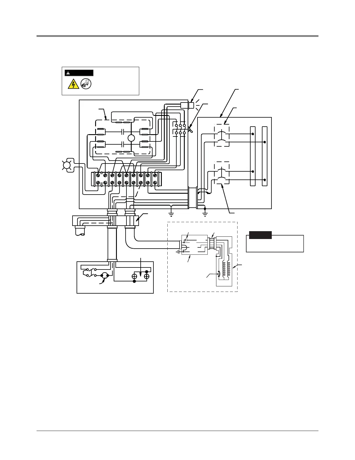
Installation Wiring Diagrams
20
Figure 20. 240 Vac Remote Control Box With 240 Vac Coil - Model 880-042-5
OPTIONAL
OTHER
DISPENSER
(MAX. TOTAL OF
6 DISPENSERS)
OPTIONAL SOLENOID VALVE
(76 VOLT AMPS. MAX.)
LINE
STARTER
LOAD CENTER
220 OR 240 VOLT
1 PHASE, 2 WIRE
15A-2P SWITCHED
NEUTRAL BREAKER
15A-2P SWITCHED
NEUTRAL BREAKER
PILOT LIGHT
PHASE NEUTRAL
3P S.T.
TOGGLE
SWITCH
EXTERNAL
PILOT LIGHT
(240 VOLTS)
25 WATT MAX.
WIRING
TROUGH
DISPENSER LIGHTS
DISPENSER
S3
S2
S1
P
EXTEXT
PILOTPILOT
LIGHTLIGHT
M1M2
L2
L1
S3
S2 S1
DISCONNECT, LOCK OUT,
AND TAG POWER AT THE
POWER PANEL BEFORE
WIRING THE PUMP.
WARNING
OFF
Make ground connection in
accordance with local codes.
NOTICE
Cable Strain
Relief
Internal
overload
protector
Continuous
duty capacitor
Submersible
DEF pump
Motor
Brown
Black
Green
Grey
Liquid-Tight
Junction Box

Table of Contents

Related product manuals