EasyManua.ls Logo

REHM BARRACUDA RTC 60 - Page 42

REHM BARRACUDA RTC 60
55 pages
Print Icon
To Next Page IconTo Next Page
To Next Page IconTo Next Page
To Previous Page IconTo Previous Page
To Previous Page IconTo Previous Page
Loading...
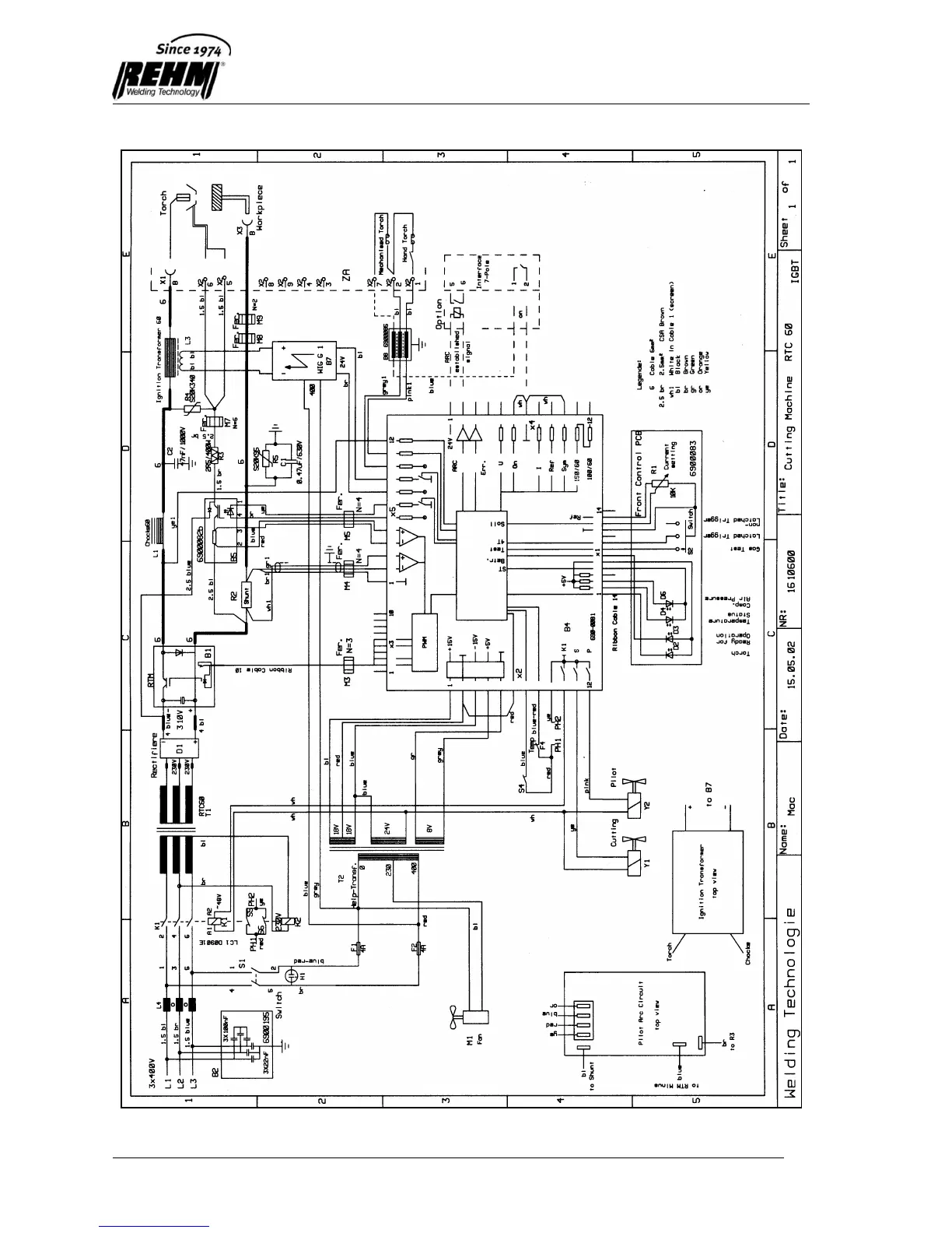
Circuit Diagrams
42

Table of Contents