EasyManua.ls Logo

Renesas RZ/A Series - Power Voltage Configuration

Renesas RZ/A Series
106 pages
Print Icon
To Next Page IconTo Next Page
To Next Page IconTo Next Page
To Previous Page IconTo Previous Page
To Previous Page IconTo Previous Page
Loading...
RZ/A2M SUB Board RTK79210XXB00000BE 2. Function specifications
R20UT4398EJ0100 Rev.1.00 2-32
2018.10.11
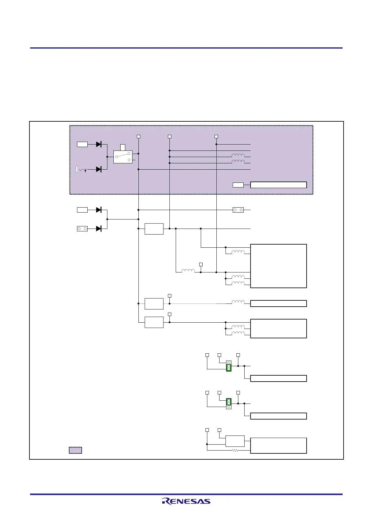
2.9 Power Voltage Configuration
RTK79210XXB00000BE uses 5V power supply, and the regulator on the RZ/A2M CPU board generates 3.3V power
supply. 5V power supply can also be supplied from the RZ/A2M CPU board.
USB serial converter IC (U23) is operated by the VBUS power supply provided from USB Micro-B connector (CN5).
Figure 2.9.1 shows a power configuration diagram.
Figure 2.9.1 Power Configuration Diagram
USB Mini-B
(CN13)
AC adapter
(CN18)
Power source
switch
(SW1)
VBUS
D5V D3.3V AVcc
Ethernet PHY
Audio CODEC
3.3V peripheral device
USB Type-ACN12
Key input switch
Indicates a SUB board.
USB serial converter ICU23
VDD
USB Micro-B
(CN5)
VBUS
5V3.3V
D1.8V
D1.2V
USB Type-C (CN3)
5V external power source
connector (CN4)
5V1.8V
VBUS
PVcc
RZ/A2M (3.3V)
USBDPVcc
AVcc
LVDSAPVcc
USBAPVcc
RZ/A2M (1.8V)
MIPIAVcc18
Vcc
RZ/A2M (1.2V)
LVDSPLLVcc
PLLVcc
3.3V peripheral device
5V1.2V
VBUS power supply
Jumper (JP3)
A3.3V
USB Type-C (CN3)
JP1
D1.8VD3.3V ROMVcc
RZ/A2M (1.8V/3.3V)
PVcc_HO
PVcc_SPI
JP2
D1.8VD3.3V RAMVcc
Serial flash memory (U2)
HyperMCP (U3)
RZ/A2M (1.8V/3.3V)
RZ/A2M (1.8V/3.3V)
PVcc_SD0
D3.3V D1.8V
3.3V/1.8V
Power disconnect
(U4)
PVcc_SD1

Other manuals for Renesas RZ/A Series

Related product manuals