ALL MASTER DRAWINGS, WHICH REPRESENT THE CURRENT
REVISION, ARE STORED ELECTRONICALLY, AND ALL
SUBSEQUENT COPIES ARE CONSIDERED UNCONTROLLED.
THIS DRAWING AND THE DESIGN SHOWN THEREIN IS THE
PROPERTY OF ROADTREK MOTORHOMES INC, AND USE OR
COPIES THEREOF CANNOT BE MADE WITHOUT WRITTEN
CONSENT
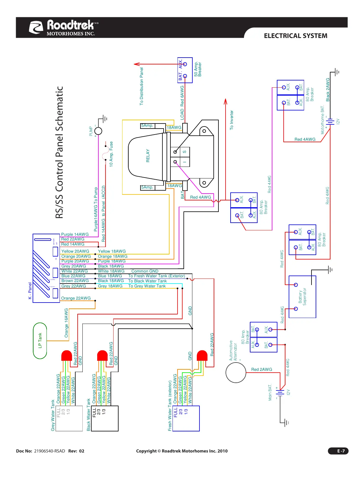
RELAY
Yellow 20AWG
Orange 20AWG
Purple 20AWG
Grey 20AWG
White 22AWG
Blue 22AWG
Brown 22AWG
Grey 22AWG
Red 22AWG
Red 14AWG
Purple 14AWG
GND
Red 4AWG
I
BAT.
Black Water Tank
Grey Water Tank
To Fresh Water Tank (Exterior)
To Grey Water Tank
To Black Water Tank
Red 22AWG
White 22AWG
GND
Orange 22AWG
Green 22AWG
Yellow 22AWG
Common GND
5Amp.
Blue 18AWG
Orange 22AWG
Grey 18AWG
Black 18AWG
Red 22AWG
White 22AWG
GND
Green 22AWG
Yellow 22AWG
White 18AWG
Black 18AWG
Purple 18AWG
Orange 18AWG
Yellow 18AWG
Purple14AWG To Pump
Red 14AWG to Panel (ACC2)
18AWG
To Inverter
LOAD Red 6AWG
S
5Amp.
10 Amp. Fuse
Yellow 22AWG
White 22AWG
Fresh Water Tank (exterior)
Green 22AWG
Orange 22AWG
GND
Red 22AWG
To Distribution Panel
50 Amp.
Breaker
Orange 22AWG
Orange 16AWG
!
Black 2AWG
"#
$%$&'$(
"#
)*
&(+(&
(,-
.%$$% /(
0%(&!%$&
(,-
(,-
Red 2AWG
)*
&(+(&
)*
&(+(&
(,-
(,-
18AWG
Red 4AWG
)*
&(+(&
K - Panel
BATTERY
OFF
P
U
M
P
ON
T
E
S
T
FULL
1/3
2/3
FULL
1/3
2/3
FULL
2/3
1/3
LP Tank
1
1
%%(&2
(*(&%$&
1
1
1
1
BAT.
AUX.
1
1