EasyManua.ls Logo

Rolls-Royce Silver Shadow - Carburetter Settings (Late Cars)

Rolls-Royce Silver Shadow
330 pages
Print Icon
To Next Page IconTo Next Page
To Next Page IconTo Next Page
To Previous Page IconTo Previous Page
To Previous Page IconTo Previous Page
Loading...
Workshop Manual
Rolls Royce Silver Shadow
B
Bentley
T
Series
Chapter
K
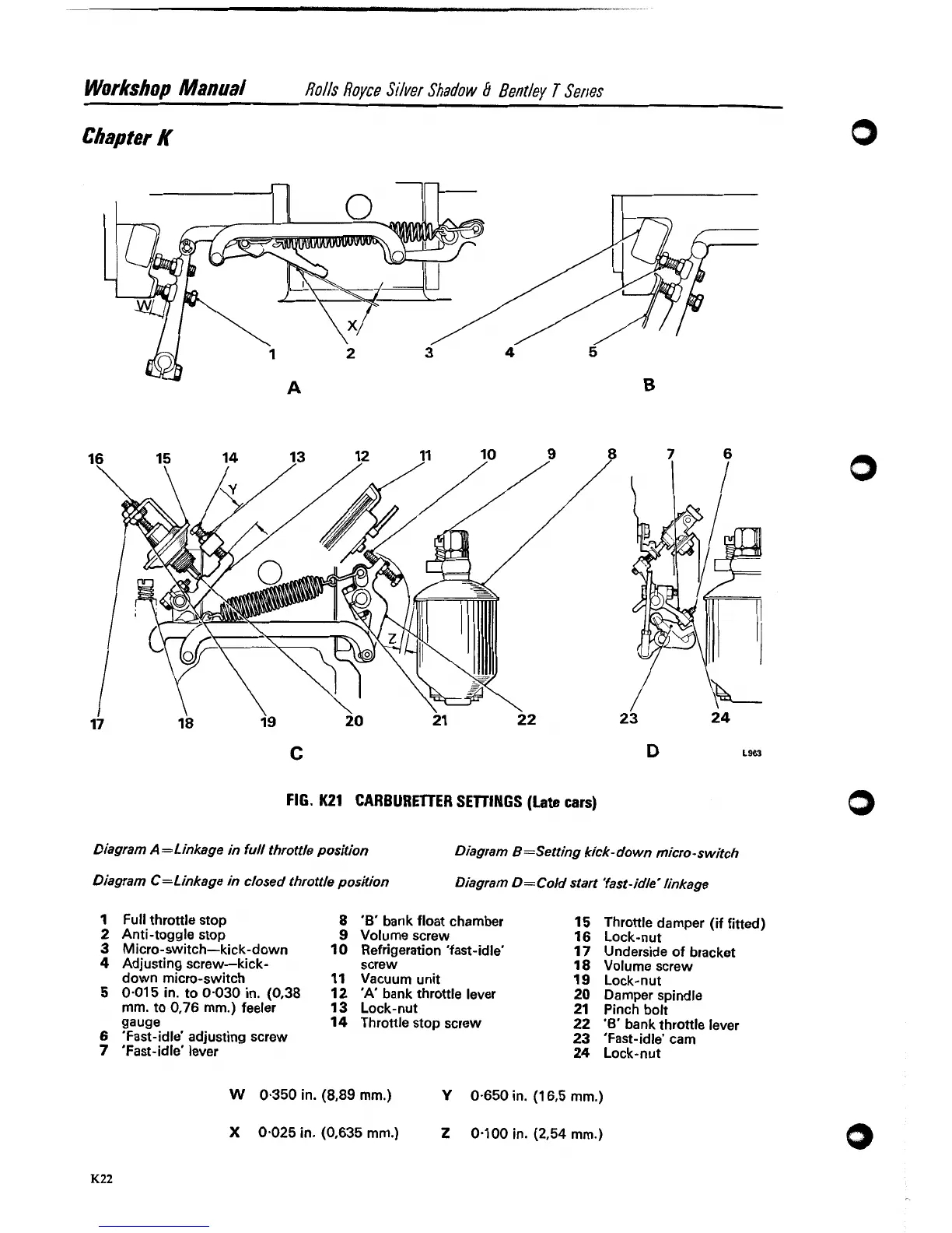
FIG.
K21
CARBURElTER SETTINGS
(Late
cars)
Diagram A=Linkage in full throttle position
Diagram
B
=Setting kick-do wn micro -switch
Diagram
C=L
inkage in closed throttle position
Diagram
D
=
Cold start 'fast-idle
'
linkage
1
Full throttle stop
8
'6'
bank float chamber
15
Throttle damper (if fitted)
2
Anti-toggle stop
9
Volume screw
16
Lock-nut
3
Micro-switch-kick-down
10
Refrigeration 'fast-idle'
17
Underside of bracket
4
Adjusting screw-kick- screw
18
Volume screw
down micro-switch
11
Vacuum unit
19
Lock-nut
5
0.01 5 in. to 0.030 in. (0,38
12
'A'
bank throttle lever
20
Damper spindle
mm. to 0.76 mm.) feeler 13 Lock-nut
21
Pinch bolt
gauge
14
Throttle stop screw
22
'6'
bank throttle lever
6
'Fast-~dle' adjusting screw
23
'Fast-idle' cam
7
'Fast-idle' lever
24
Lock-nut
W
0.350 in. (8,89 mm.)
Y
0.650 in.
(1
6,5 mm.)
X
0.025 in. (0,635 mm.)
Z
0.100 in. (2,54 mm.1

Table of Contents

Other manuals for Rolls-Royce Silver Shadow

Related product manuals