EasyManua.ls Logo

rotork Profibus Modbus Module Mk2 - Optional IQ and IQT Disconnect Module

rotork Profibus Modbus Module Mk2
84 pages
Print Icon
To Next Page IconTo Next Page
To Next Page IconTo Next Page
To Previous Page IconTo Previous Page
To Previous Page IconTo Previous Page
Loading...
Single and Dual Data Highway Configurations
Publication PUB088-005-00_1017 31 of 84
Foundation Fieldbus FF
-
01 Installation manual
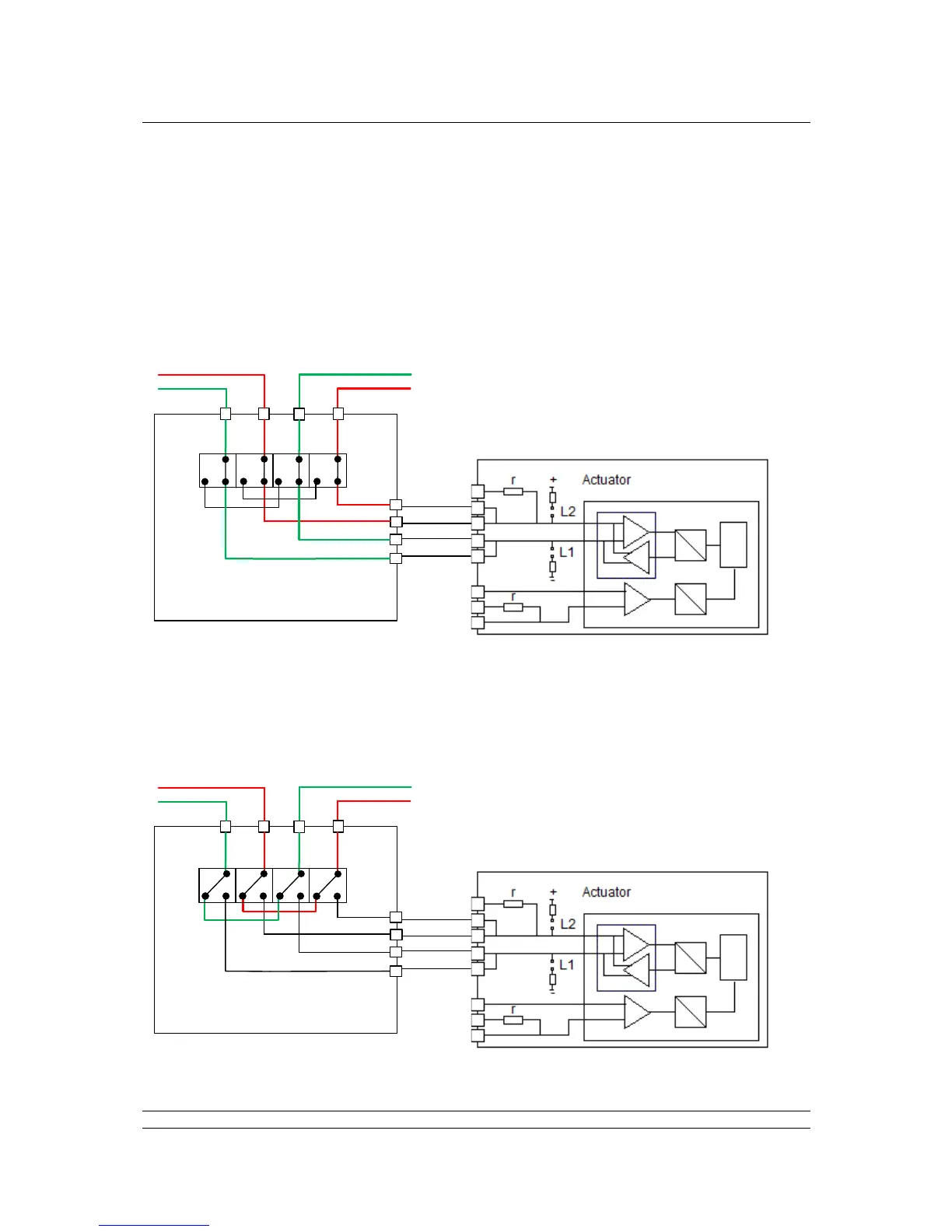
4.7.2 Optional IQ and IQT disconnect module
The IQ and IQT range of actuators can be fitted with an optional disconnect module, the purpose of
which is to enable the removal of the actuator for service without disrupting the network. Without the
disconnect module, due to the ‘IN’ / ‘OUT’ nature of the connection to the actuator (to prevent stub
lines) the network will be disrupted during removal of an actuator.
Under normal circumstances, where power is applied to the actuator, the relay fitted on the disconnect
module is powered and ensures that the Profibus signals are passed to the actuator as shown below.
B In
B Out
A Out
A In
Single disconnect module
A In
B Out
A Out
B In
Field Network connections
RL1
When power is removed from the actuator, the relay disconnects the actuator from the highway,
meaning that the disconnect module can be removed from the actuator and placed on its parking
housing, then the actuator can be removed for servicing without disrupting the rest of the network.
B In
B Out
A Out
A In
Single disconnect module
A In
B Out
A Out
B In
Field Network connections
RL1
Fig 24: Disconnect module showing normal powered operation - connection though to the actuator.
Fig 25: Disconnect module showing unpowered operation - disconnected from the actuator.

Table of Contents

Related product manuals