EasyManua.ls Logo

rotork Profibus Modbus Module Mk2 - Dual Highway

rotork Profibus Modbus Module Mk2
84 pages
Print Icon
To Next Page IconTo Next Page
To Next Page IconTo Next Page
To Previous Page IconTo Previous Page
To Previous Page IconTo Previous Page
Loading...
Single and Dual Data Highway Configurations
Publication PUB088-005-00_1017 29 of 84
Foundation Fieldbus FF
-
01 Installation manual
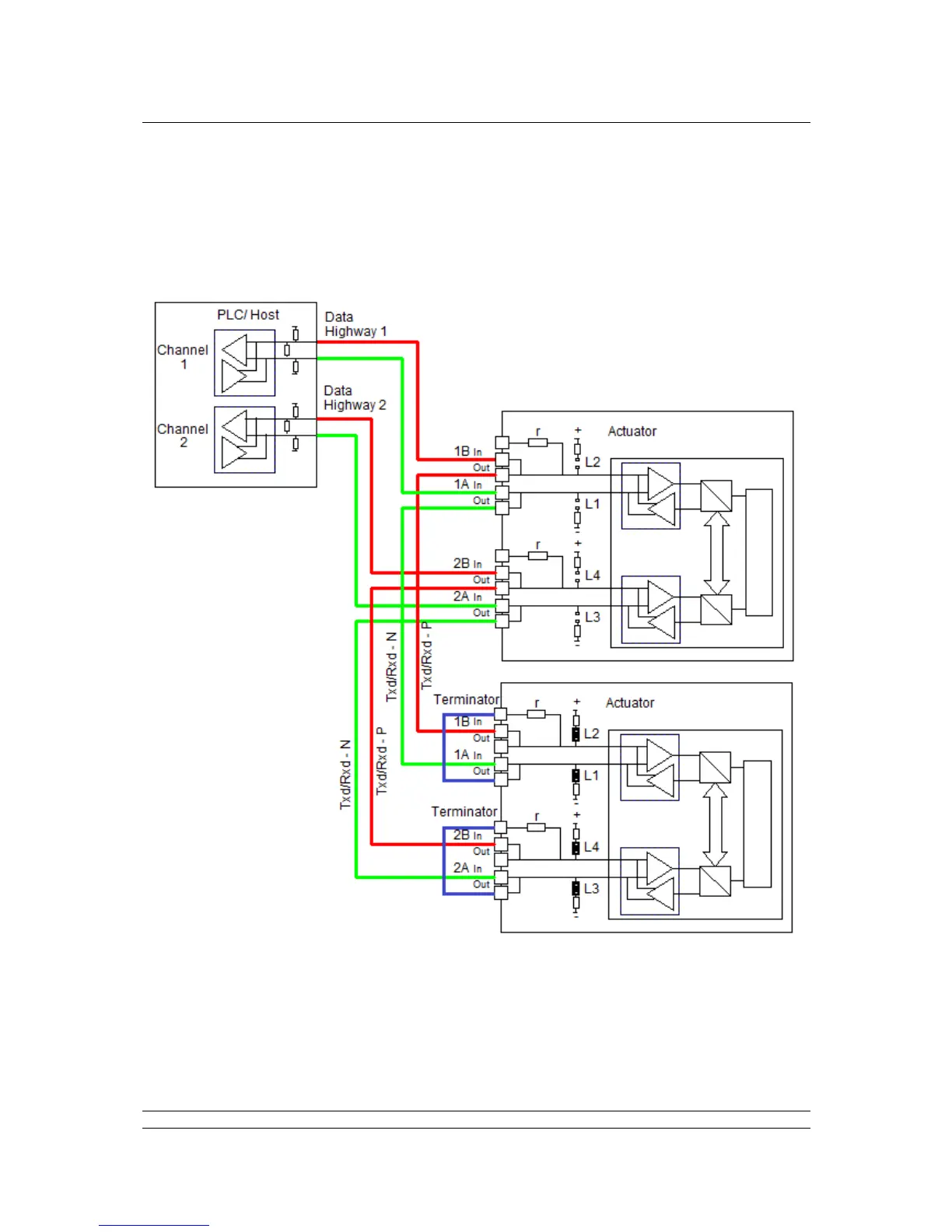
4.7.2 Dual Highway
The most common application of the Dual channel card is for Dual Highways in SR (System
Redundancy) applications. If FR (Flying Redundancy) is being used then a similar connection at the
actuator applies, but only one channel will require termination at the end of the highway. The choice
between Simple and RedCom compliant redundancy does not affect the connection options.
The connection of the actuator to the highway uses terminals 1A /1B (in and out terminals) on highway
1 and 2A / 2B (in and out terminals) on highway 2, the terminal numbers depend on the actuator type
and are indicated on the actuator wiring diagram. The highways should be arranged so as to eliminate
any stub connections. The last actuator on the highway should have the termination resistors
Fig 22: Dual Highway SR Mode Connections

Table of Contents

Related product manuals