EasyManua.ls Logo

Sam4s ER-420F - ASSY PRINTER (STM-320) Parts List

Sam4s ER-420F
86 pages
Print Icon
To Next Page IconTo Next Page
To Next Page IconTo Next Page
To Previous Page IconTo Previous Page
To Previous Page IconTo Previous Page
Loading...
6 Exploded Views and Parts List
6-6 SAM4S ER-420M/F SERIES
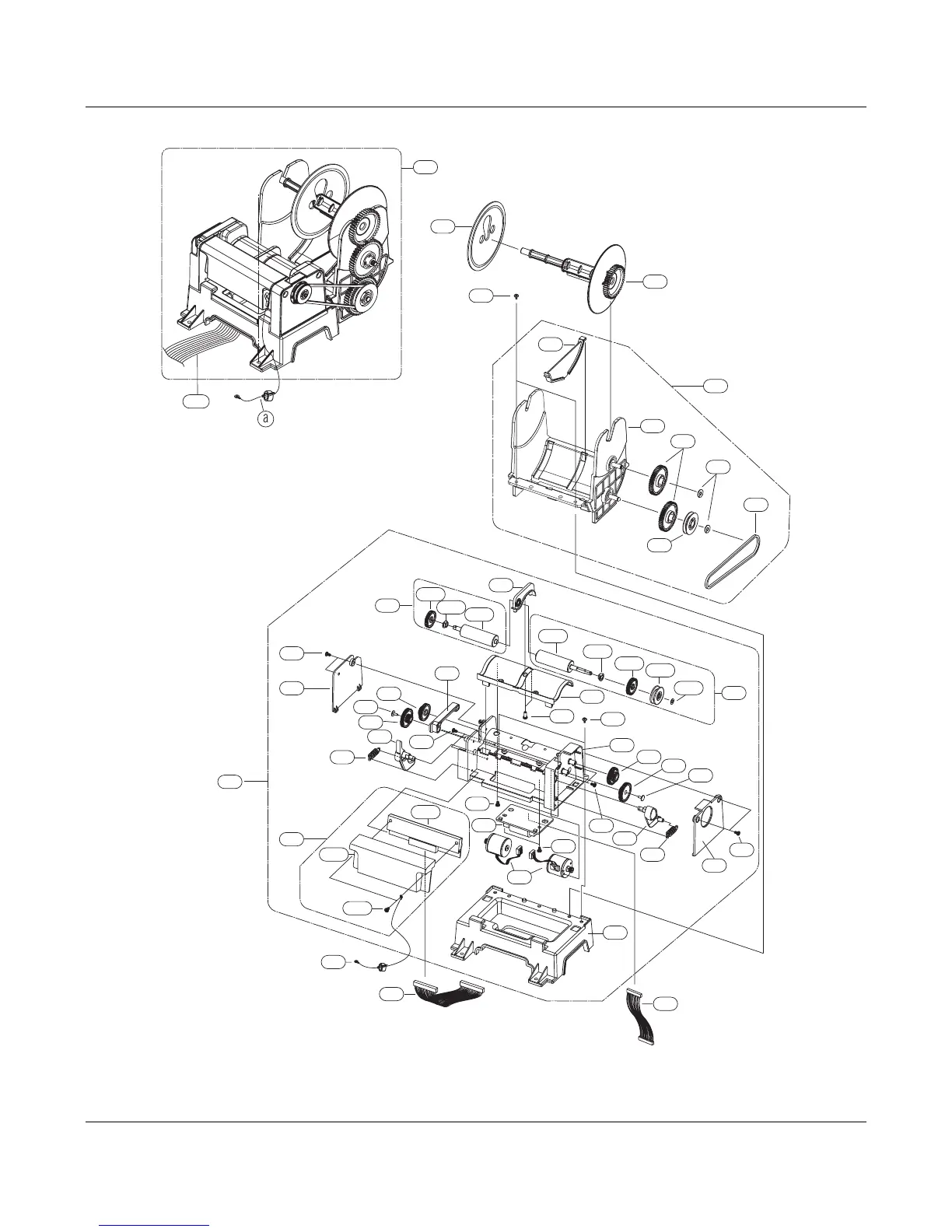
6-2 C. ASS’Y PRINTER (STM-320)
C
C-5-1
C-5-16
C-8
C-5-4
C-5-12
C-5-9
C-5-10
C-5-11
C-5-14
C-5-13
C-5-17
C-5-22
C-5-3
C-5-5
C-5-7
C-5-8
C-5-9
C-5-11
C-5-10
C-5-12
C-5-15
C-5-14
C-5-18
C-5-24
C-5-16
C-5-19
C-5-23
C-5-21
C-5-6
C-5-2
C-6
C-7
C-8
C-5-22-2
C-5-22-1
C-5-22-3
C-5
C-5-20
C-1
C-4
C-2
C-3
C-4-1
C-4-3
C-4-4
C-4-2
C-4-5
C-4-6
C-5-1-1
C-5-1-2
C-5-1-3
C-5-3-1
C-5-3-2
C-5-3-3
C-5-3-4
C-5-3-5
Figure 6-6 ASS’Y PRINTER(STM-320)

Table of Contents

Related product manuals