EasyManua.ls Logo

Samsung M2070F - System Diagram; System Block and Connection Diagrams

Samsung M2070F
122 pages
To Next Page IconTo Next Page
To Next Page IconTo Next Page
To Previous Page IconTo Previous Page
To Previous Page IconTo Previous Page
Loading...
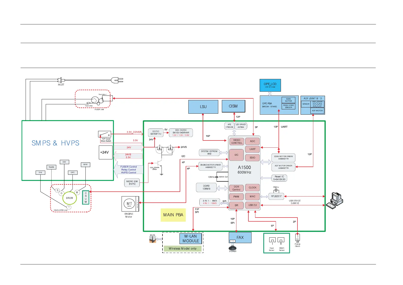
5.SystemDiagram
5.SystemDiagram
5.1.BlockDiagram
v
v
z
z
u
u
u
u
{
{
u
u
u
u
¿
¿
}} ¢¢
´
´
¹
¹
´
´
·
·
x
x
v
v
w
w
}
}
x
x
v
v
}
}
y
y
v
v
v
v
{
{
00
00
00
000
000
00
0
0
00
00
00
00
00
00
00
00
00
000
000
000
0
w
w
z
z
¿
¿
v
v
w
w
¿
¿
´´ ³³ ¹¹ ·· ´´ ±±
v
v
w
w
x
x
y
y
¤
¤
m
m
w
w
r
r
®
®
³
³
ª
ª
n
n
}
}
w
w
u
u
v
v
®
®
·
·
ª
ª
±
±
ª
ª
¸
¸
¸
¸
´
´
©
©
ª
ª
±
±
´
´
³
³
±
±
¾
¾
v
v
w
w
®
®
©
©
¹
¹
ª
ª
³
³
¸
¸
´
´
·
·
ª
ª
ª
ª
©
©
ª
ª
³
³
¸
¸
´
´
·
·
®
®
¨
¨
°
°
µ
µ
±
±
º
º
¹
¹
¨
¨
³
³
®
®
¹
¹
º
º
µ
µ
µ
µ
±
±
¾
¾
k
k
³³ ®®¹¹
ª
ª
·
·
²
²
´
´
¹
¹
¦
¦
¹
¹
ªª ·· ²² ®®¸¸ ¹¹ ´´ ·· vv
w
w
s
s
u
u
w
w
16P
4P
w
w
s
s
u
u
¢
¢
3P
12P
TOP C o ve r
Micro Switch
3.3 V
+24V
24VS
3.3 V
24V
FUS ER Control
Re lay Control
HVP S Control
y
y
~
~
}
}
y
y
4P
3.3V_CO VER
11P
S P I
10P
S P I
I2 C
y
y
~
~
}
}
y
y
y
y
~
~
}
}
y
y
12P
5P
2P
}
}
S P I
13P
ª
ª
¸
¸
ª
ª
¹
¹
r
r
{
{
y
y
v
v
u
u
x
x
u
u
x
x
t
t
v
v
u
u
u
u
v
v
u
u
y
y
x
x
v
v
s
s
w
w
t
t
v
v
s
s
z
z
t
t
x
x
s
s
x
x
t
t
z
z
|
|
{
{
y
y
v
v
v
v
5V
24V
tt
¢¢
3.3V_C OVER
OP EN
24VS
}
}
w
w
x
x
}
}
|
|
}
}
{
{
y
y
UAR T
¤
¤
¤
¤
¤
¤
¤
¤
¤
¤
rr
5-1Copyright©1995-2013SAMSUNG.Allrightsreserved.

Table of Contents

Related product manuals