EasyManua.ls Logo

Sanwa PC20TK - Page 27

Sanwa PC20TK
44 pages
Print Icon
To Next Page IconTo Next Page
To Next Page IconTo Next Page
To Previous Page IconTo Previous Page
To Previous Page IconTo Previous Page
Loading...
25
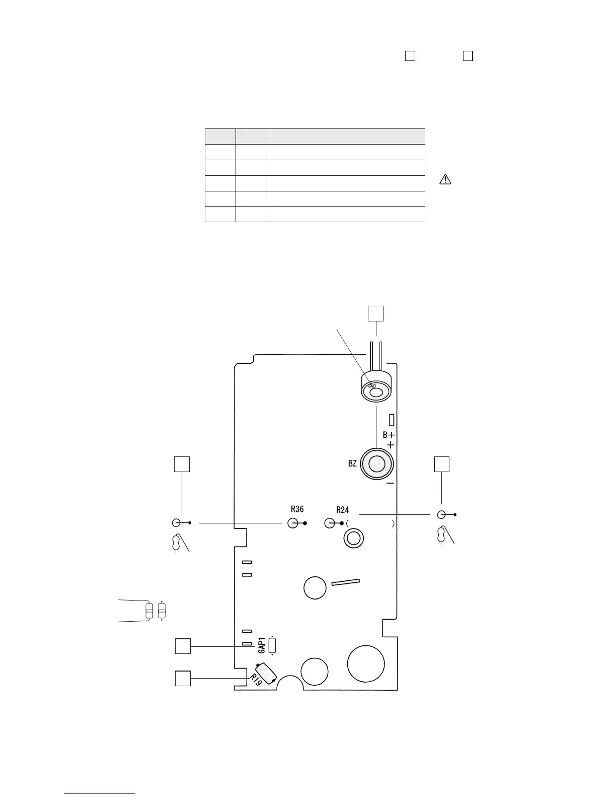
4 BZ : Buzzer
5 R24 : Resistor: 1 Ω
6 R36 :
Resistor: 10 MΩ (with lead wire)
7 GAP1 : Spark gap
8 R19 : Thermistor (PTC)
Check
Order Name of component
2. Mounting components on silk-screen printed surface (part 1):
4
through
8
Insert the lead wires of each component into the specified holes in the printed circuit board
and then solder them on the opposite mounted surface.
Be sure to check the polarities of the buzzer.
No components other than the buzzer have polarities.
Fig. 4-7: (Part 1)
After soldering, cut
off the protruding
lead wire with a
nipper.
4
BZ : Buzzer
Be careful about
polarities (mark
on positive side)
5
R24 : 1 Ω
R19 :
Thermistor
7
8
6
R36 : 10 MΩ
Spark gap
(Irrelevant of polarity)
D4 mounted
GAP1 :

Related product manuals