EasyManua.ls Logo

Sanyo PLC-SU20E - Page 48

Sanyo PLC-SU20E
100 pages
Print Icon
To Next Page IconTo Next Page
To Next Page IconTo Next Page
To Previous Page IconTo Previous Page
To Previous Page IconTo Previous Page
Loading...
-48-
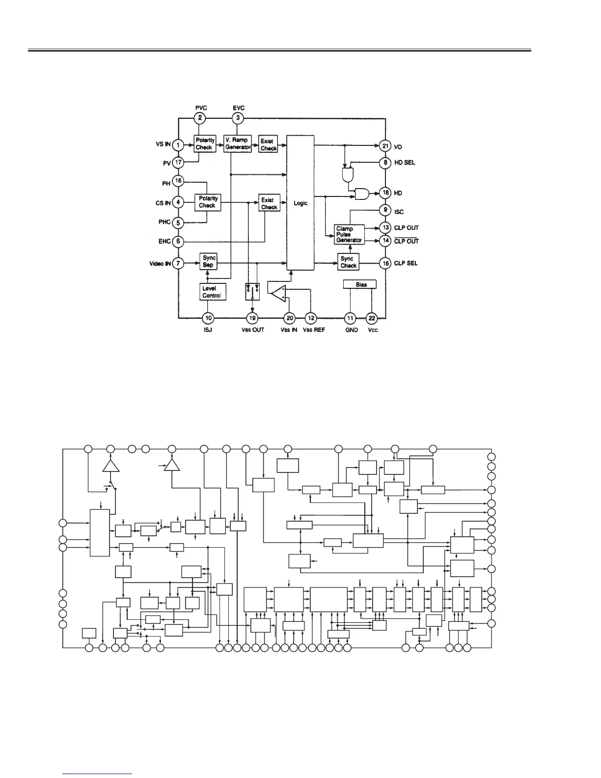
IC Block Diagrams
H.DRIVE
GATE
50 / 60 ID
INTERLACE
GATE
V FREQ
C MODE
SCP BGR / BGF
1 / 32
32f
H
VCO
2fH
WIDE
Sawtooth
Gen.
PHASE
SHIFT
Count Down
525 / 625
Send
Castle
PHASE
DET.
H SYNC
SEP
V SYNC
SEP
D PICAGING
DC
TRAN
DC
TRAN
CLP
D PIC
INTER
-LACE
PHASE
DET
H POSI
AFC
WIDE
parabola
Gen.
VPOSI,VOFF
VSIZE
36
44
42
DVcc2
DVcc1
37 HD OUT
10 SCPOUT
30 VTIM
34 VAGCSH
35 SAWOSC
22 R OUT
33 E-WOUT
24 G OUT
26 B OUT
27
252321
IKIN
BSH
28
ABLIN/
VCOMP
29
ABLFIL
19
B2IN
18
G2IN
17
R2IN
16
YM
15
YS2
14
B1IN
13
G1IN
12
R1IN
11
YS1
8
- (B-Y) IN
7
- (R-Y) IN
1Vp-p
6
YRET
5
YOUR
4
- (B-Y) OUT
3
- (R-Y) OUT
1
SECAMREF
61
X443
64
FSCOUT
62
X358
60
APCFIL
43
9
IREF
GSH
RSH
32
VD+OUT
/VPROT
31
VD-OUT
/VPROT
DGND
VLIN,SCORR
GB CUT
BLK
CUT
OFF
GB
DRV
AKB
ABL
DIG
CLP
CLP
DEM
HUE
COLOR SW
SUB COLOR
TRAP F0
SUB CONT
TRAP OFF
DL
SHARP
SHARP
NESS
DL
CV / YC
EXT
SYNC
6dB
2Vp-p
VM OFF
TRAP
TOT
PRE / OVER
TOTACC
HUE
VCO
APC
SGND2
2SGND1
20SVcc2
59SVcc1
57CIN
55YIN
53CVIN
56
EXT SYNC IN
48
SYNCOUT
51
SOA
50
SCL
49
VM
54
DCTRAN
52
BLHOLD
45
VSFIL
46
VSIN
47
HSIN
40
AFCFIL
41
CERA
38
AFCPIN /
HOFF
39
L2FIN
1Vp-p
ACC
DET
SUB
CONT
VIDEO
SW
IREF
XTAL
fsc B-Y
fsc R-Y
COL
PIC
YS / YM
SW
YS
SW
Y / C
MIX
fsc
ID
PA L
ID
DEM
AXIS
PAL /
NTSC
KILLER
DET
COLOR
& AXIS
YS1 OFF
PIC
D-
COL
`
D-COL
`
OSD
MIX
GB DRV
BRT
BRT
AKB OFF
EHT H,V
HV
COMP
CXA2076Q <Video/Chroma, IC1101>
CXA2016S <Sync Separator, IC3031>

Related product manuals