EasyManua.ls Logo

Sanyo PLC-SU20E - IC Block Diagrams

Sanyo PLC-SU20E
100 pages
Print Icon
To Next Page IconTo Next Page
To Next Page IconTo Next Page
To Previous Page IconTo Previous Page
To Previous Page IconTo Previous Page
Loading...
-47-
IC Block Diagrams
REFERENCE
CLOCK
CPU
CLOCK
OUTPUT
BUFFERS
2XCPU
CPU
AGND
POWER-DOWN
GND
VDD
14.318MHz
14.318MHz
SCLK20-22
3
14.318MHz
crystal
OE
17
18
10
8
9
12
15
16
14
13
11
19
20
3
2
7
1
6
KBCLK
BUSCLK
FDCLK
COMMCLK
OUTPUT
BUFFERS
PERIPHERAL
CLOCK
AV9155C <PLL, IC1301>
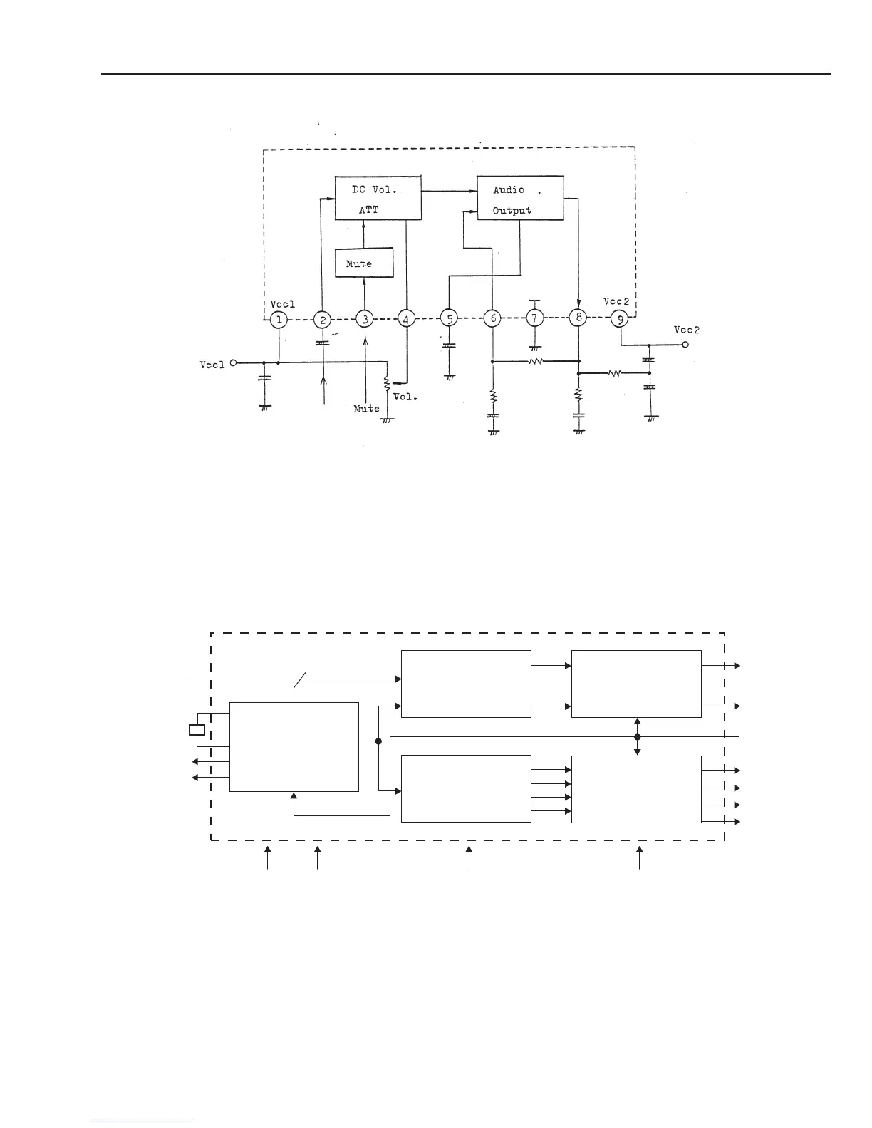
AN5265 <AUDIO OUTPUT, IC001>

Related product manuals