EasyManua.ls Logo

SATO s84ex - Page 74

SATO s84ex
380 pages
To Next Page IconTo Next Page
To Next Page IconTo Next Page
To Previous Page IconTo Previous Page
To Previous Page IconTo Previous Page
Loading...
4 Operation and Configuration
72
S84-ex/S86-ex Operator Manual
OFFSET VOLUME
The setting values of the adjustment mode are shown.
PITCH: Shows the print position offset value.
OFFSET: Shows the stop position offset value.
DARKNESS: Shows the darkness setting value.
You can change these values in Adjustment Mode and Test Print Mode.
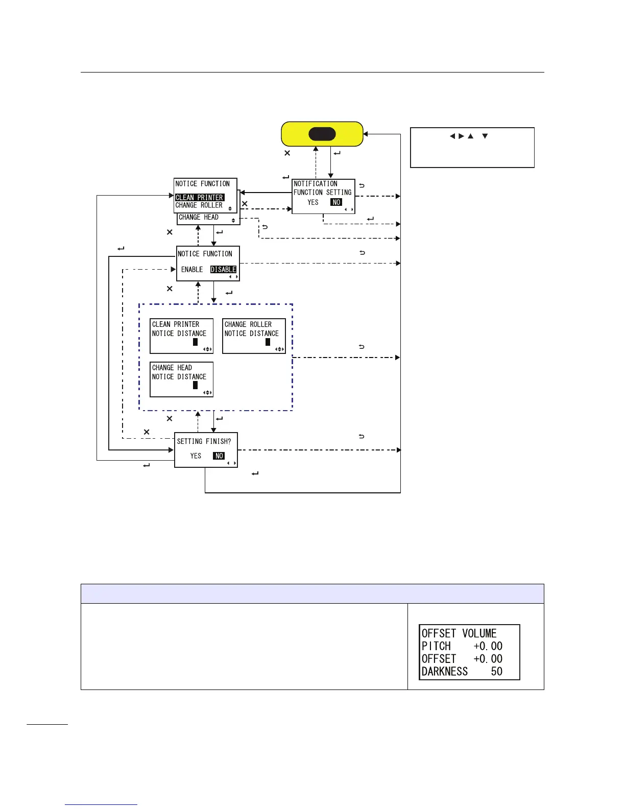
* Press the , , or button to
select an item or set the value
accordingly. The active arrow icons
are shown on the screen.
button
button
button
button
button
button
button
Select NO + button
button
Select ENABLE
+ button
button
P
NP
NP
button
button
Select DISABLE
+ button
button
Select YES +
button
button
button
Select NO + button
Select YES + button
U-A

Table of Contents

Other manuals for SATO s84ex

Related product manuals