EasyManua.ls Logo

Schwing SP 305 - Technical Schematics and Lubricant Data

Schwing SP 305
104 pages
Print Icon
To Next Page IconTo Next Page
To Next Page IconTo Next Page
To Previous Page IconTo Previous Page
To Previous Page IconTo Previous Page
Loading...
Appendix
SP 305
Startup 250:Users:Danny:Desktop:Operation manuals:line pumps:maverick
(P305):Appendix.fm
Operation Manual -
95
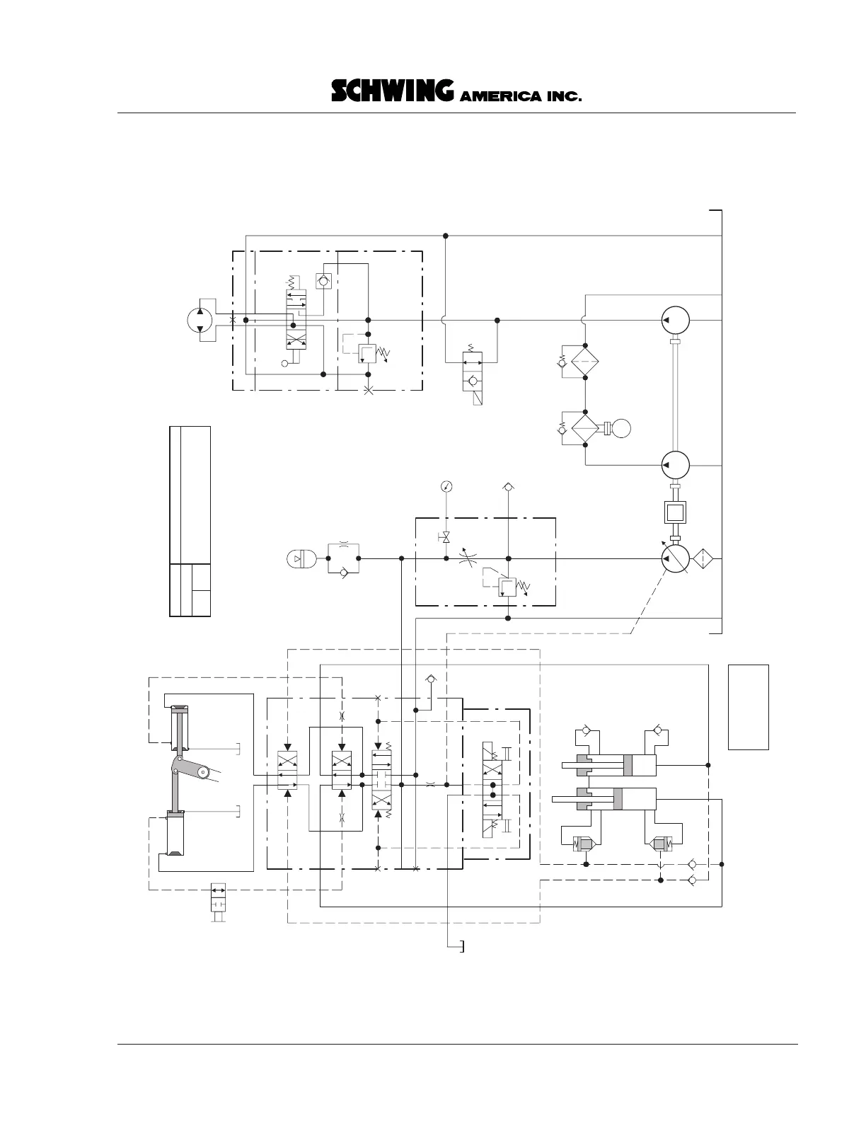
Hydraulic Schematic—Concrete Pump SP305 - Schematic
T
M
HYDRAULIC SCHEMATIC
P305
Note:
Pressures are set to the
accuracy of the gauge as
received from the
manufacturer.
Rev. 032508
SAIE 10260
Change
initials
New release
MB
mm 3.1mm 3.1
1.5 mm
XB1
B1
XB
XP
P
MP1
BA
T
P
MP
P
X
T1
MP
S
XA1
A2
B2
A1
XA
XR
SP
T2
T
S1
NG6
S2
S3
1450 psi
450 bar
1800 psi
124 bar
2900 psi
200 bar
2500 psi
172 bar
30 psi
2 bar
35 psi
2.4 bar
A10V 45 DFLR
Cooler
10u Filter
Agitator
E-Stop
Agitator
(Optional)
Home
TOC
Home
TOC
PrintPrint

Table of Contents

Related product manuals