EasyManua.ls Logo

Schwing SP 305 - Electric Schematic Ce;Tier III SP305

Schwing SP 305
104 pages
Print Icon
To Next Page IconTo Next Page
To Next Page IconTo Next Page
To Previous Page IconTo Previous Page
To Previous Page IconTo Previous Page
Loading...
Appendix
SP 305
Startup 250:Users:Danny:Desktop:Operation manuals:line pumps:maverick
(P305):Appendix.fm
Operation Manual -
97
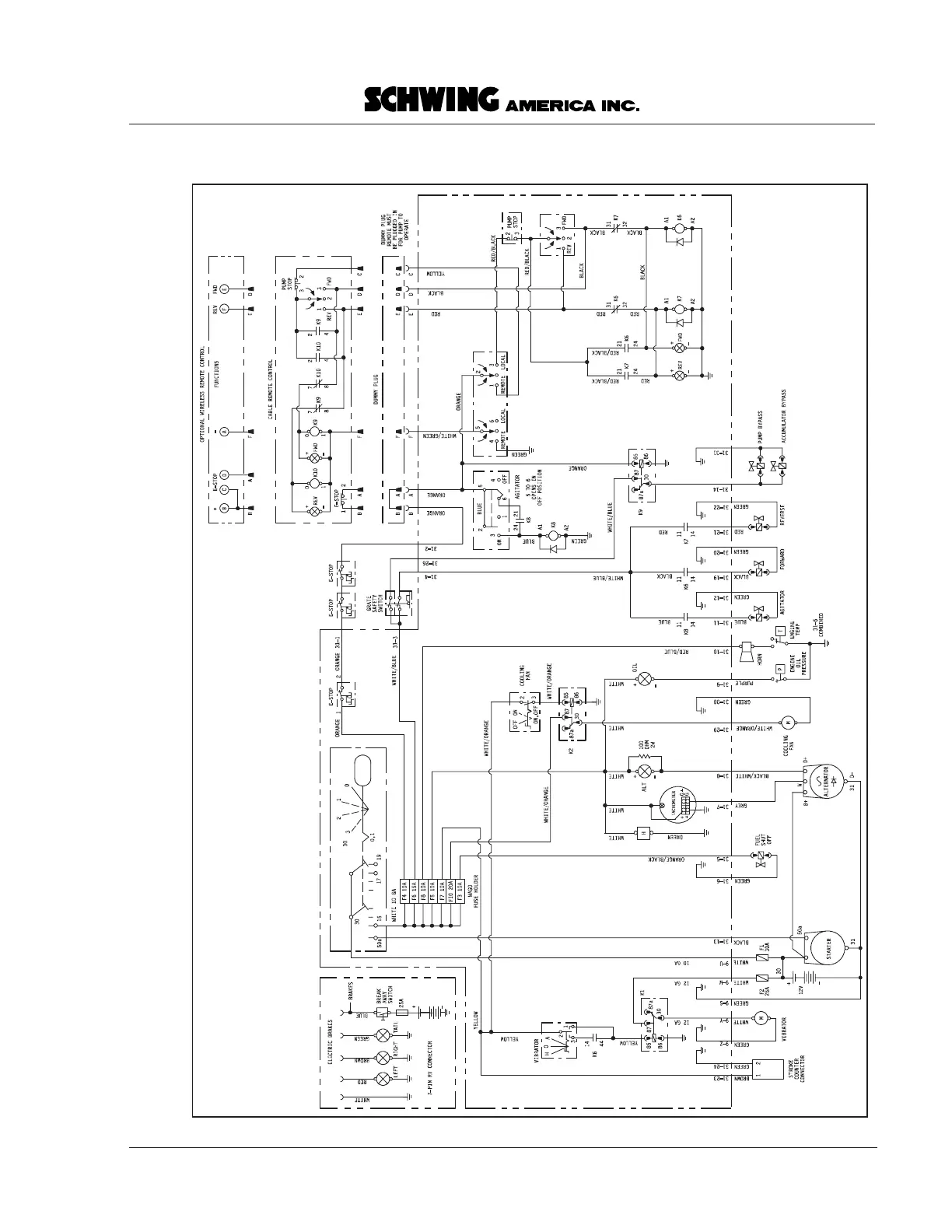
Electric Schematic CE/Tier III SP305
ELECTRICAL SCHEMATICS
SP 305 CE Tier/COM III
SP305-- CE Tier/ComIII
Home
TOC
Home
TOC
PrintPrint

Table of Contents

Related product manuals