EasyManua.ls Logo

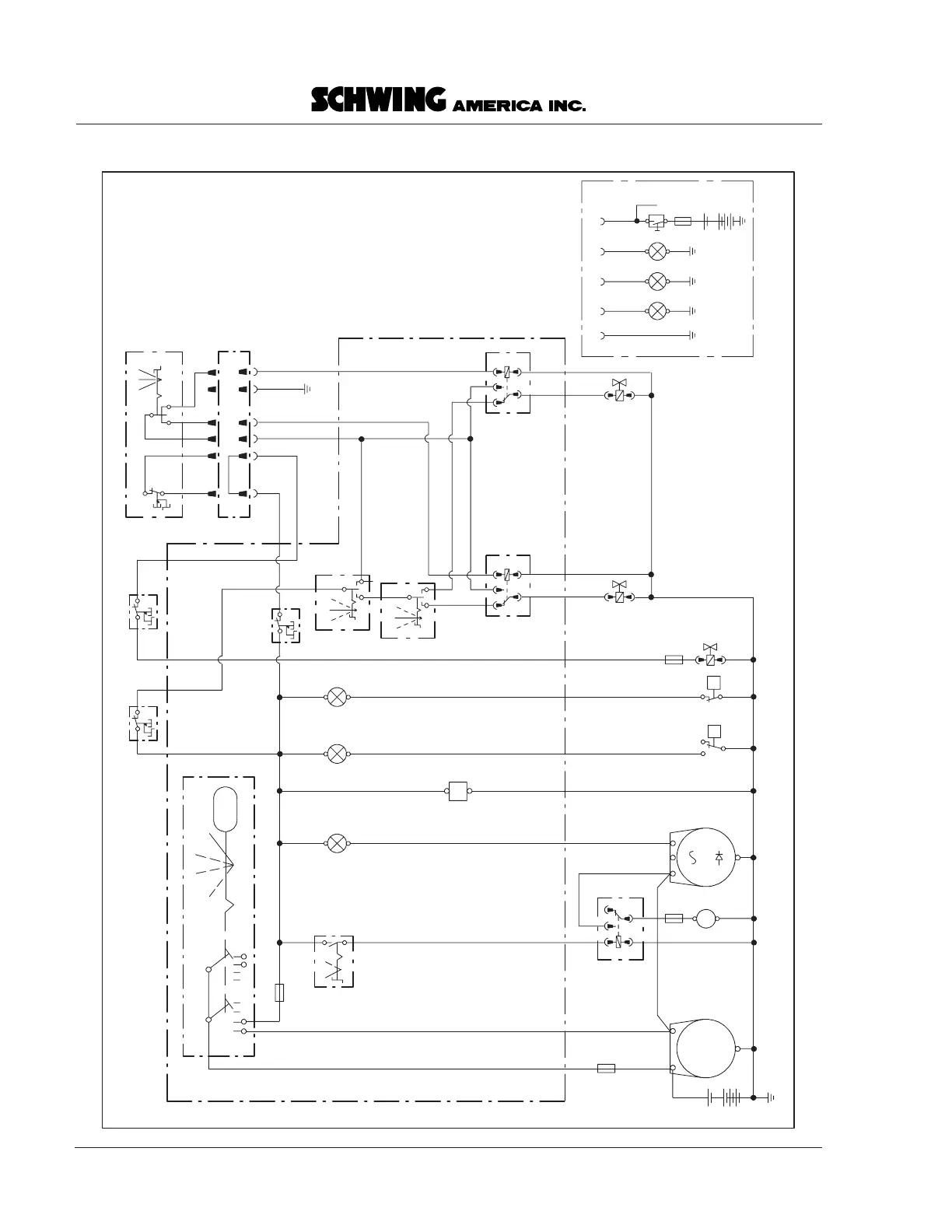
Schwing SP 305 - Electrical Schematic SP305 - 2004 Electric

Schwing SP 305
104 pages
Print Icon
To Next Page IconTo Next Page
To Next Page IconTo Next Page
To Previous Page IconTo Previous Page
To Previous Page IconTo Previous Page
Loading...
Appendix
Operation Manual -
SP 30596
revDate
Electrical Schematic SP305 - 2004 Electric
40/52/20
503P
KCALB
WOLLEY
EGNARO
EGNARO
POTS-EHCT
I
WSET
ARGREPP
O
H
E
T
IHW
PURPLE
ORANGE
L
I
O
T
GREY
1
F
GN
I
GRAHC
0
12
3
0
3
1,0
BLACK/WHITE
+D+
B
R
OT
A
N
R
ET
L
A
EG
N
A
R
O
9
171
W
5
1
a
05
03
12G WHITE
N
AF
H
POTS-E
a
05
03
R
E
TRATS
1
3
V21
--
+
L
E
U
F
NE
E
R
G
1
3
--D
P
1K
L
O
R
58
03
a
78
78
6
8
GULPYMMUD
RED
GREEN
LORTNOCETOMERELB
AC
POTS-E
EFDCAB
E
FDCAB
EFDCAB
A
5
1
EN
IGNE
R
UOH
EN
IG
N
E
L
I
O
BLACK
T
U
H
S
F
F
O
P
METLIO
R
E
T
EM
ER
U
S
S
E
R
P
0
3
58
a
7
8
78
68
3K
LIO
M
R
E
LO
O
C
2F
A03
WHITE
ERUSSERPPMET
2K
58
03
a78
78
68
ESR
E
V
ER
DRAWR
O
F
P
N
R
LIATTHGIRTFEL
BROWN
YELLOW
WHITE
GREEN
BLUE
KAER
B
YAWA
BRAKES
--
+
HCT
IW
S
SEKARBCIRTCELE
A52
DWF
NO,FFO,
N
O
VERN
E
TO
M
E
RGULPYMMUD
NIDEGGULPEBTSUM
ETAREPOO
T
PMUPRO
F
BLACK
DER
BLACK
WHITE/ORANGE
NE
ER
G
E
RAS
ER
IWD
NU
OR
G
LLA:ET
ON
RED
3
F
A
0
2
4F
A01
Home
TOC
Home
TOC
PrintPrint

Table of Contents

Related product manuals