EasyManua.ls Logo

SEA GATE 2 - ANTENNA AND SENSOR CONNECTIONS; Antenna Connection; Encoder Adjustment Procedure; Safety Gate (Encoder) Functionality

SEA GATE 2
24 pages
Print Icon
To Next Page IconTo Next Page
To Next Page IconTo Next Page
To Previous Page IconTo Previous Page
To Previous Page IconTo Previous Page
Loading...
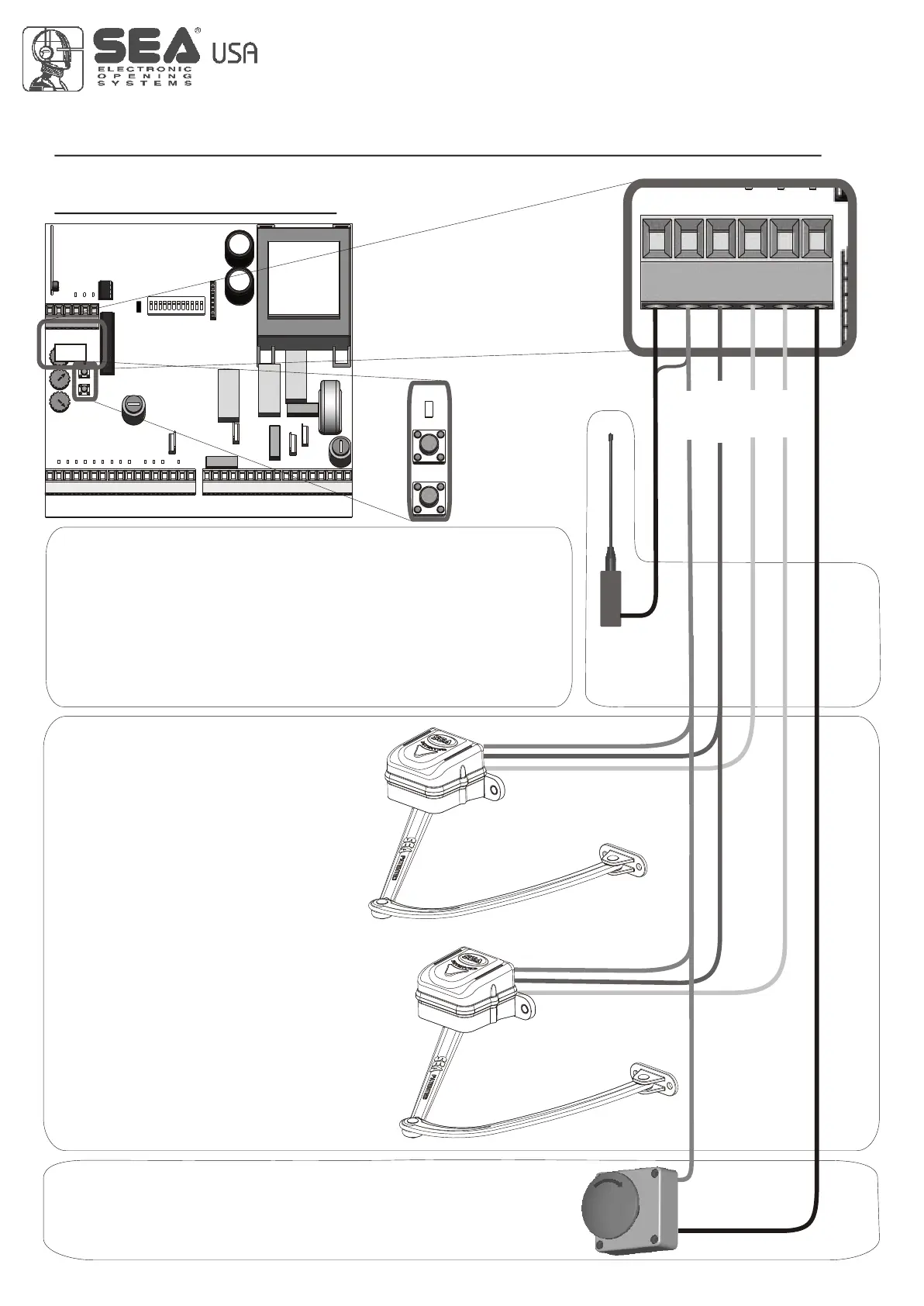
CN1
1 2 3 4 5 6
-
+
SAFETY GATE
SAFETY GATE
1
2
2
3
4
2
3
5
2
6
CN4
P1
P2
LEDP
ANTENNA, SAFETY GATE, STOP BUTTON
CONNECTIONS
White
Brown
Green
White
Antenna
Connect the
antenna as in the
picture.
Stop Button
The pressure of this button stops immediately the motors in any
condition /position. With the following start impulse the gate will always
go in closure.
Note: if it is not used, make a jumper between terminals n° 2 and 6.
Encoder adjustment procedure on board of the control unit
1. Keep pressed both Ptime and Pcode buttons for 3 seconds until ledP turns on..
2. The led turns on and stays on for 1 second, afterwards it reproduces the number of
flashes corresponding to the level of the set encoder sensibility (from 1 to 15, where 15
stands for the maximum insensibility)
3. If the set level is not suitable, press the push-button Pcode to increase or Ptime to
decrease it. Every impulse corresponds to the increase or the decrease of one unity.
4. After 1 second from the last pressure of the push-button the set sensibility level will be
shown through the corrisponding number of flashes.
5. After 3 seconds from the visualization, the procedure will be left and the ledP
switches off.
Note: Execute the adjustment with still- standing gate.
International registered trademark n. 2.777.971
GATE 2
Encoder (reversing sensor) on motor 2 (DIP8
ON)
The encoder or Safety Gate is a system which
detects any obstacle during the operating of the
gate.
When activated the motor reverses for 1 sec. It is
set in the factory on a middle level but can be
modified. Low sensibility levels do not allow a fast
inversion as required by the En12453 rules.
Note: After two consecutive inversions the
BUZZER will be activated.
Encoder (reversing sensor) on motor 1 (DIP8
ON)
The encoder or Safety Gate is a system which
detects any obstacle during the running of the
gate.When activated the motor reverses for 1 sec.
Note: With the PALM device or through the
pushbuttons Ptime and Pcode on board of the
control unit. it is possible to adjust the
sensibility of the encoder on a scale from 0 to
15, where 0 indicates the max. sensibility
during the inversion.
Note: Every time when there is no current
supply and after every osbstacle the
automation, when no limit switches are
installed, will proceed slowly until it reaches
the stop.
16
REV 05 - 10/2010

Other manuals for SEA GATE 2

Related product manuals