EasyManua.ls Logo

Siemens 6RA8018-6DV62

Siemens 6RA8018-6DV62
758 pages
To Next Page IconTo Next Page
To Next Page IconTo Next Page
To Previous Page IconTo Previous Page
To Previous Page IconTo Previous Page
Loading...
Connecting
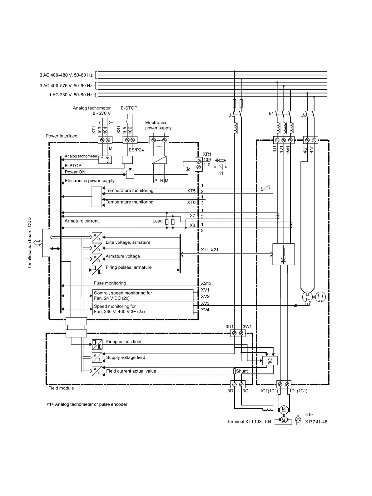
6.3 Block diagram with connection suggestion
SINAMICS DCM DC Converter
122 Operating Instructions, 12/2018, A5E34763375A
900 A to 1200 A devices with option L21, single-phase fan connection
Figure 6-24 Block diagram for 900 to 1200 A devices, 1-phase fan connection

Table of Contents

Related product manuals