EasyManua.ls Logo

Siemens 6RA8018-6DV62

Siemens 6RA8018-6DV62
758 pages
To Next Page IconTo Next Page
To Next Page IconTo Next Page
To Previous Page IconTo Previous Page
To Previous Page IconTo Previous Page
Loading...
Additional system components
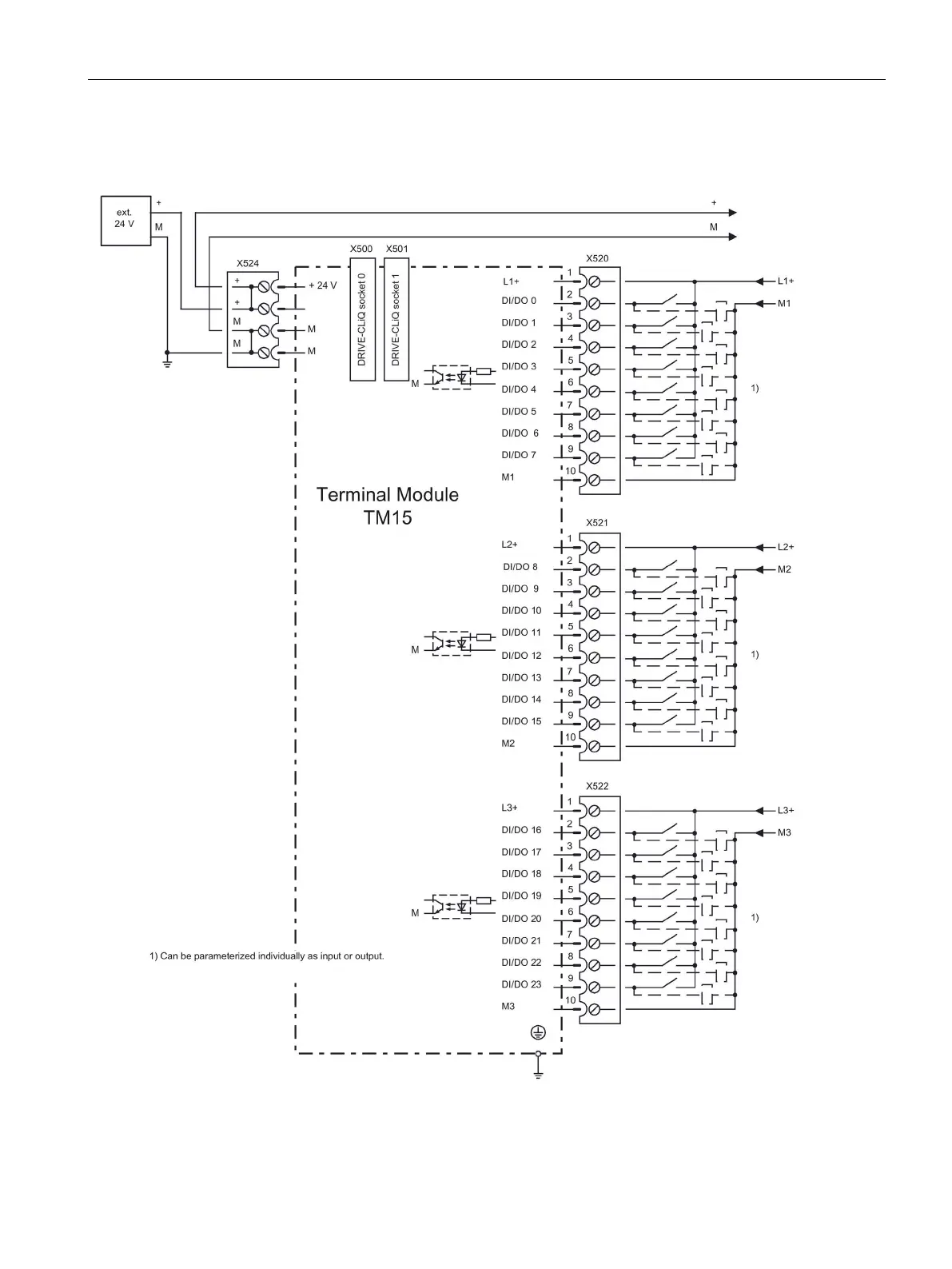
7.4 Terminal Module TM15
SINAMICS DCM DC Converter
Operating Instructions, 12/2018, A5E34763375A
229
7.4.4
Connection example
Figure 7-19 Example connection of TM15

Table of Contents

Related product manuals