EasyManua.ls Logo

Siemens 6RA8018-6DV62

Siemens 6RA8018-6DV62
758 pages
To Next Page IconTo Next Page
To Next Page IconTo Next Page
To Previous Page IconTo Previous Page
To Previous Page IconTo Previous Page
Loading...
Descriptions of functions
10.16 Technology controller
SINAMICS DCM DC Converter
576 Operating Instructions, 12/2018, A5E34763375A
Commissioning with STARTER
The "technology controller" function module can be activated via the commissioning wizard
or the drive configuration (configure DDS).
You can check the actual configuration in parameter r0108.16.
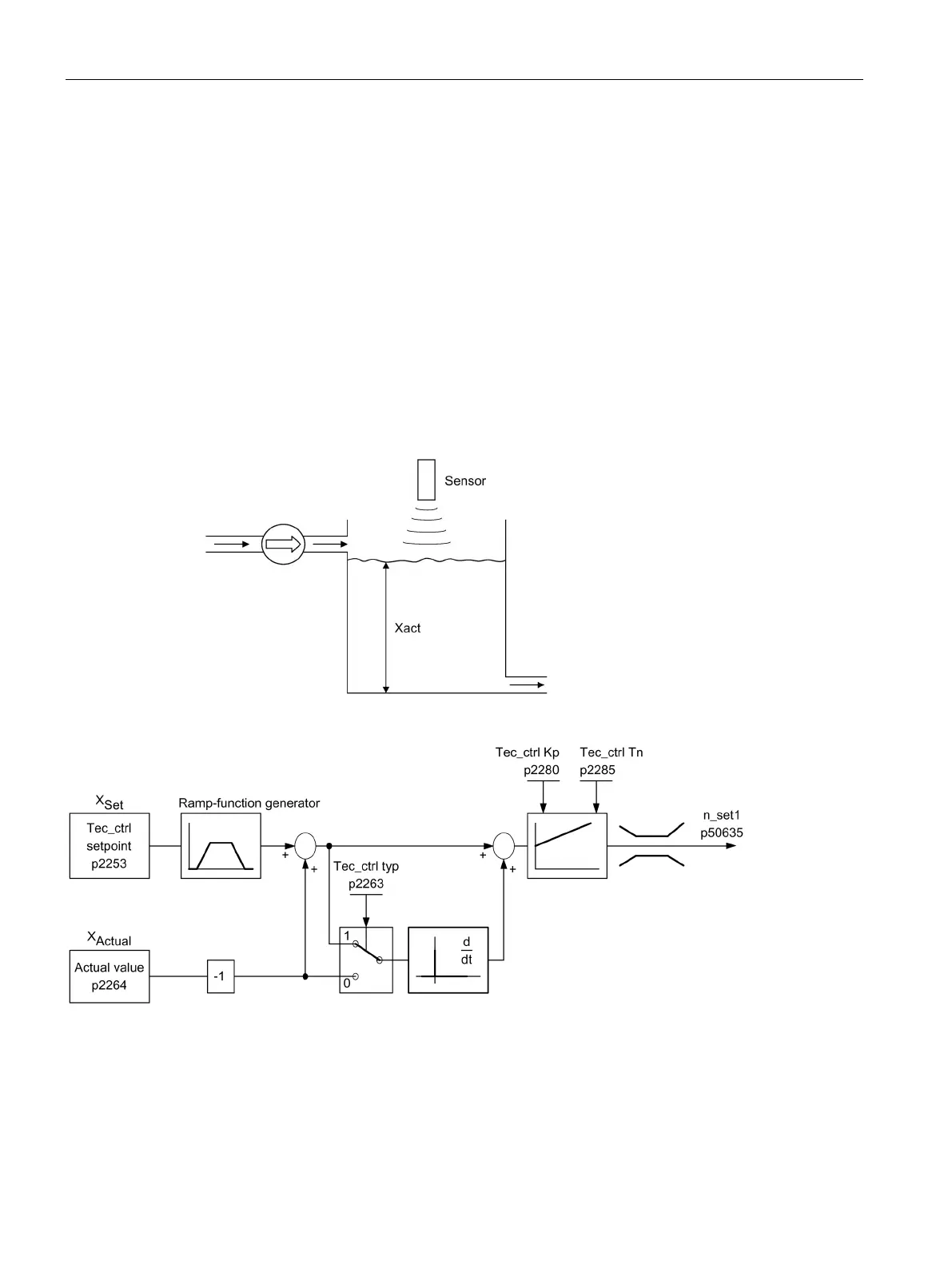
Application example: Level control
The objective here is to maintain a constant level in the container.
This is carried out by means of a variable-speed pump in conjunction with a sensor for
measuring the level.
The level is determined via an analog input and sent to the technology controller. The level
setpoint is defined in a fixed setpoint. The resulting controlled variable is used as the setpoint
for the speed controller.
Figure 10-61 Level control: Application
Figure 10-62 Level control: Controller structure

Table of Contents

Related product manuals