EasyManua.ls Logo

Siemens 6RA8018-6DV62

Siemens 6RA8018-6DV62
758 pages
To Next Page IconTo Next Page
To Next Page IconTo Next Page
To Previous Page IconTo Previous Page
To Previous Page IconTo Previous Page
Loading...
Connecting
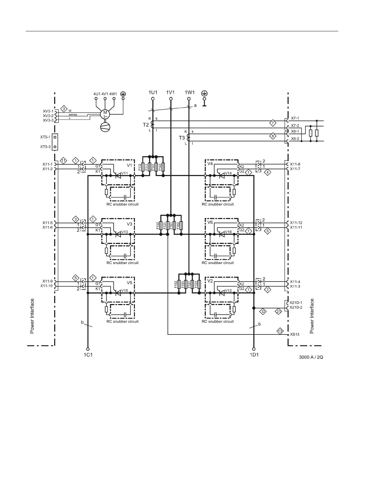
6.4 Power connections
SINAMICS DCM DC Converter
130 Operating Instructions, 12/2018, A5E34763375A
400 V/3000 A, 575 V/2800 A, 690 V/2600 A, 950 V/2200 A/2Q devices
6RA8096-4MS22-0AA0, 6RA8097-4GS22-0AA0, 6RA8097-4KS22-0AA0,
6RA8098-4DS22-0AA0
a = 120 x 10 mm, b = cross-section 60 x 10 mm / width 323 mm
Figure 6-31 Power connections for 2200 to 3000 A/2Q devices

Table of Contents

Related product manuals