EasyManua.ls Logo

Siemens 6RA8018-6DV62

Siemens 6RA8018-6DV62
758 pages
To Next Page IconTo Next Page
To Next Page IconTo Next Page
To Previous Page IconTo Previous Page
To Previous Page IconTo Previous Page
Loading...
Additional system components
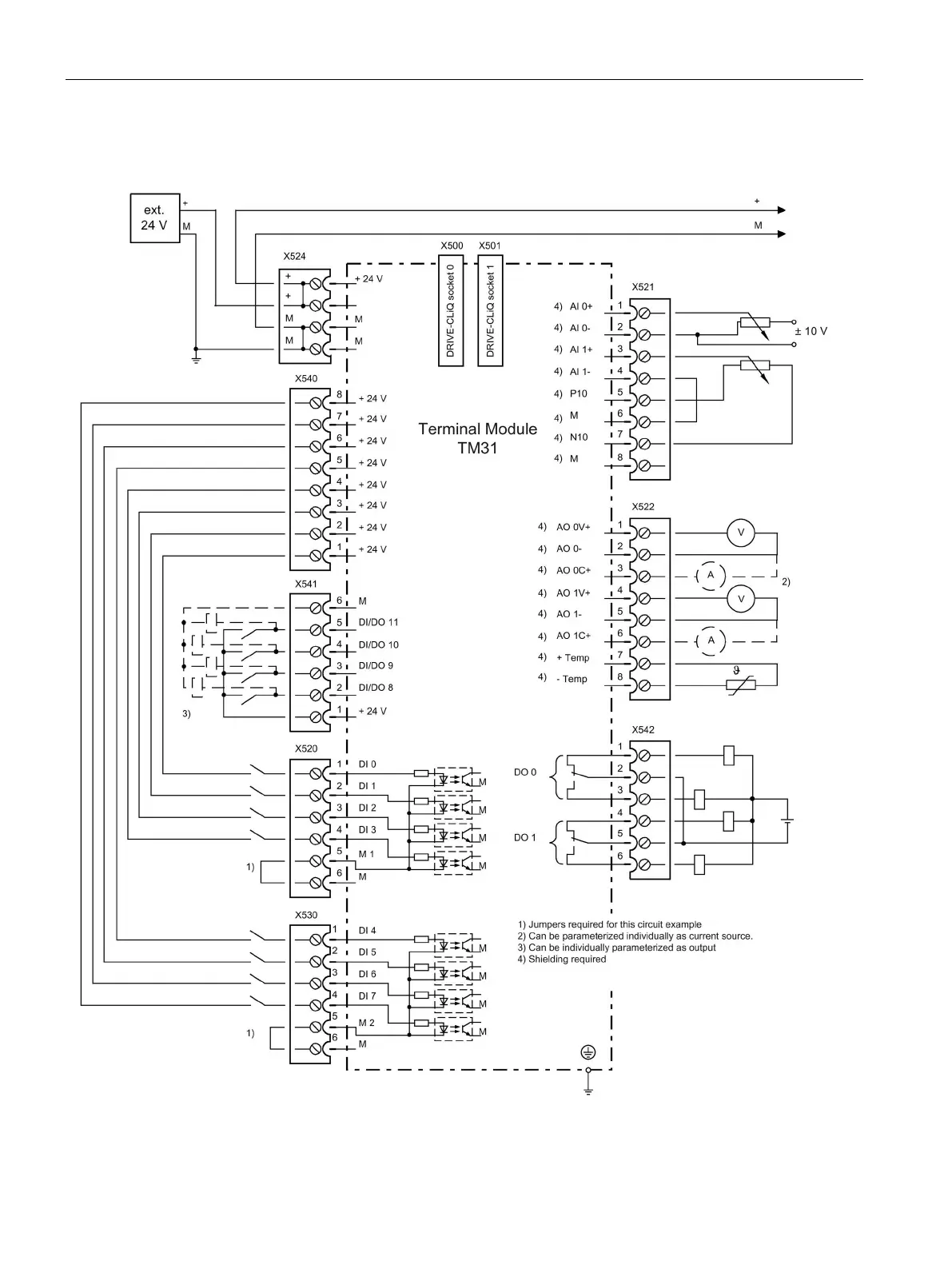
7.5 Terminal Module TM31
SINAMICS DCM DC Converter
248 Operating Instructions, 12/2018, A5E34763375A
7.5.4
Connection example
Figure 7-25 TM31 connection example

Table of Contents

Related product manuals