EasyManua.ls Logo

Siemens 6RA8018-6DV62

Siemens 6RA8018-6DV62
758 pages
To Next Page IconTo Next Page
To Next Page IconTo Next Page
To Previous Page IconTo Previous Page
To Previous Page IconTo Previous Page
Loading...
Functional safety
13.5 Application examples
SINAMICS DCM DC Converter
716 Operating Instructions, 12/2018, A5E34763375A
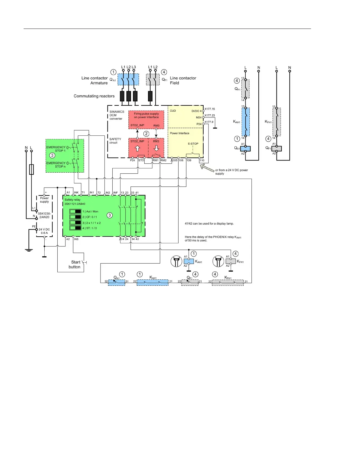
STO application with line contactor
First channel (blue): Line contactor armature + armature auxiliary contactor
Second channel (red): Firing pulse circuit, SAFETY circuit
Safety components (green)
Contact blocks for field excitation (gray): Line contactor field + field auxiliary contactor (also as the field contactor is
usually controlled as well)
Figure 13-3 STO application with line contactor

Table of Contents

Related product manuals