EasyManua.ls Logo

Siemens SIMATIC FM 353 - Stepper Motor Control System

Siemens SIMATIC FM 353
361 pages
To Next Page IconTo Next Page
To Next Page IconTo Next Page
To Previous Page IconTo Previous Page
To Previous Page IconTo Previous Page
Loading...
Description of Functions
9-66
FM 353 Stepper Drive Positioning Module
6ES7 353-1AH01-8BG0
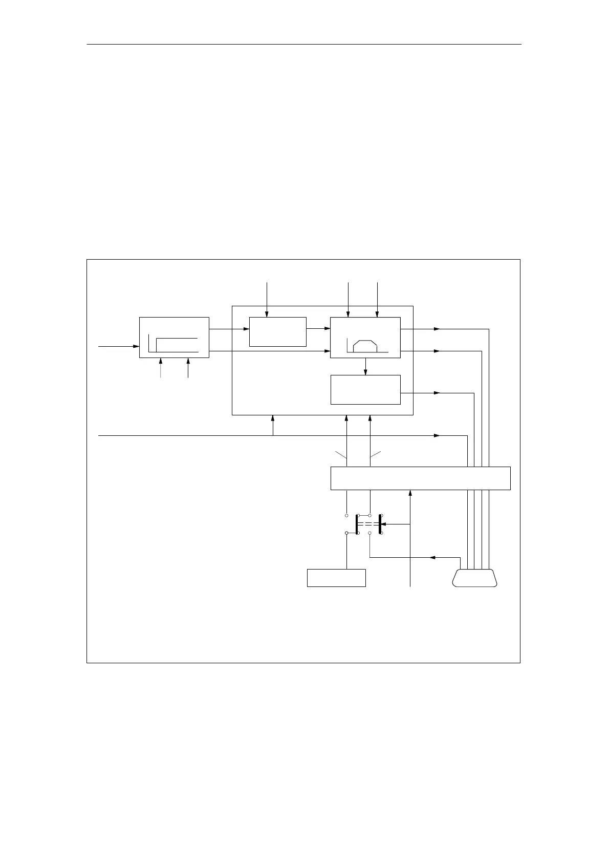
9.7 Stepper motor control system
Overview
Actuation of the stepper drive for controlling the movement sequence takes place
by way of the signals “Pulse” (frequency) and “Direction”. These signals are gener-
ated by a frequency generator in each operating mode of the FM 353. The pulse
width is a constant 50% of the period of the maximum frequency parameterized.
The diagram 9-6 gives you an overview of the function units and the machine data
acting upon them.
s
t
Interpolator
Setpoint
value
Backlash
compensation
v
s
f generation
f
t
Phase current
control
Stepper mo-
tor control
MD30, MD31 MD39...MD47
active/inactive high/low
X2
to the drive
X1
Peripherals
Enable servo controller
MD37
Servo ready
Boost/PWM
Pulse
Direction
Current-sourcing pattern zero or
zero pulse external
MD21 Software limit switches, beginning
MD22 Software limits switches, end
MD30 Backlash compensation
MD31 Directional reference of backlash
MD37 Special control signals
MD39 Start/Stop frequency
MD40 Frequency value for acceleration switchover
MD41 Maximum frequency
MD42 Acceleration 1
MD43 Acceleration 2
MD44 Delay 1
MD45 - Delay 2
MD46 Minimum idle time between two positioning cycles
MD47 Minimum traversing time at constant frequency
MD21 MD22
Fig. 9-6 Overview of stepper motor control system

Table of Contents

Related product manuals