EasyManua.ls Logo

Siemens SINAMICS S120 - Page 144

Siemens SINAMICS S120
530 pages
To Next Page IconTo Next Page
To Next Page IconTo Next Page
To Previous Page IconTo Previous Page
To Previous Page IconTo Previous Page
Loading...
Fundamental Principles and System Description
Engineering Information
SINAMICS Engineering Manual – November 2015
Ó Siemens AG
144/528
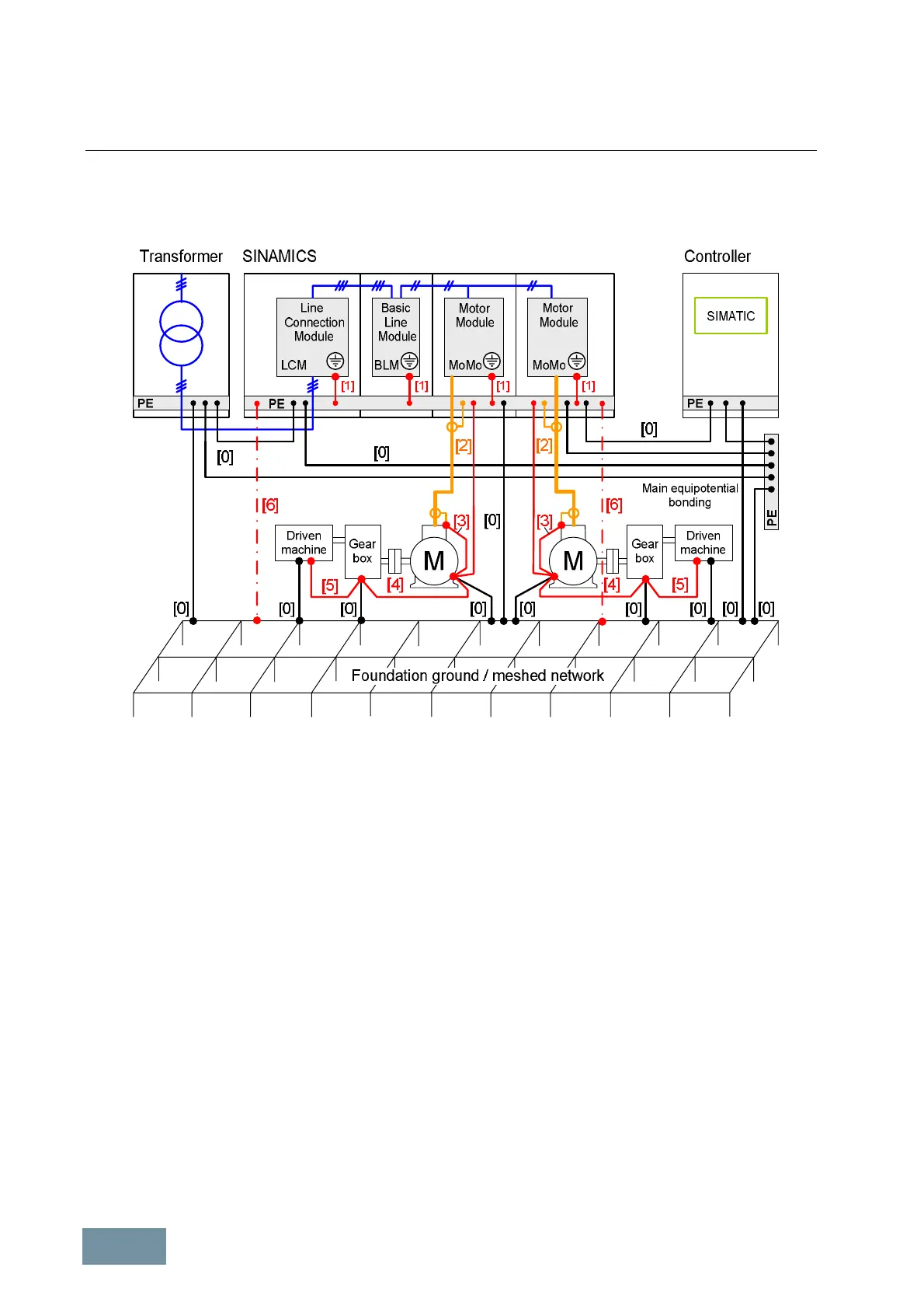
Overview of grounding and equipotential bonding measures
The following diagram illustrates all grounding and high-frequency equipotential bonding measures using the
example of a typical installation comprising several SINAMICS S120 Cabinet Modules.
Grounding and high-frequency equipotential bonding measures for reducing bearing currents
The ground connections shown in black [0] represent the conventional protective grounding system (PE) for the drive
components. They are made with standard, heavy-power PE conductors without special high-frequency properties
and ensure low frequency equipotential bonding as well as protection against injury.
The connections shown in red inside the SINAMICS cabinets [1] provide solid bonding for high-frequency currents
between the metal housings of the integrated Chassis components and the PE busbar and the EMC shield busbar of
the cabinet. These internal connections can be made via a large area using non-isolated metal construction
components of the cabinet. In this case, the contact surfaces must be bare metal and each contact area must have a
minimum cross-section of several cm
2
. Alternatively, these connections can be made with short, finely stranded,
braided copper wires with a large cross-section ( 95 mm
2
).
The shields of the motor cables shown in orange [2] provide high-frequency equipotential bonding between the Motor
Modules and the motor terminal boxes. In older installations in which unshielded cables are already installed, or
where the cables used have a shield with poor high-frequency properties, or in installations with poor grounding
systems, it is absolutely essential to install the finely stranded, braided copper cables shown in red in parallel and as
close as possible to the motor cable.
The connections shown in red [3], [4] and [5] provide a conductive, high-frequency bond between the terminal box of
the motor and the motor housing, and also between gearbox / driven machine and the motor housing. These
connections can be omitted if the motor is constructed in such a way that a conductive, high-frequency bond is
provided between the terminal box and the housing, and if motor, gearbox and driven machine are all in close
proximity and all conductively bonded over a large area by means of a shared metallic structure, e.g. a metal
machine bed.
The connections shown red dashed-and-dotted lines [6] provide a conductive, high-frequency bond between the
cabinet frame and the foundation ground in the form of finely stranded, braided copper cables with large cross-
section ( 95 mm
2
).
The equipotential bonding measures described above can practically eliminate the rotor shaft currents. It is therefore
possible to dispense with insulating couplings between the motor and gearbox / driven machine. This is always an
advantage in cases where insulating couplings cannot be used for any number of reasons.

Table of Contents

Other manuals for Siemens SINAMICS S120

Related product manuals