EasyManua.ls Logo

Siemens SINAMICS S120 - Page 248

Siemens SINAMICS S120
260 pages
To Next Page IconTo Next Page
To Next Page IconTo Next Page
To Previous Page IconTo Previous Page
To Previous Page IconTo Previous Page
Loading...
Appendix
A.3 Hydraulic
Hydraulic Drive
248 System Manual, 04/2015, 6SL3097-4BA00-0BP1
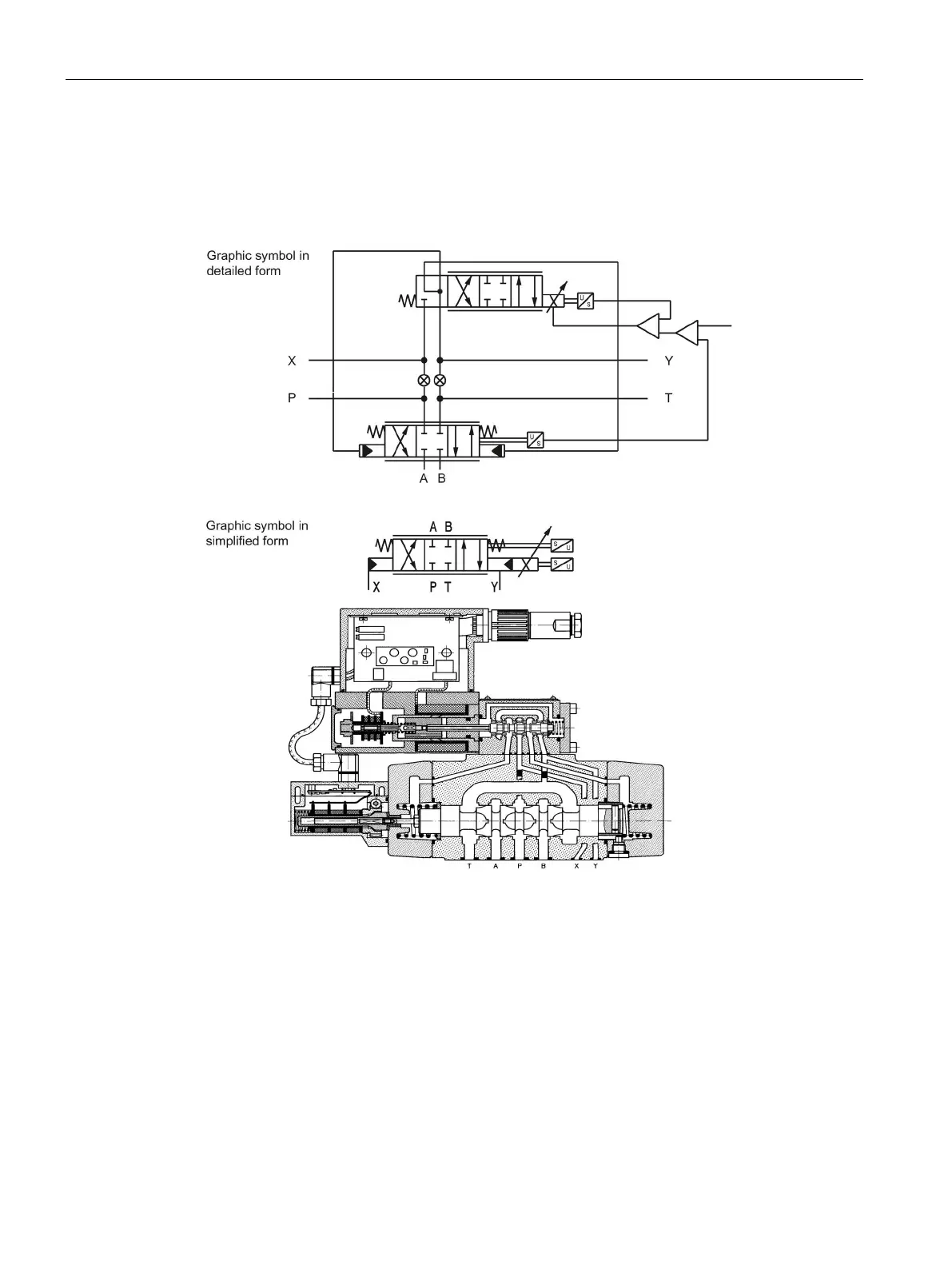
Valve amplifier
The integral valve amplifier is mounted on the precontrol stage and contains both position
control loops. A cable is used to connect the position sensor on the main stage to the
amplifier.
Figure A-15 Precontrolled servo solenoid valve

Table of Contents

Other manuals for Siemens SINAMICS S120

Related product manuals