EasyManua.ls Logo

Siemens SINAMICS S120 - Page 44

Siemens SINAMICS S120
260 pages
To Next Page IconTo Next Page
To Next Page IconTo Next Page
To Previous Page IconTo Previous Page
To Previous Page IconTo Previous Page
Loading...
Configuration
3.3 Configuring the hydraulics
Hydraulic Drive
44 System Manual, 04/2015, 6SL3097-4BA00-0BP1
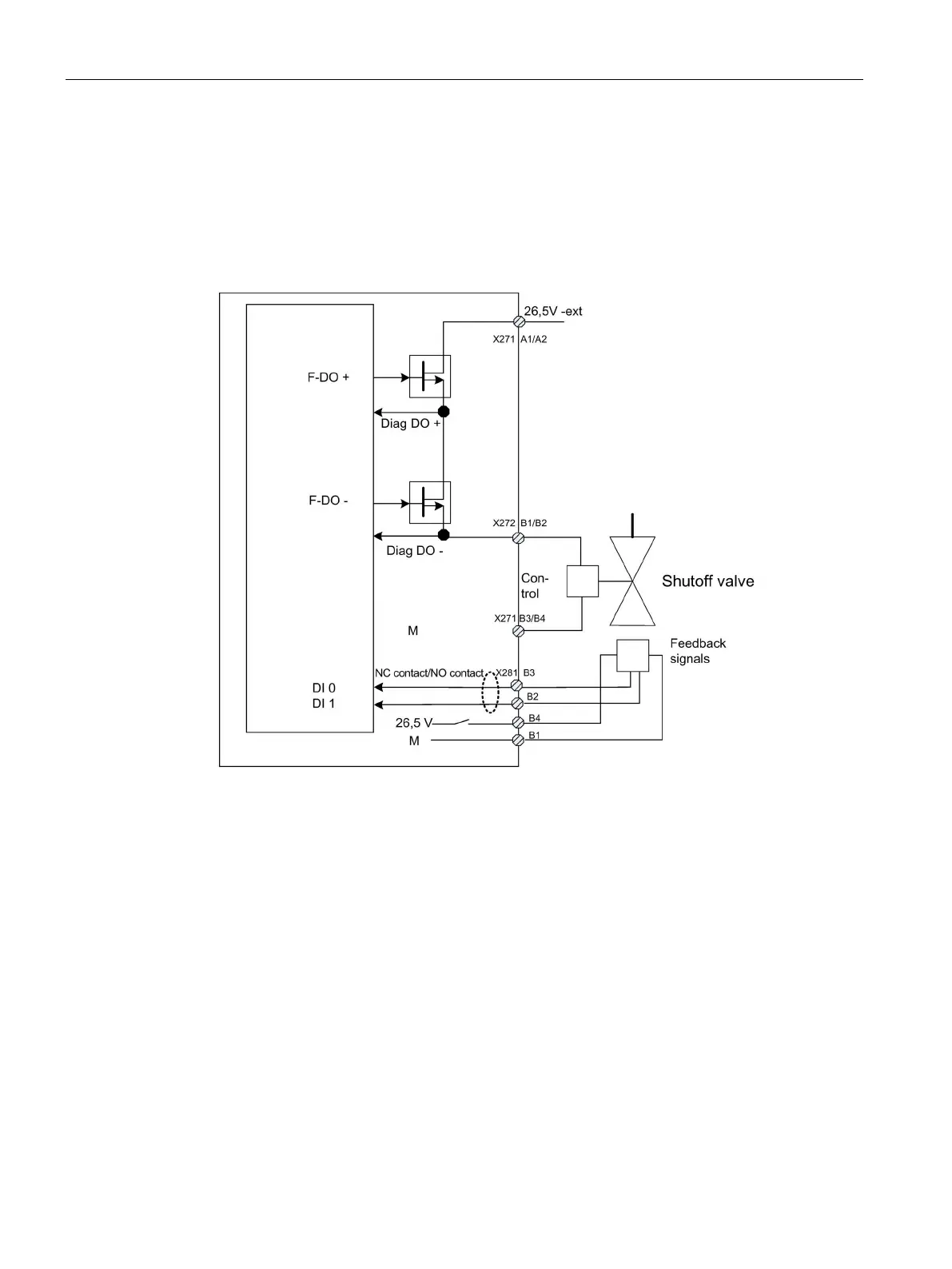
Principle of operation
For the HLA module, the STO safety function corresponds to shutting off a safety-relevant
shutoff valve.
The figure below shows the interconnection of a shutoff valve (based on the example of one
axis) and the most important elements for its operation and testing:
Figure 3-5 Interconnection of the shutoff valve
The shutoff valve controls the infeed to the hydraulic circuit. The shutoff valve is controlled
via an F-DO of the HLA module, which in turn is monitored by the safety functions.
The F-DO has the following properties:
The F-DO is designed to be P/P switching
The F-DO+ is an FET, the F-DO- is a semiconductor switch with an additional short-
circuit protection function
The voltages behind the two switches can be read in by the software (digital) and
evaluated for the purposes of diagnosing the shut-off path (diagnostics signals Diag DO+
and Diag DO-).
Every time STO is selected/deselected, the F-DO undergoes a dynamization process (check
of Diag DO+ and Diag DO- when switching F-DO+ and F-DO-).

Table of Contents

Other manuals for Siemens SINAMICS S120

Related product manuals