EasyManua.ls Logo

Siemens SPC3 - Page 55

Siemens SPC3
68 pages
Print Icon
To Next Page IconTo Next Page
To Next Page IconTo Next Page
To Previous Page IconTo Previous Page
To Previous Page IconTo Previous Page
Loading...
SPC3 PROFIBUS Interface Center
SPC3 Hardware Description V1.3 Page 53
Copyright (C) Siemens AG 2003 All rights reserved. 2003/04
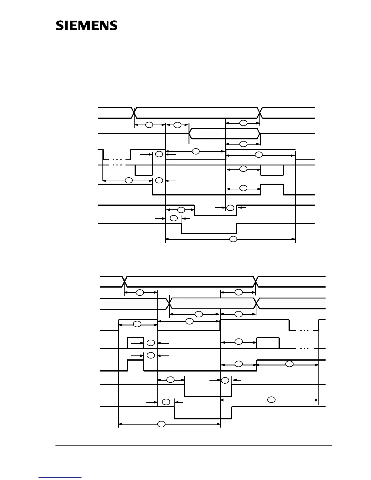
T = Pulse cycle (48MHz)
TBD = To Be Defined
(1
= Access to the RAM
(2
= Access to the register/latches
(3
= For T = 48MHz
Asynchronous Motorola-Mode, Processor-Read-Timing
AS
VALID
Data Out
AB(10..0)
DB(7..0)
R_W
E_Clock = log.'0'
63
70
62
65
61
64
XDSACK
(normal)
XDSACK
(early)
67
72
60
71
66
73
69
XCS
6877
Asynchronous Motorola-Mode, Processor-Write-Timing
AS
VALID
AB(10..0)
DB(7..0)
E_Clock = log.'0'
63
62
75
76
74
Data In
R_W
XDSACK
(normal)
67
72
70
60
66
69
XCS
68
71
73
XDSACK
(early)
78
79

Table of Contents

Related product manuals