EasyManua.ls Logo

Siemens SPC3 - Example for the RS 485 Interface

Siemens SPC3
68 pages
Print Icon
To Next Page IconTo Next Page
To Next Page IconTo Next Page
To Previous Page IconTo Previous Page
To Previous Page IconTo Previous Page
Loading...
PROFIBUS Interface Center
SPC3
Page 58 V1.3 SPC3 Hardware Description
2003/04 Copyright (C) Siemens AG 2003. All rights reserved.
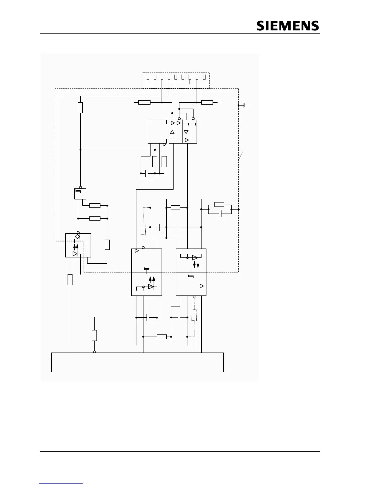
9.2 Example for the RS 485 Interface
SN65ALS1176
1
1
2
U+
EN1
GND
EN2
1
0
0
K
1
0
0
K
2P5
2M
6
8
n
2P5
2M
6
8
0
R
1
K
2
IN
U-
U+
U-
U+
68n
68n
EN
2M
P5
P5
680R
1
K
2
O
U
T
EN
680R
300R
680R
HCPL0601
2P5
&
2
7
4
H
C
1
3
2
3
0
0
R
U+
IN
U-
3
0
0
R
6
8
n
6
8
n
6
8
0
R
O
U
T
EN
U-
U+
20K
M
M
2P5
2M
3
0
0
R
M
C
T
S
R
T
S
T
X
D
R
X
D
B
-
l
i
n
e
R
T
S
2
M
2
P
5
A
-
l
i
n
e
I
m
p
o
r
t
a
n
t
:
e
l
e
c
t
r
i
c
a
l
i
s
o
l
a
t
i
o
n
t
o
b
u
s
P
5
a
n
d
2
P
5
S
h
i
e
l
d
D
r
i
v
e
r
s
e
l
e
c
t
:
D
i
f
f
e
r
e
n
t
i
a
l
v
o
l
t
a
g
e
>
2
V
1
2
3
4
6
7
8
9
L
a
y
o
u
t
:
l
i
n
e
s
m
u
s
t
b
e
k
e
p
t
a
s
s
h
o
r
t
a
s
p
o
s
s
i
b
l
e
.
M
1
M
HCPL7101 / 7721 / 0721
2
.
2
.
.
2
2
n
F
5
0
0
V
HCPL7101 / 7721 / 0721
5
Explanations of the circuitry:
The bus driver input EN2 has to be connected to low potential to ensure that after transmission of a
telegram the ASIC is able to listen to the transmitted data.
To minimize the capacity of the bus lines the user should avoid additional capacities. The typical capacity of
a bus station should be 15 ... 25 pF.

Table of Contents

Related product manuals