EasyManua.ls Logo

Silca DUO POWER - Electric Circuit

Silca DUO POWER
47 pages
Print Icon
To Next Page IconTo Next Page
To Next Page IconTo Next Page
To Previous Page IconTo Previous Page
To Previous Page IconTo Previous Page
Loading...
DUO Operating manual - English
10 Copyright Silca 2 010
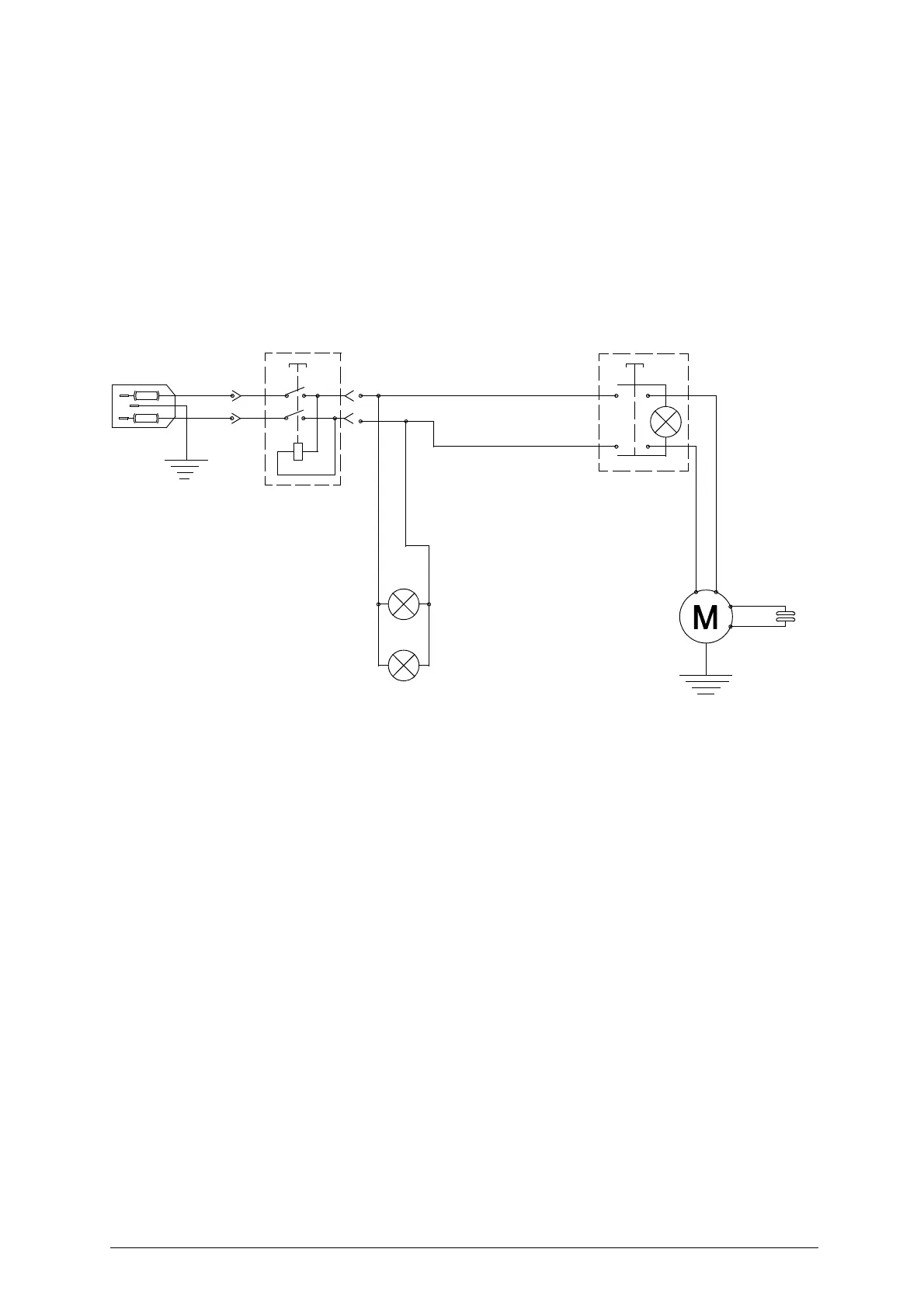
4.3 Electric circuit
The main parts of the electric circuit on the DUO are listed below:
1) Main socket with fuses
2) Safety main switch
3) Illuminated switch
4) Motor: 230V- 50Hz (120V-60Hz)
5) Condenser
6) Lamps
2
3
4
1
blue blue
brown
brown
blue
brown
brown
blue
yellow/green
1
2
3
4
5
6

Related product manuals