EasyManua.ls Logo

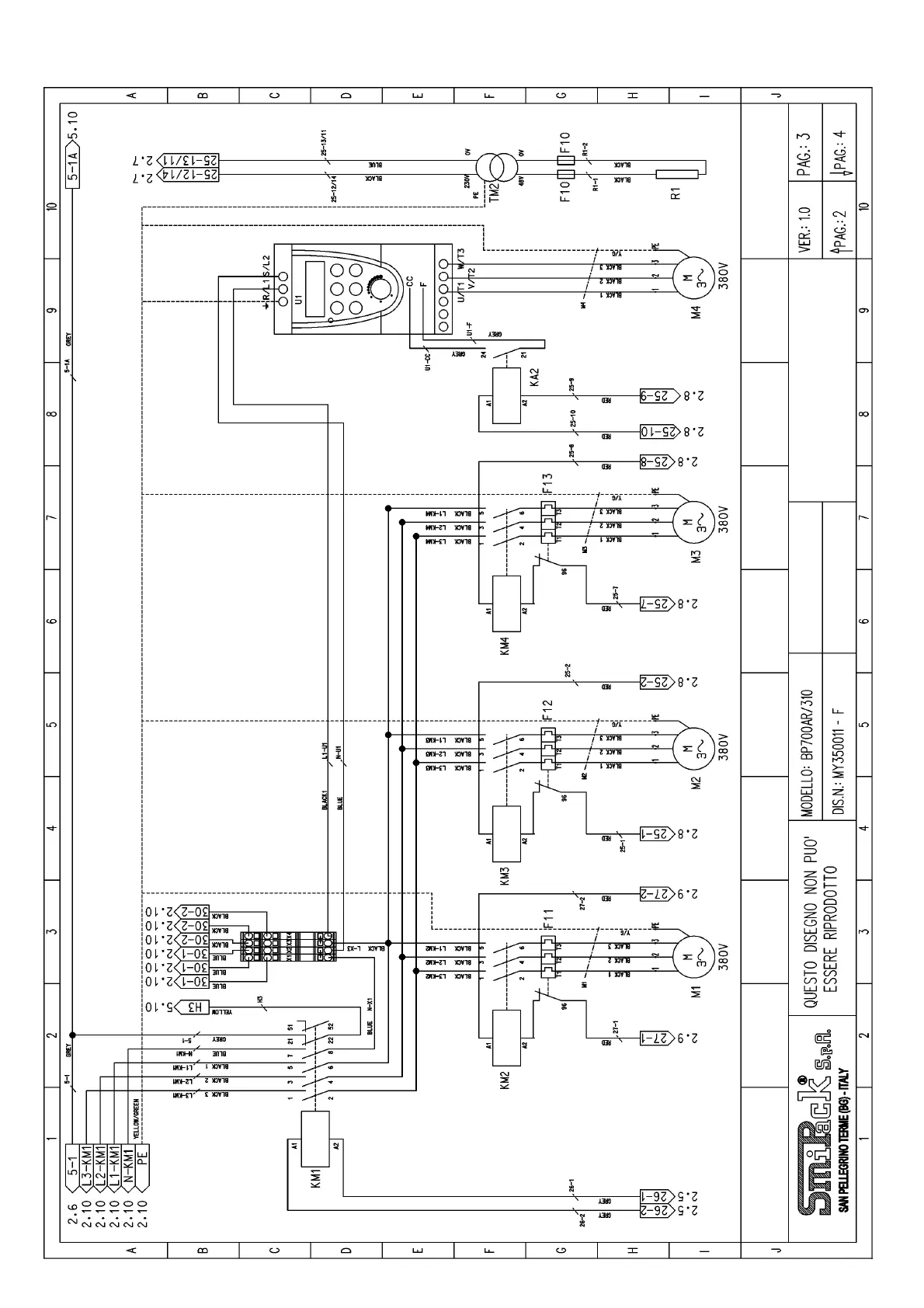
Smipack BP700AR/310 - Gruppo MY350011-3

Smipack BP700AR/310
58 pages
Print Icon
To Next Page IconTo Next Page
To Next Page IconTo Next Page
To Previous Page IconTo Previous Page
To Previous Page IconTo Previous Page
Loading...
18 • Unit MY350011-3

Table of Contents

Related product manuals