EasyManua.ls Logo

Sony CFD-S22 - CABINET (REAR) SECTION

Sony CFD-S22
68 pages
Print Icon
To Next Page IconTo Next Page
To Next Page IconTo Next Page
To Previous Page IconTo Previous Page
To Previous Page IconTo Previous Page
Loading...
51
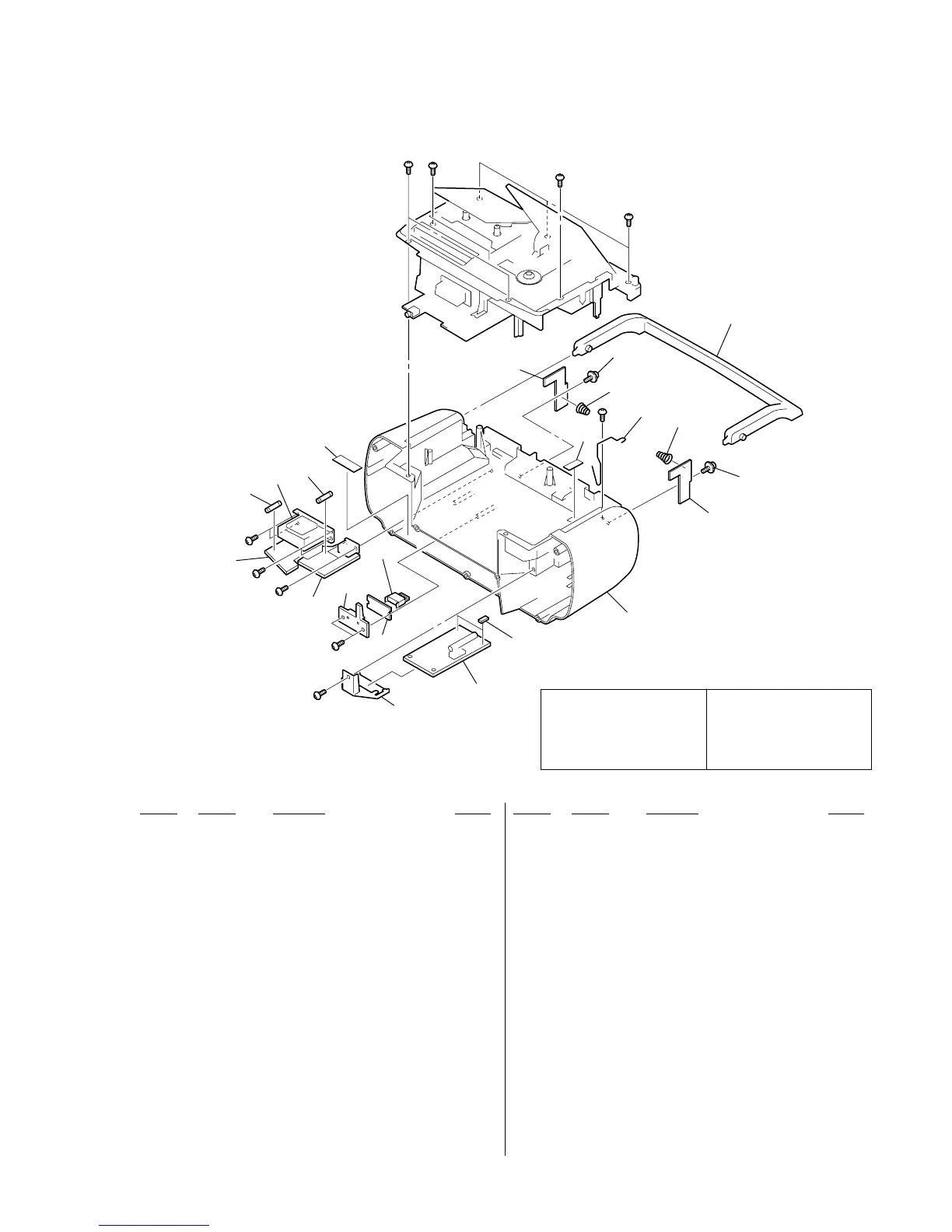
7-2. CABINET (REAR) SECTION
Ref. No. Part No. Description Remark Ref. No. Part No. Description Remark
51 3-041-557-01 CABINET (REAR) (SILVER)...(SILVER) (S22:US)
51 3-041-557-11 CABINET (REAR) (SILVER)...(SILVER) (S32:US)
51 3-041-557-41 CABINET (REAR) (SILVER)...(SILVER)
(CND,E92,MX)
51 3-041-557-51 CABINET (REAR) (SILVER)...(SILVER) (SP,AR)
51 3-041-557-61 CABINET (REAR) (BLACK)...(BLACK) (S22:US)
51 3-041-557-71 CABINET (REAR) (WHITE)...(WHITE) (S22:US)
51 3-041-557-91 CABINET (REAR) (WHITE)...(WHITE) (S32:US)
51 3-047-117-01 CABINET (REAR) (SILVER)...(SILVER) (AUS)
51 3-047-117-11 CABINET (REAR) (SILVER)...(SILVER) (E4,JE)
* 52 A-3322-456-A TUNER BOARD, COMPLETE (US,CND,E92,MX)
* 52 A-3322-558-A TUNER BOARD, COMPLETE (SP,AR)
* 52 A-3322-621-A TUNER BOARD, COMPLETE (AUS)
* 52 A-3322-694-A TUNER BOARD, COMPLETE (E4,JE)
53 3-041-560-01 HOLDER (PWB) (TU)
* 54 1-676-629-11 SECONDARY BOARD
* 55 1-676-530-11 POWER BOARD
56 3-031-540-01 HANDLE (BLACK)...(BLACK) (S22:US)
56 3-031-540-21 HANDLE (WHITE)...(WHITE) (US)
56 3-036-886-51 HANDLE (SILVER)
57 4-960-167-01 SCREW (3X8) (DIA.10), +WH
* 58 1-676-628-11 HALF BATTERY BOARD
59 3-028-154-01 TERMINAL (–), BATT
60 3-041-562-01 TERMINAL (REAR), ANTENNA
* 61 1-676-627-11 BATTERY BOARD
62 3-034-633-01 COVER (VOL SEL)
63 3-047-439-01 CUSHION
64 3-363-898-01 CUSHION
* 65 1-677-512-11 VOL SEL BOARD (E4,JE)
66 3-703-044-26 LABEL, CAUTION (CND)
0F901 1-532-467-51 FUSE (0.315A/250V) (E4,JE)
0F902 1-532-388-51 FUSE (2A/250V) (E4,JE)
0F902 1-532-464-51 FUSE (2.5A/250V) (SP,AR,AUS)
0F902 1-576-107-11 FUSE (3.15A/250V) (CND)
0S901 1-552-921-00 SWITCH, POWER (VOLTAGE SELECTOR) (E4,JE)
0T901 1-433-576-11 TRANSFORMER, POWER (US,CND,E92,MX)
0T901 1-433-578-11 TRANSFORMER, POWER (SP,AR,AUS)
0T901 1-435-508-11 TRANSFORMER, POWER (E4,JE)
51
52
64
53
55
62
65
54
56
57
57
58
59
60
59
63
61
#2
#2
#2
#1
#1
#1
T901
F902
F901
#1
#1
#1
S901
#1
66
The components identified by
mark 0 or dotted line with mark
0 are critical for safety.
Replace only with part number
specified.
Les composants identifiés par une
marque 0 sont critiques pour la
sécurité.
Ne les remplacer que par une piéce
portant le numéro spécifié.

Related product manuals