EasyManua.ls Logo

Sony CFD-S22 - TAPE MECHANISM SECTION-1

Sony CFD-S22
68 pages
Print Icon
To Next Page IconTo Next Page
To Next Page IconTo Next Page
To Previous Page IconTo Previous Page
To Previous Page IconTo Previous Page
Loading...
54
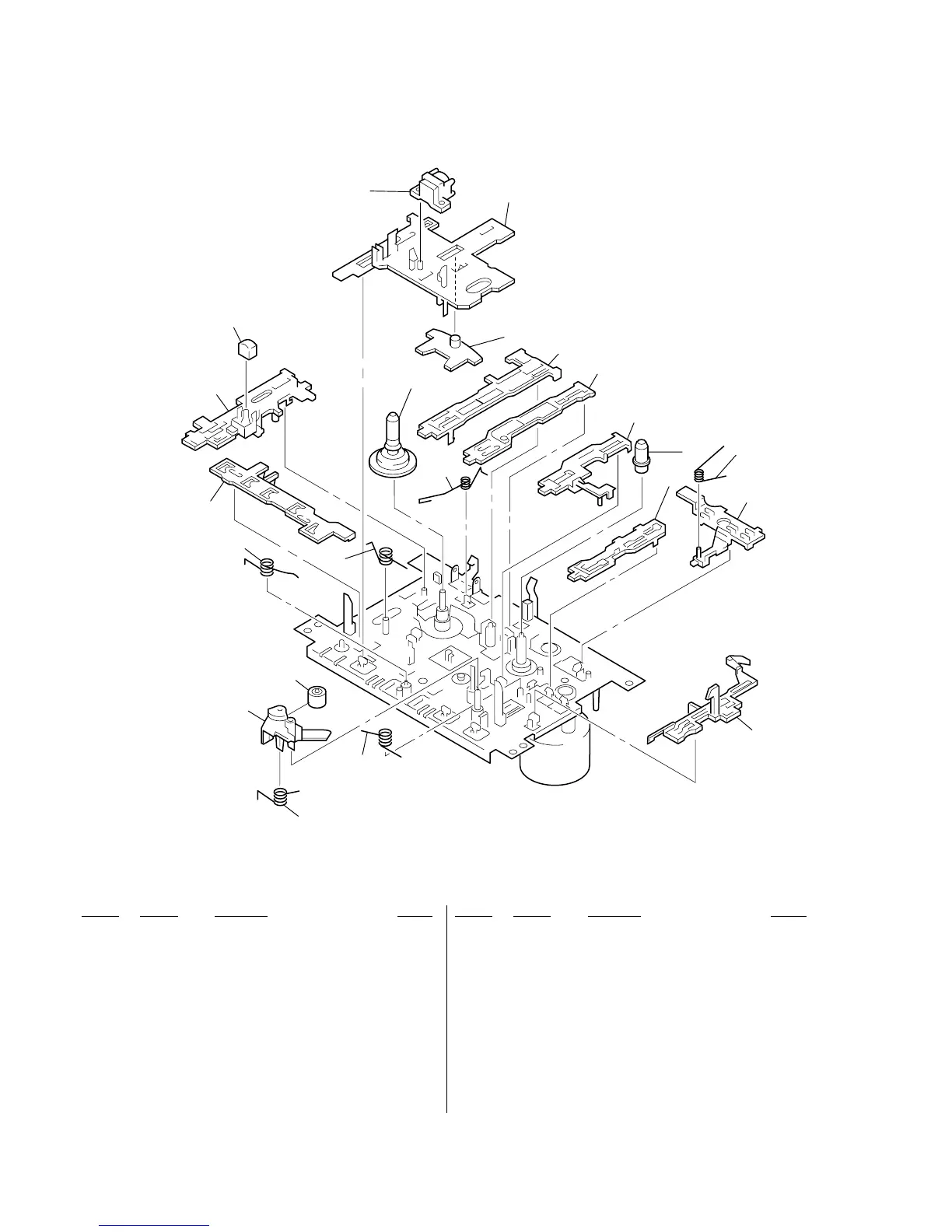
7-4. TAPE MECHANISM SECTION-1
(MF-S22-117)
Ref. No. Part No. Description Remark Ref. No. Part No. Description Remark
HRP301
HE301
159
158
157
169
168
156
160
161
162
163
164
165
167
166
151
152
154
155
153
170
151 3-933-010-01 SPRING (S/P), TORSION
152 3-933-025-01 SPRING (P), TORSION
153 3-040-857-01 LEVER (P)
154 3-933-024-01 ROLLER, PINCH
155 3-933-019-01 SPRING (F/R), TORSION
156 3-933-028-01 SPRING (FWD), TORSION
157 3-933-016-01 GEAR (S REEL)
158 3-008-590-01 SLIDER (REC)
159 3-008-592-01 BASE (H), HEAD
* 160 3-008-588-01 SLIDER (REW)
* 161 3-008-589-13 SLIDER (FF)
* 162 3-008-587-01 SLIDER (STOP)
* 163 3-008-591-01 SLIDER (PAUSE)
164 3-933-004-01 CLAW, REEL
* 165 3-933-021-01 SLIDER (FRP)
* 166 3-933-006-01 SLIDER (EJECT)
167 3-934-833-01 SPRING (FRP)
168 3-022-794-02 SPRING (BT)
169 3-933-007-01 PLATE, LOCK
* 170 3-012-114-01 LEVER (FR)
HE301 1-543-876-11 HEAD (ERASE)
HRP301 1-500-454-11 HEAD, MAGNETIC (RECORD/PLAYBACK)

Related product manuals