EasyManua.ls Logo

Sony HCD-C770 - Block Diagram - AUDIO OUT, PANEL Section

Sony HCD-C770
142 pages
Print Icon
To Next Page IconTo Next Page
To Next Page IconTo Next Page
To Previous Page IconTo Previous Page
To Previous Page IconTo Previous Page
Loading...
HCD-C770/C990
3434
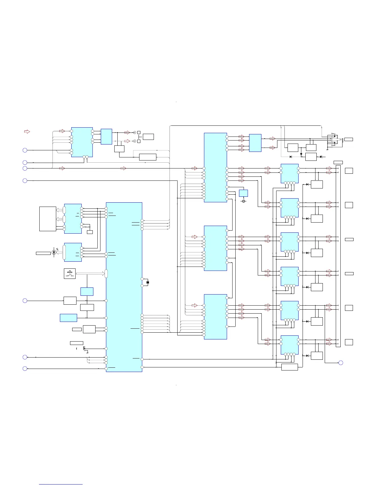
7-3. BLOCK DIAGRAM – AUDIO OUT, PANEL Section –
• SIGNAL PATH
: AUDIO
ENA
ENB
DIAGA
DIAGB
HP-MUTE
P-MUTE
HP-SW
7 17 8 18
POWER AMP
IC301
6
INA
16
INB
D105
J900
J401
(+)
(–)
9
OUTA
19
OUTB
STREAM PROCESSOR
IC305
HADPHONE
AMP
IC401
43
DATA
64
XFSIIN
44
BCK
36
SCLATCH
41
INIT
39
NSPMUTE
40
PGMUTE
38
SCDT
45
LRCK
37
SCSHIFT
LATCH1
INIT
PGMUTE
SCDT
SHIFT
15
OUTL2+
10
OUTR1+
24
OUTL1+
1
OUTR2+
18
OUTL2–
7
OUTR1–
21
OUTL1–
4
OUTR2–
28
XFSOIN
74
FSOI
OVER LOAD
DETECT
Q109, 110
MUTING
CONTROL
Q902
POWER ON
MUTING
Q192
D180
D181 D192
32V
FRONT
L
ENA
ENB
DIAGA
DIAGB
7 17 8 18
POWER AMP
IC304
6
INA
4
AD1
3
AD2
60
FL-DATA
57
FL-CLK
61
FL-CS
56
FL-MUTE
62
LED-CS
63
LED-CLR
16
INB
D102
(+)
(–)
9
OUTA
19
OUTB
OVER LOAD
DETECT
Q103, 104
FRONT
R
ENA
ENB
DIAGA
DIAGB
7 17 8 18
POWER AMP
IC307
6
INA
16
INB
D103
(+)
(–)
9
OUTA
19
OUTB
STREAM PROCESSOR
IC308
SYSTEM CONTROLLER
IC901 (2/3)
FL DRIVER
IC802
43
DATA
64
XFSIIN
44
BCK
36
SCLATCH
41
INIT
39
NSPMUTE
40
PGMUTE
38
SCDT
45
LRCK
37
SCSHIFT
15
OUTL2+
10
OUTR1+
24
OUTL1+
64
HPSW
1
OUTR2+
28
XFSOIN
74
FSOI
63
DAT
62
CLK
61
CS
60
RST
58
OSC0
59
OSC1
OVER LOAD
DETECT
Q105, 106
ENA
ENB
DIAGA
DIAGB
7 17 8 18
POWER AMP
IC306
6
INA
16
INB
D106
(+)
(–)
9
OUTA
19
OUTB
OVER LOAD
DETECT
Q111, 112
ENA
ENB
DIAGA
DIAGB
7 17 8 18
POWER AMP
IC309
6
INA
16
INB
D104
(+)
(–)
9
OUTA
19
OUTB
STREAM PROCESSOR
IC310
43
DATA
64
XFSIIN
44
BCK
36
SCLATCH
41
INIT
39
NSPMUTE
40
PGMUTE
SCDT
45
LRCK
37
38
SCSHIFT
15
OUTL2+
10
OUTR1+
24
OUTL1+
1
OUTR2+
73
FSOCKO
74
FSOI
28
XFSOIN
77
XFSOUT
77
XFSOUT
OVER LOAD
DETECT
Q107, 108
REAR
L
ENA
ENB
DIAGA
DIAGB
7 17 8 18
POWER AMP
IC311
6
INA
16
INB
D101
(+)
(–)
9
OUTA
19
OUTB
OVER LOAD
DETECT
Q101, 102
43
DIP-RST
44
DIP-OCP
REAR
R
CENTER
SPEAKER
WOOFER
PHONES
D1
SCK
AU-MUTE
DAS-CS
BCKO
LRCKO
LATCH2
INIT
PGMUTE
INIT
PGMUTE
SCDT
SHIFT
LATCH1
LATCH2
LATCH3
SCDT
SHIFT
D2
SCK
BCKO
LRCKO
LATCH3
INIT
PGMUTE
SCDT
SHIFT
D3
SCK
BCKO
LRCKO
D4
SCK
BCKO
LRCKO
D/A CONVERTER
IC608
12
65
AOUTL+
11
AOUTL–
CSN
PDN
8
7
CDTI
CCLK
DIGDI
DIGCLK
3
SDTI
1
MCLK
2
BICK
4
LRCK
LOW-PASS
FILTER
IC610
C818, R840
10
AOUTR+
9
AOUTR–
MUTING
Q207, 208
FLUORESCENT
INDICATOR TUBE
FL801
MUTING CONTROL
Q900
MUTING
Q900, 901
SIRCS DETECT
Q906, 907
PROTECT DETECT
Q113, 114
BUFFER
IC300
J205 (2/4)
VIDEO 1
AUDIO OUT
L
R
P-MUTE
DIGDI, DIGCLK
T
(Page 33)
RSTAD
NSMUTE
S
(Page 33)
D1 – D4, SCK,
BCKO, LRCKO
Q
(Page 33)
R
(Page 33)
DISC IN
X
(Page 36)
X300
49.152MHz
46
HP-MUTE
47
AU-MUTE
32
DAS-CS
HP-SW
HP-MUTE
AU-MUTE
DAS-CS
1
DAMP-DATA
2
DAMP-CLK
S1 – S35
29
CS1
30
CS2
31
CS3
26
DAMP-RST
27
DAMP-MUTING
5 – 39
G1 – G12P1 – P10
40 – 5114-17, 1-4, 6, 7
OSC
LED DRIVER
IC801
D801 – 805
10
DATA
11
CLK
12
STB
13
CLR
93
WAKE
I2CDATA,
I2CCLK, I2HLP
W
(Page 35)
ZIVARESET
V
(Page 35)
92
SIRCS
DISC1 – DISC5
ROTARY
ENCODER
S800
KEY INPUT
DETECT
IC903, 904
DISC INSERT
DETECT
Q914
REMOTE CONTROL
RECEIVER
IC101
VOLUME
SCAN SELECT
82 – 84
KEY0 – KEY2
KEY0, KEY2
S801 – 805,
S811 – 825
86
EN-B
S201
85
EN-A
100
I2HLP
4
CQ-RST
49
PROG SW
5
I2C-CLK
3
I2C-DATA
I2HLP
I2CCLK
I2CDATA
INTERLACE
SELECTABLE
38
39
X901
20MHz
X2
X1
FAN
Y
(Page 36)

Table of Contents

Related product manuals