EasyManua.ls Logo

Sony HCD-CL3 - Block Diagrams CD Section

Sony HCD-CL3
70 pages
Print Icon
To Next Page IconTo Next Page
To Next Page IconTo Next Page
To Previous Page IconTo Previous Page
To Previous Page IconTo Previous Page
Loading...
2222
HCD-CL1/CL3
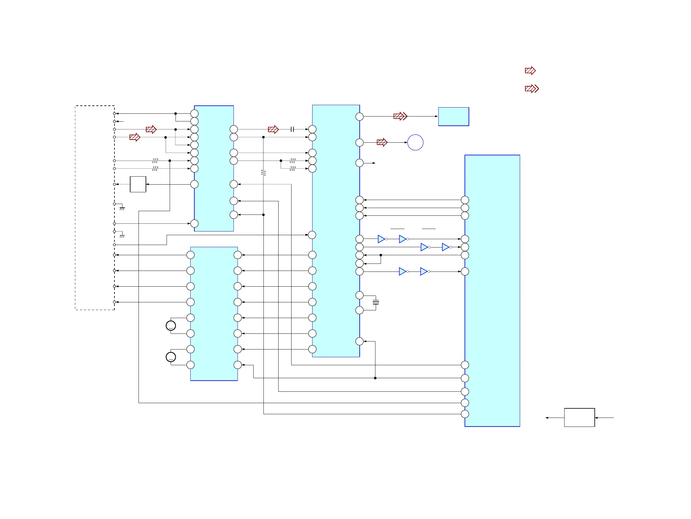
7-2. BLOCK DIAGRAMS
CD SECTION
Signal Path
: CD
:DIGITAL OUT (OPTICAL)
OPTICAL PICK-UP
BLOCK
(A-MAX.3)
PD1
PD2
I5-10
I1-6
LD
VC
SW
VCC
+5V
GND
PD
VR
LD
DRIVE
Q101
RF AMP
DIGITAL
OUT
(OPTICAL)
IC103
VC
27
VFC
25
A
6
B
7
C
8
D
9
E
10
F
11
LD
1
PD
2
IC102
MOTOR/COIL DRIVE
CH1FO
14
CH1RO
13
12
11
17
18
M
M102
SLED
MOTOR
15
16
M
M101
SPINDLE
MOTOR
F+
F-
T+
T-
2
CH1FI
3
CH1RI
5
6
24
23
25 MDP
26
SRDR
29
SFDR
28
TRDR
31
TFDR
30
FRDR
33
FFDR
32
DIGITAL SIGNAL PROCESSOR
D/A CONVERTER
IC101
DIGITAL SERVO
60
D OUT
72
L OUT
75
R OUT
R-CH
RFAC
51
28
RFDCO
15
RFAC
16FE
18TE
12
SW
17
FEI
29
RFDCI
RFDC
43
FE
39
TE
41
SE
40
5
DATA
DATA
7
CLOK
CLK
6
XLAT
XLT
1
SQSO
8
SENS
27 SSTP
3
XRST
20
MUTING
MASTER CONTROL
IC401(1/3)
CD-DATA
35
9
SCLK
2
SQCK
20
SCOR
66
XTAI
67
XTAO
CD-CLK
37
XLT
42
SQ-DATA-IN
32
SENS
36
SQ-CLK
33
SCOR
19
LDON
LDON
41
XRST
XRST
43
BU PWM 1
PWM1
28
BU PWM 2
PWM2
26
BU PWM 3
PWM3
24
CH2FO
CH2RO
CH3FO
CH3RO
CH4FO
CH4RO
CH2FI
CH2RI
CH3FI
CH3RI
CH4SI
A
MAIN
SECTION
IC551
+3.3V
REG.
Q102,D101
X101
16.9344MHz
+5V
+3.3V
CD-L
IC504
3
4
11 10
1
2
13
12
5
6
98

Related product manuals