EasyManua.ls Logo

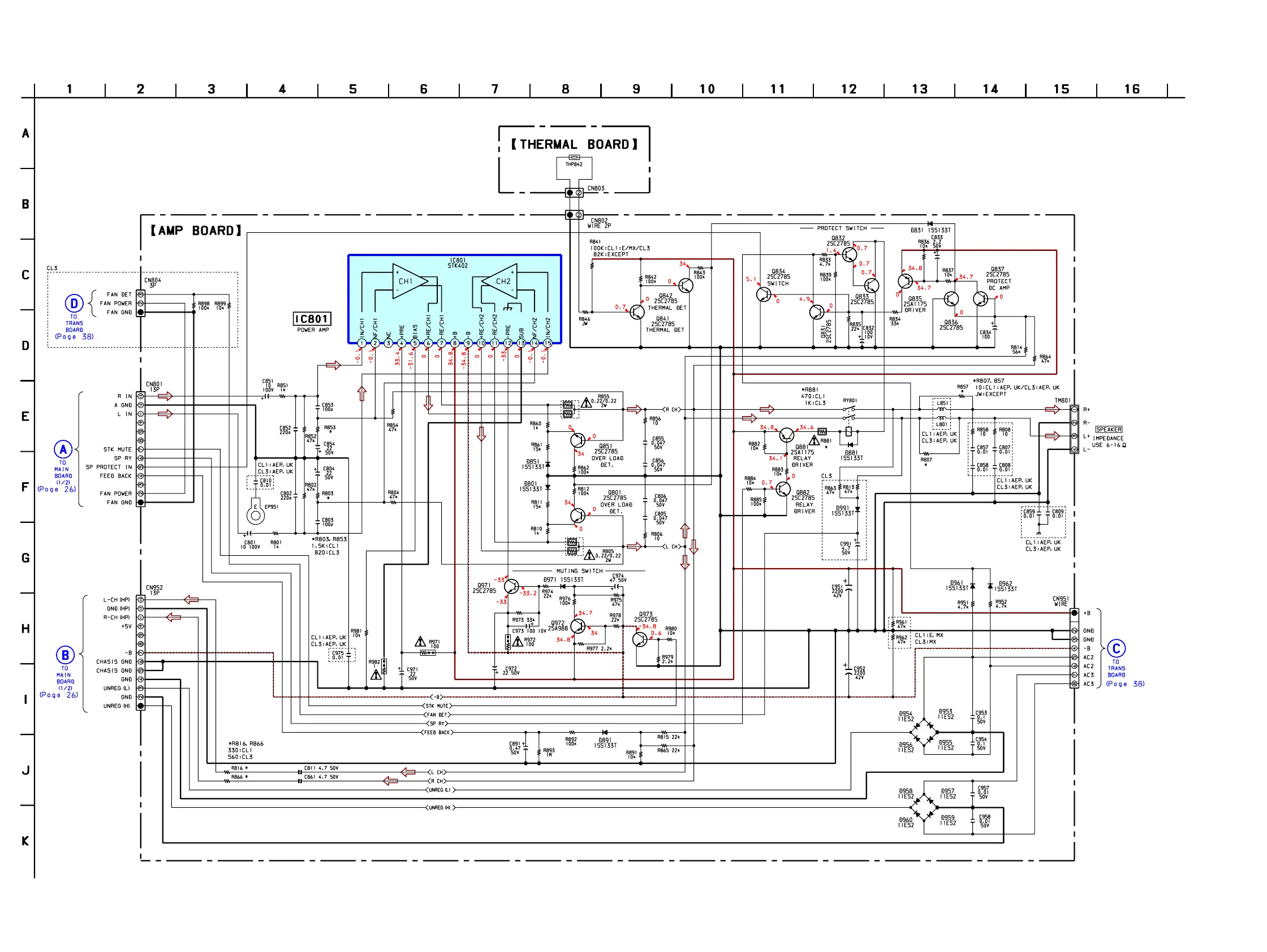
Sony HCD-CL3 - Schematic Diagram AMP Section

Sony HCD-CL3
70 pages
Print Icon
To Next Page IconTo Next Page
To Next Page IconTo Next Page
To Previous Page IconTo Previous Page
To Previous Page IconTo Previous Page
Loading...
3434
HCD-CL1/CL3
7-12. SCHEMATIC DIAGRAM AMP SECTION

Related product manuals