EasyManua.ls Logo

Sony HCD-CL3 - Schematic Diagram TC Section

Sony HCD-CL3
70 pages
Print Icon
To Next Page IconTo Next Page
To Next Page IconTo Next Page
To Previous Page IconTo Previous Page
To Previous Page IconTo Previous Page
Loading...
3232
HCD-CL1/CL3
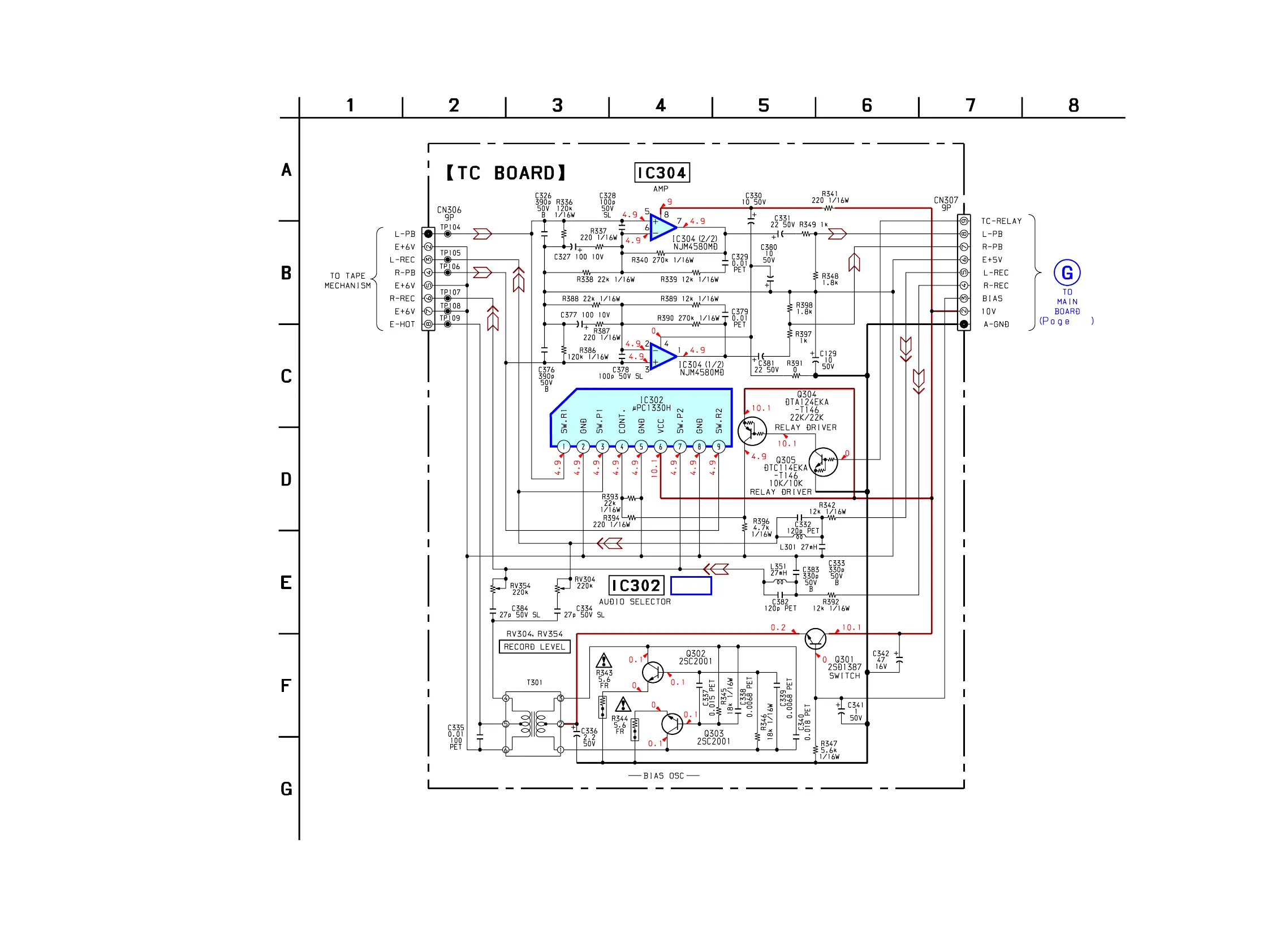
7-10. SCHEMATIC DIAGRAM TC SECTION
See page 45 for IC Block Diagram.
26
IC B/D

Related product manuals