EasyManua.ls Logo

Sony HCD-DR3 - Block Diagrams

Sony HCD-DR3
52 pages
Print Icon
To Next Page IconTo Next Page
To Next Page IconTo Next Page
To Previous Page IconTo Previous Page
To Previous Page IconTo Previous Page
Loading...
HCD-DR3/DR330/XB200
1616
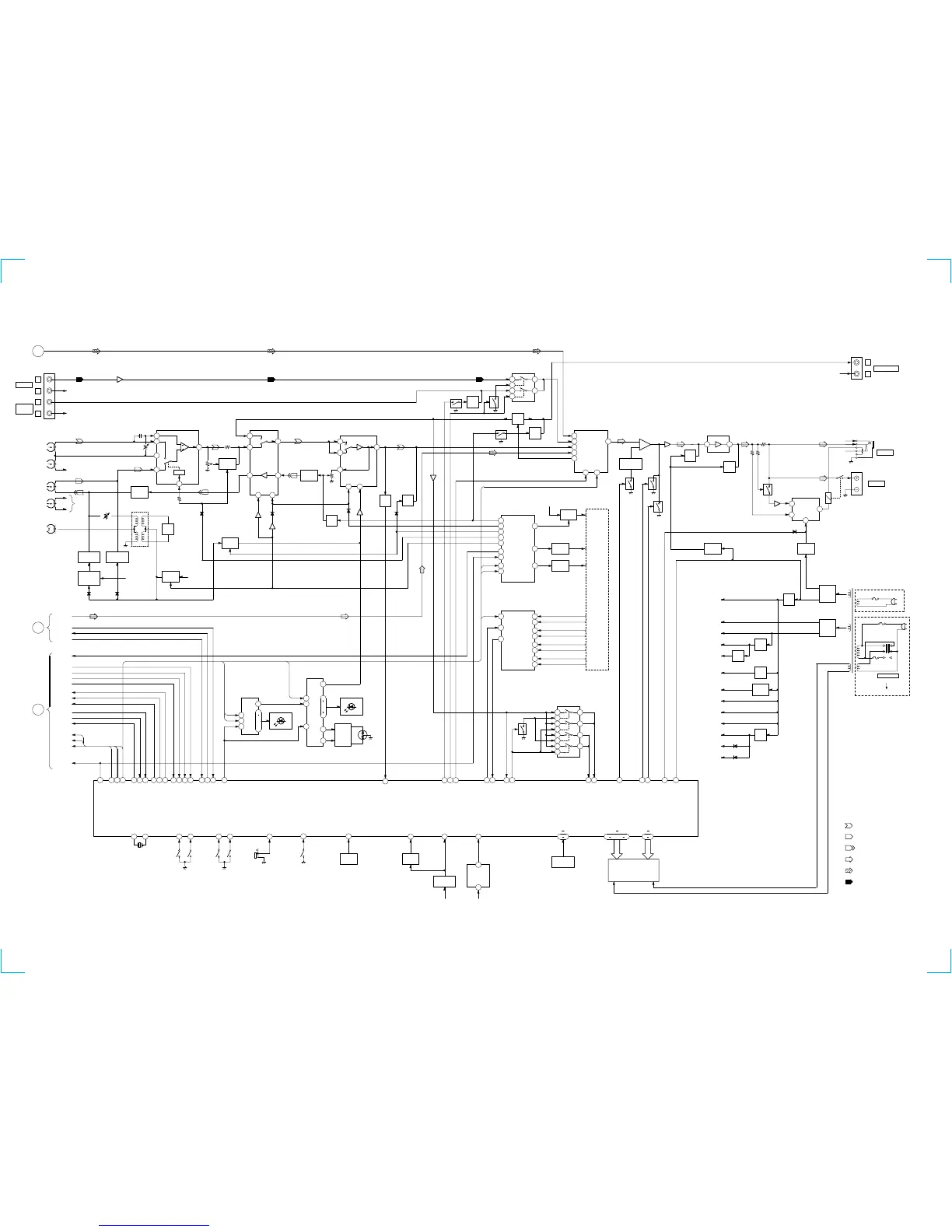
5-2. BLOCK DIAGRAM
MAIN SECTION
: FM
: CD
• Signal Path
• RCH is omitted • Abbreviation
SP:Singapore
AR:Argentina
C
CD
SECTION
TU L
ST IND
TU MUTE
DO1
Q709
MUTE
14 7
4
POWER AMP
IC701
SPEAKER
RELAY
DRIVE
Q711
1
2
6
IC702
RL701
SPEAKER
PHONES
JK703
JK701
SCOR
SENS1
SQSO
XLAT
SQCK
CLK
CE
STB
91
STB
100
SCLK
98
SDATA OUT
95
DATA
97
SQCK
94
XLAT
96
SQSO
11
SENS1
27
SCOR
99
SDATA IN
9
MD MUTE
73
FM ST IND
2
SYSTEM MUTE
1
POWER OUT
LED DRIVE
IC603
1
2
3
88
LATCH
DI
CLK
RESET
SWITCH
POWER
DOWN DET
Q601
Q602
LED610-615
X2
17
X1
16
VR UP
81
X601
6MHz
VR DOWN
82
VR601
VOLUME
CD DOOR
79
A
B
S653
DOOR SW
2
3
RM601
REMOTE
CONTROL
RECEIVER
KEY
MATRIX
S601-651
K0 K4
FLD601
SYSTEM CONTROLLER/
FLD DRIVER
IC601
-5.6V
REG
Q308
SITCHING
Q309
+7.5V
REG
Q702
CD +7.5V
+12V
REG
Q701
RECT
D701
AC OFF
DET
Q704 705
RECT
D705-708
220-240V
110-120V
-27V
REG
Q703
IC701 B+
AC IN
AC IN
T001
S001
AC5.4V
AC5.4V
16
A
TUNER
SECTION
(PAGE 17)
(PAGE 17)
(PAGE 17)
: PB (DECK A)
: PB (DECK B)
: REC (DECK B)
CLK
DI
87
LOCK
BUS REGISTER
IC607
REC MUTE
13
PLAY MUTE
14
A/B
11
BIAS
12
SI
2
CLK
3
STB
1
DI
CLK
4PLAY
5
SOL A
6
SOL B
SOL A
DRIVE
Q612,615
M+12V
SWITCH
Q610,613
M+12V
SOL B
DRIVE
Q611,614
SHIFT REGISTER
IC606
CK
2
S/L
1
QH
9
CLK
3REC A
5
PHOTO A
11
A MODE SW
13A HALF
6
PHOTO B
12
B MODE SW
14B HALF
MECHA
BLOCK
D715
-5.6V
45 3019 23
Q'S
10
SCOR
DATA IN
DATA
SENS2
LOCK
75
SENS2
74
AMS
86
S/L
80
DATA IN
HP901
PB
HEAD
TAPE A
HRP901
REC/PB
HEAD
TAPE B
R CHR CH
R CH
PLAY/REC
CONTROL
Q803,805
PLAY/REC
CONTROL
DRIVE
Q823
PLAY/REC
CONTROL
D802
L609
BIAS OSC
BIAS
OSC
HE901
ERASE
HEAD
5
7
6
PB OUT
A/B
2
3
EQ AMP
IC801
Q816,817
D803
Q801
BIAS
SWITCH
Q829,830
Q807
PHONO
JK201
R
L
IC202
R CH
BIAS
TRAP
L805
SFR807
9
SFR807
SFR801
SFR803
14
10
13
11
12
8 1
SW
VALC
REC AMP
PB/REC AMP
IC802
Q811
BUFFER
D807
Q813
MUTE
CONT
Q825,826
16
14
DOLBY AMP
IC803
12
9
11
5
D808
SFR805
Q822
PB
MUTE
Q815
MUTE
D811
MD/VIDEO
IN
R
L
R CH
BIAS
+12V
+12V
Q833
Q809
REC
MUTE
Q831
AMS
Q832
TAPE PLAY
7
D804
B
CD
SECTION
IC303
MD/VIDEO
MD (HI)
Q209
MUTE
8
6
10
12
9
11
IC203
Q210
Q207
Q201
AMP
Q204
MUTE
L1 (CD)
2
L4 (AUX)
9
L3 (TAPE)
8
L2 (TUNER)
7
L (REC)
3
13 14
11
VR
DATA CLK
SELECTOR
IC201
DATA
4
SURROUND OUT
6
DBFB ON/OFF
5
DBFB H/L
Q306
SURROUND
CONTROL
Q305
Q301
Q303
IC301
IC302
MUTE
Q707
R CH
+12V
Q708
MD/VIDEO OUT
R
L
R CH
JK201
LED DRIVE
IC602
2
4
5
LED
DRIVE
DI
CLK
Q608,609
LED605-608
LED516
6
11
14
16
.
17
.
7
9
11
14
.
4
3
16
DOLBY OUT
LED601-603
7 8 85
4REC B
12
13
4
5
8
6
10
12
1
3
9
11
26
VACS
10
SPEANA H/L
25
SPEANA 2
24
SPEANA 1
IC604
Q607
CLK
DI
100
SCLK
CLK
93
CE
CE
CD ENCODER A
83
CD ENCODER B
84
VR602
CD ENCODER
A
B
RESET
12
POWER DOWN
13
REMOTE
29
VCCVCC
47 50 52 68
.
P1 P21
G1 G16
FLUORESCENT
INDICATOR TUBE
MUTE
SWITCH
Q713
+12V
IC701 B-
-30V
+5.6V
REG
Q310
+12V
(CASSETTE)
D+12V
(MOTOR)
+12V
(BIAS)
D601
D602
VCC
+12V
(TUNER)
+5.6V
µCON B+
CD L
Q205
: MD
FOK
CNIN
76
FOK
28
CNIN
UP SW
77
TABLE SENSOR
78
S06
UP SW
TABLE
SENSOR
SENS01
F702
F703
F702
EXCEPT E,SP,AR
E,SP,AR MODEL
AC VOLTAGE

Related product manuals