EasyManua.ls Logo

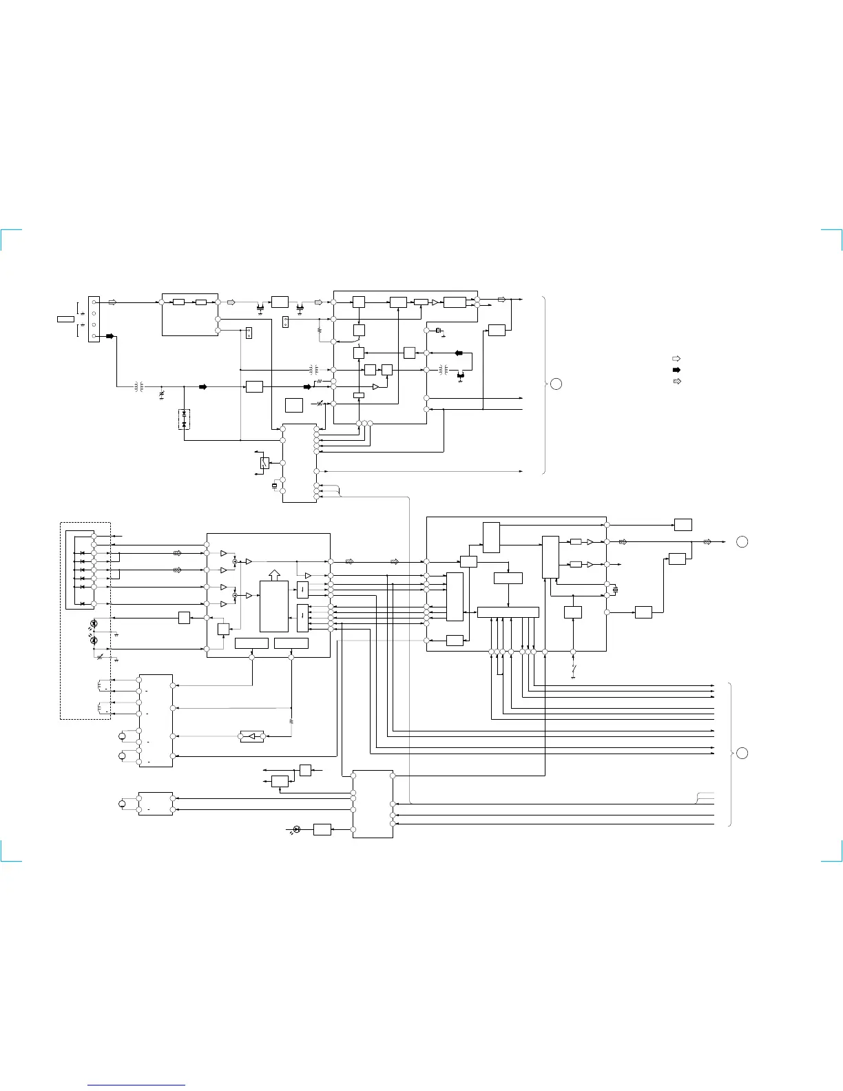
Sony HCD-DR3 - Tuner;CD Section

Sony HCD-DR3
52 pages
Print Icon
To Next Page IconTo Next Page
To Next Page IconTo Next Page
To Previous Page IconTo Previous Page
To Previous Page IconTo Previous Page
Loading...
HCD-DR3/DR330/XB200
1717
TUNER/CD SECTION
CE
16
10
6
5
3
22
1
PLL
IC103
FM
XO
XI
CLK
DO
CE
CLK
DO
OPTICAL PICK-UP
BLOCK
APC
Q01
41
VCC
VC
LD
GND
A
C
B
E
F
FOCUS
COIL
F+
F
T+
T
TRACKING
COIL
36
37
42
39
38
51
APC
FOCUS PHASE
COMPENSATION
DECODER
SERIAL/
PARALLEL
CONVERTER
FE
AMP
RF
AMP
IIL
TTL
TTL
IIL
COMAND
VC
TRACKING PHASE
COMPENSATION
LD
PD
E
F
PD1
PD2
6
25
24
21
20
23
22
33
27
SENS1
RFO
FOK
C OUT
DATA
XLT
CLK
XRST
13
FEO TAO
IC03
T.T/TRAY MOTOR
DRIVER
CD RF/SERVO
PROSSESOR
IC01 (1/2)
15
25
T IN
16
17
18
VR
PD
PD
12
11
14
13
27
F IN
6
SL IN
9
IN1
F+
F
T+
T
SL+
SL
SP+
SP
M
M
MOTOR
M102
SLED
MOTOR
M101
SPINDOL
EFM
DEMO.
XRST
CLV
SERVO
DIGITAL
CLV
D/A
I/F
SUB CODE
PROSSESOR
CPU I/F
7 9 4 5 6 6257
MDP
SENS
SCOR
SQSO
SQCK
CLOCK
DATA
CLK
XLT
DAT
SE
CIN
FOK
RF
SERIAL
I/F
PWM
67
70
71
NL
XTA1
XTA0
X701
MUTE
R-CH
CD DIGITAL
SIGNAL PROCESSOR
IC02
16
:FM
:CD
• SIGNAL PATH
14
7
8
4
2
1
6
10
DETECTOR
16
OSC
FM
75
AM
ANTENNA
JK101
3
8
RF
MIX
1
4
FM FRONT END
FE101
RF IF
AMP
Q101
CF101
10.7MHz
CF102
10.7MHz
L105
MW OSC
IF
G
VT
L104
AM ANT
AM RF
AMP
Q108
MPX
16
FM IF
1
OSC
23
AFC
22
AM RF
21
FM
IF
AM OUT
19
FM
DET
AM/FM
IF BUFF
AM
OSC
AM
MIX
AM
DET
SMET
20
CF103
450kHz
MUTE
AGC
AM
IF
DECODER
13
L
14
R
4
2
T102
AM IFT
8
FM DET
CF104
10.7MHz
R CH
FM/AM MPX
IC102
FM
TUNED
LEVEL
PD1
18
X201
7.2MHz
FM B+
7
TUB+
+12V
Q114
ST MONO
12
15
AM
OSC/FMSD
24
B+
11
SD IN
9
FM ST
TU LED
6
12
IF IN
SD SPEED
7
ST IND
10
IF BUFF
MUTE
Q117
TU L
ST IND
TU MUTE
DO 1
A
MAIN
SECTION
(PAGE 16)
D
5
LD
PD
F/T COIL
SL/SP MOTOR
7
3
OUT1
OUT2
M
MOTOR
TABLE
23
SP IN
1
IN2
IC701 (2/2)
XRST
6
Q702
12
LED CONT
13
12
MIN1
MIN2
4
MUTE
3
CLOK
1
STB
IC04
SHIFT REGISTER
35
18
11
10
12
13
14
79
21
15
SPOA
STOP
SWITCH
8
XLAT
CLOCK
GEN.
PWM
74
NR
MUTE
Q09
CD L
SCOR
SENS1
SQSO
XLAT
SQCK
DATA
CE
STB
CLK
C
MAIN
SECTION
:AM
• RCH is omitted
SFR101
CNIN
FOK
OSC
VT
G
TP2
TP1
2
DATA
26
SENS2
19
LOCK
16.9344MHz
2
L MUTE
53
D OUT
DIGITAL
OUT
PH01
B
MAIN
SECTION
DATA IN
D107
4
DI
DI
DI
IC05
TABLE
MOTOR DRIVE
12
LED CONT
DRIVER
LED
DISC NO
D06
Q04
REG
Q03
+5V SW
B+
+5.6V
VCC
SENS2
LOCK
MUTE
SWITCH
Q11,13
(PAGE 16)
(PAGE 16)

Related product manuals