EasyManua.ls Logo

Sony HCD-DR3 - Base Unit Section Exploded View

Sony HCD-DR3
52 pages
Print Icon
To Next Page IconTo Next Page
To Next Page IconTo Next Page
To Previous Page IconTo Previous Page
To Previous Page IconTo Previous Page
Loading...
38
251
260
253
253
253
251
252
256
257
253
252
254
258
259
255
M101
not supplied
not supplied
M102
#14
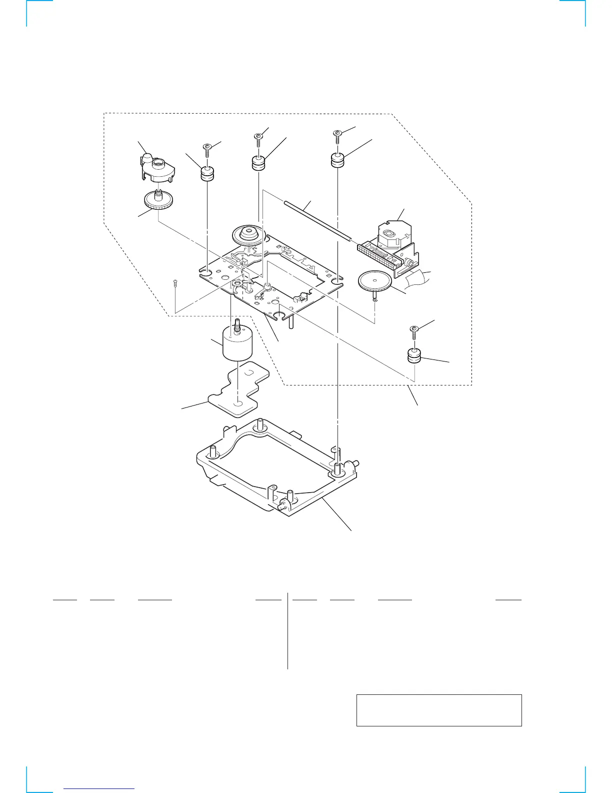
6-6. BASE UNIT SECTION (KSM-213ECM)
251 4-223-456-01 DAMPER(GR)
252 4-223-457-01 DAMPER(RD)
253 3-319-501-51 SCREW(+ PTPWH) (2.6 × 16)
! 254 8-820-054-03 OPTICAL PICK-UP KSM-213ECM/C2NP
255 4-223-455-01 SHAFT(CAM)
256 1-769-856-11 WIRE(FLAT TYPE) (5 CORE)
257 2-626-907-01 GEAR (A)(S)
258 4-992-164-01 BASE, KSM MECHANICAL
259 1-675-422-11 MOTOR(6P)(C)BOARD
260 2-627-003-02 GEAR (B)
M101 X-2625-877-1 MOTOR ASSY (SPINDLE)
M102 X-2625-769-1 MOTOR ASSY (SLED)
Ref. No. Part No. Description Remarks Ref. No. Part No. Description Remarks
The components identified by mark ! or dotted
line with mark ! are critical for safety.
Replace only with part number specified.

Related product manuals