EasyManua.ls Logo

Sony HCD-DZ3K - Belt, MS-203 Board

Sony HCD-DZ3K
84 pages
Print Icon
To Next Page IconTo Next Page
To Next Page IconTo Next Page
To Previous Page IconTo Previous Page
To Previous Page IconTo Previous Page
Loading...
18
HCD-DZ3K
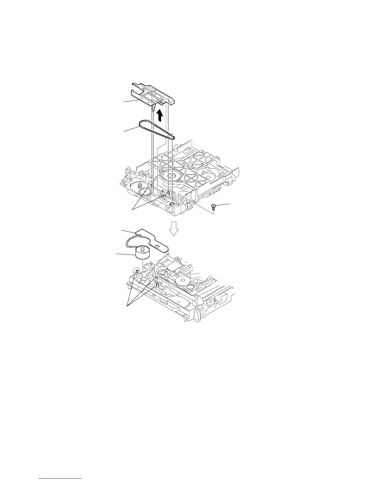
3-11. BELT, MS-203 BOARD
1
two claws
5
three claws
7
MS-203 board
6
DC motor
3
belt
2
chuck cam
4
screw
(M 1.7
×
2.5)

Table of Contents

Related product manuals