EasyManua.ls Logo

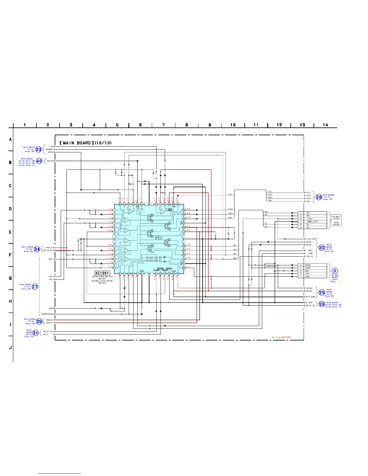
Sony HCD-DZ3K - Schematic Diagram - MAIN Board (10;10)

Sony HCD-DZ3K
84 pages
Print Icon
To Next Page IconTo Next Page
To Next Page IconTo Next Page
To Previous Page IconTo Previous Page
To Previous Page IconTo Previous Page
Loading...
4242
HCD-DZ3K
HCD-DZ3K
6-17. SCHEMATIC DIAGRAM – MAIN BOARD (10/10) –
48
JL1207
JL1208
JL1209
JL1210
JL1211
CL1205
CL1204
CL1203
CL1202
CL1201
CL1206
CL1207
CL1208
R1223 R1225
R1220
R1233
R1234
R1232
R1231
R1230
R1228
R1227
R1219
R1224
R1213
R1210
R1216
R1205
R1204
R1207
R1209
R1215
R1214R1208
C1203
C1209
C1211
C1212
C1214
C1215
C1219
C1224
C1221
C1222
C1223
C1225
C1226
C1210
R1222
C1205
C1206
C1208
C1217
JL1201
JL1202
JL1203
JL1204
JL1205
JL1206
CL1210
CL1211
CL1212
CL1209
C1213
ICT1207
ICT1203
ICT1204
C1228
R1255
CN1202
ICT1208
C1218
C1220
CN1201
R1243
R1247
R1236 R1237
R1238 R1239
R1246
R1226
R1221
R1212
R1206
ICT549
ICT550
ICT551
ICT552
ICT553
ICT555
ICT554
ICT557
ICT556
IC1201
0
0
0.1
16V
B
0.001 50V B
0.001 50V B
33k
0
5P FFC
100
1k 1k
4.7k 4.7k
100k
1/10W
0.5%
100k
1/10W
0.5%
10k
33k
1/10W
0.5%
10k
18k
1/10W
0.5%
15k
1/10W
0.5%
82k
1/10W
0.5%
27k
10k
6.8k
47k
12k 1/10W
10k
1.2k
2.7k
33k
12k
15k33k
0.01
25V
B
0.033
16V
B
0.033
16V
B
0.01
25V
B
0.001
50V
B 0.01 25V B
0.01
25V
B
0.01
25V
B
0.1 16V B
0.1 16V B
0.01 25V B
220p
50V
CH
220p 50V CH
0.01 25V B
47 16V
0.01
25V
B
0.0047
10
50V
10
50V
6P JST
1k
4.7k
56k
1/10W
0.5%
56k
1/10W
0.5%
10k
10k
FAN8036L

Table of Contents

Related product manuals