EasyManua.ls Logo

Sony HCD-GP7 - Schematic Diagram - TC Section

Sony HCD-GP7
62 pages
Print Icon
To Next Page IconTo Next Page
To Next Page IconTo Next Page
To Previous Page IconTo Previous Page
To Previous Page IconTo Previous Page
Loading...
3131
HCD-GP7
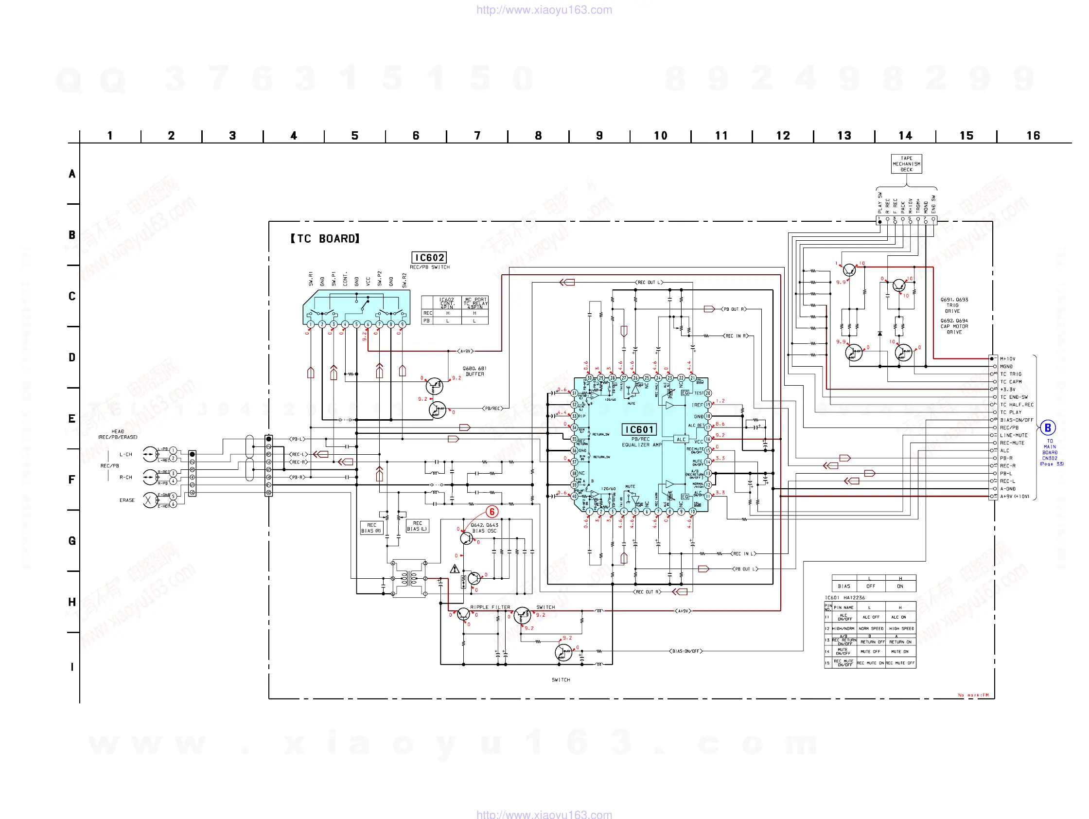
7-5. Schematic Diagram — TC Section — • See page 23 for Waveforms.
Q643
Q642
R645
R646
C641
RV603
RV653
R
6
80
R606
R656
L601
L651
R
651
R654
R
6
5
2
R
6
01
R604R602
R605
R655
R632
R
609
R
65
9
C639
R660
R610
R611
R661
C606
C656
C634
C633
Q693
Q694
R641
C655
C651
C601
C635
C602
C605
C658
C608
R631
R630
C640
C663
IC602
R657
R607
R635
Q641
D
68
1
R
6
83
R
6
85
R
68
6
R687
R688
R689
R690
R692
R691
R695
R693
R694
L640
L641
R
60
3
R
653
R633
R640
JW630
JR602
R648
R647
Q691
Q692
Q639
RV602
R608
R658
Q680
T601
Q640
C611
C610
C614
C664C660
C661
C662
C612
C642
C643
C644
C645
C646
R644
C647
R642
IC601
CN602
CN603
R682
R681
R684
C
6
81
C607
C
6
0
4
C652
C
6
54
C657
C632
C630
C613
NO601
Q681
2SC2001
2SC2001
18k
18k
2.2
50V
220k
220k
4
.7
k
2.2k
2.2k
27mH
27mH
4
.7
k
10k
4
.7
k
4.7
k
10k4.7k
47k
47k
1k
2
.2
k
2
.2
k
10
50V
8.2k
8.2k
22k
22k
1
50V
1
50V
10
50V
10
50V
2SB1116
2SB1068
6.8k
10
50V
47
16V
47
16V
1
50V
0.01
PET
10
50V
2.2
50V
2.2
50V
22k
1M
47
16V
390p
BA3126N
10k
10k
100
2SD1387-34-TP
1S
S
3
5
5TE
68
0
3.3
k
3
.3k
47k
4.7k
4.7k
4.7k
4.7k
10k
10k
47k
22k
JW
JW
3
.3k
3
.3
k
10k
10k
0
0
2.2k
22k
KRC102S-RTK
KRC102S-RTK
KTA1266-GR-AT
XX
NO MT
10k
10k
KRC102M-AT
KRC102M-AT
120p
330p
0.01
0.01330p
120p
27p
27p
0.01
0.015
0.0068
0.0068
0.018
5.6
FR
10 50V
2.2k
HA12237F
8P
19P
2.2k
2.2k
3.3k
0
.0
0
4
7
470p
0.1
0.01
0
.1
470p
10 50V
100 16V
390p
8P
DTA124ESA-TP
w
w
w
.
x
i
a
o
y
u
1
6
3
.
c
o
m
Q
Q
3
7
6
3
1
5
1
5
0
9
9
2
8
9
4
2
9
8
T
E
L
1
3
9
4
2
2
9
6
5
1
3
9
9
2
8
9
4
2
9
8
0
5
1
5
1
3
6
7
3
Q
Q
TEL 13942296513 QQ 376315150 892498299
TEL 13942296513 QQ 376315150 892498299
http://www.xiaoyu163.com
http://www.xiaoyu163.com

Related product manuals