EasyManua.ls Logo

Sony HCD-GTR7 - Schematic Diagram - DMB19 Board (2;4)

Sony HCD-GTR7
92 pages
Print Icon
To Next Page IconTo Next Page
To Next Page IconTo Next Page
To Previous Page IconTo Previous Page
To Previous Page IconTo Previous Page
Loading...
3434
HCD-GTR6/GTR6B/GTR7/GTR8/GTR8B
HCD-GTR6/GTR6B/GTR7/GTR8/GTR8B
12345678 91011 141512 13
A
B
C
D
E
F
G
H
I
J
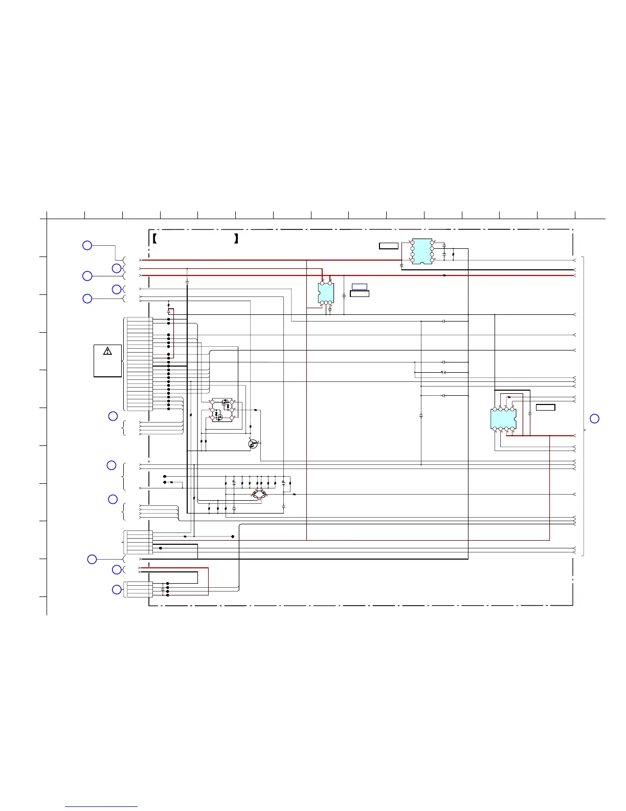
5-12. SCHEMATIC DIAGRAM — DMB19 BOARD (2/4) — • Refer to page 59 for IC Block Diagrams.
1.2
1.2
1.2
0.3
0.1
0.1
0.1
0
0.2
0.1
0.1
0.1
0.1
0.1
0
0
0
0.4
0.3
0.2
1.2
1.2
1.2
1.2
1.2
1.2
0.1
0.1
HUB
BOARD
CN1503
(Page 56)
DMB 19
BOARD
(1/4),(4/4)
(Page 33,36)
DMB 19
BOARD
(1/4),(3/4),(4/4)
(Page 33,35,36)
DMB 19
BOARD
(1/4),(3/4),(4/4)
(Page 33,35,36)
DMB 19
BOARD
(4/4)
(Page 36)
DMB 19
BOARD
(4/4)
(Page 36)
DMB 19
BOARD
(4/4)
(Page 36)
DMB 19
BOARD
(4/4)
(Page 36)
DMB 19
BOARD
(1/4)
(Page 33)
DMB 19
BOARD
(4/4)
(Page 36)
DMB 19
BOARD
(4/4)
(Page 36)
OPTICAL
PICK-UP
BLOCK
(KHM-313CAB)
1.2V REG
1.2V REG
FLASH MEMORY
MX25L1605DM2I-12G
1
2
3
5
14
4
11
7
12
27
28
22
37
36
19
17
18
15
16
25
26
32
33
IC107
IC111
IC102
1
2
3
4
5
6
6P
CN105
TXD
RXD
GND
+3.3V
V2REFO
FOR TEST
RFMON
47k
R124
0.01
C192
22
R112
22
R113
22
R115
22
R120
22
R121
22
R118
4700p
C199
2.7kR111 0
100k
R114
0.1
C116
100
R109
0.01
C113
100R101
0R1280
10k
R107
10V
47
C105
0.22
C195
47k
R117
1k
R116
0.01
C101
0.1
C115
10V
47
C112
1M
R108
100
R111
1
2
3
4
5
6
7
8
9
10
11
12
13
14
15
16
17
18
19
20
21
22
23
24
CN101
24P
GND (LD)
LD (650)
NC
NC
PD
LD (780)
VR (650)
VR (780)
NC
VOE/E+G
VCC
VC
GND (PDIC)
VOF/F+H
VOB/B
VOA/A
RF
(LO:DVD.HI:CD)MSW
VOD/D
VOC/C
TRK-
TRK+
FCS+
FCS-
0.01
C106
5
4
3
2
1
TK11133CSCL-G
IC107
CONT
GND
NOISE
VOUT
VIN
100
R123
47k
R110
0.22
C193
RT1N241C-TP-1
Q103
100k
R1129
D1
G2
S2
D2
G1
S1
UM6K1N-TN
VOLUME CONTROL SWITCH
VOLUME CONTROL SWITCH
Q101
Q102
QST8TR
AUTOMATIC
POWER CONTROL
FOR CD/DVD
JL1101
JL1102
JL1105
JL1106
JL1107
JL1108
JL 1110
JL1111
JL 1112
JL 1113
JL 1114
JL 1115
JL 1116
JL 1117
JL 1118
JL 1119
JL1120
JL1121
JL1122
JL1123
JL1124
CL106
CL107
REG01
TRK-
TRK+
FCS+
FCS-
REG02
TRO
TRO
IOP
FOO
IOPMON
SPFG
DMO
FMO
VREFO
RF+3.3V
DVDD5V
DVDD3.3V
C188
470p
1
C198
1
C183
1k
R1178
DGND
R102
0
USB+5V
JL1133
JL1132
JL1134
JL1131
CL105
V2REFO
16V
10
C118
10C119
8
7
6
5
4
3
2
1
MM1661JHBE
IC111
Vo
NC
GND
CnCont
NC
NC
Vin
0
R1256
C1507
0.1
USBGND
1
2
3
4
CN1105
4P
USB GND
USBP
USBM
USB 5V
CL1152
VDD_LD
CD_LD
CD_LD
DVD_LD
VOE
VOF
VOB
VOA
VOD
VOC
DMO
FMO
FOO
TRK-
TRK+
FCS+
FCS-
TRK-
TRK+
FCS+
FCS-
USBP
USBM
8765
4321
IC102
_CS
SO
_W
GND
SI
SCK
_HOLD
VCC
0
R1192
0.1
C102
DMB 19 BOARD
(2/4)
DMB 19
BOARD
(3/4)
(Page 35)
16
8
5
7
11
15
1
P
10
4
6
9
IC B/D

Table of Contents

Related product manuals